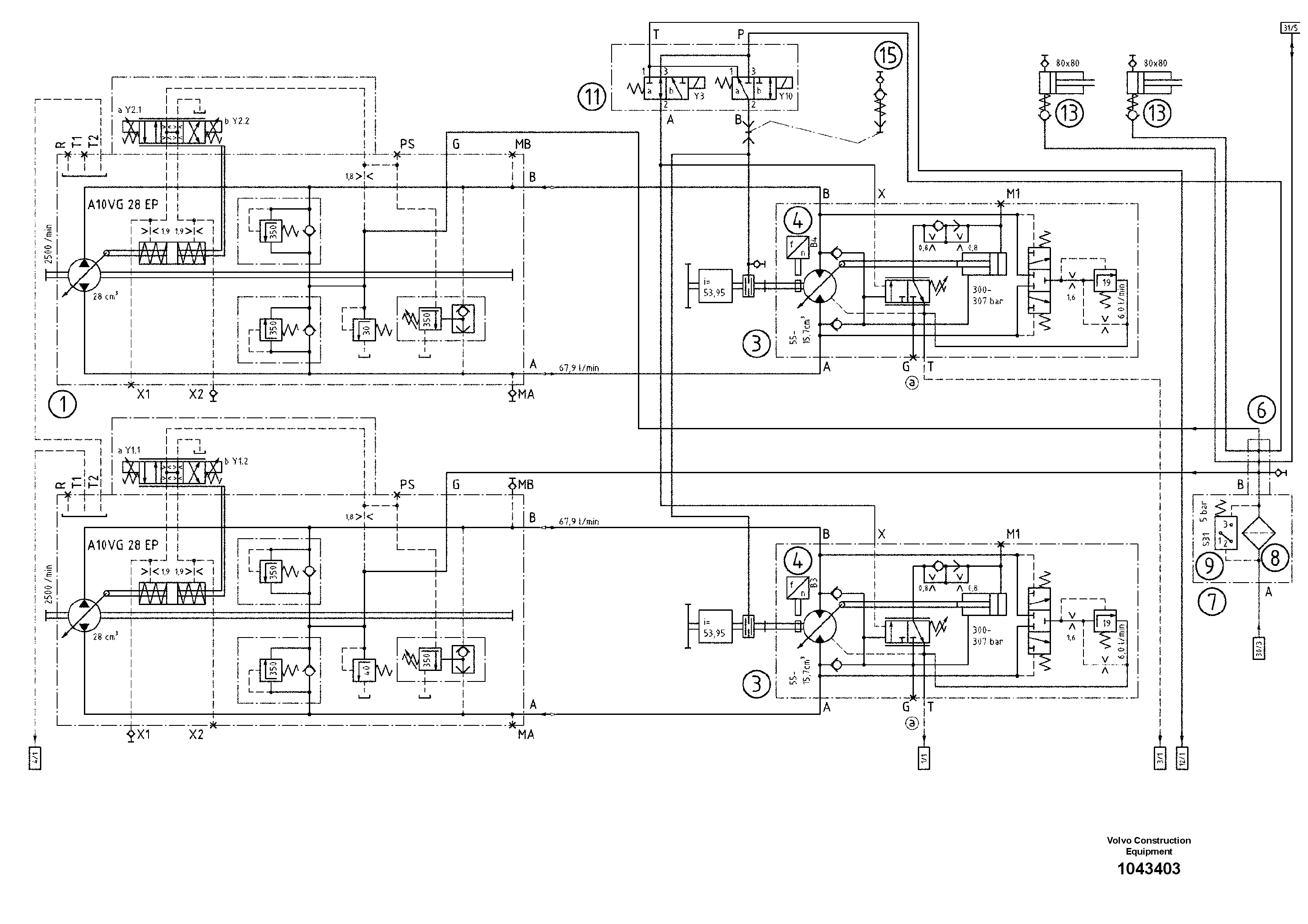
Запчасти Volvo ABG2820 56996 Hydraulic diagram ABG2820 S/N 20814 -

Схема запчастей Volvo ABG2820 - 56996 Hydraulic diagram ABG2820 S/N 20814 -
FIT
1:1
100%

Артикул

Название

Примечание

Количество

1

RM 54687082

Гидронасос (основной насос)

A10VG 28+28

1шт.

1

RM 54687082

Гидронасос (основной насос)

A10VG 28+28

1шт.

11

RM 87980496

Valve block

1шт.

13

RM 54765284

Гидроцилиндр

1шт.

15

RM 80471899

Coupling Piece

1шт.

15

RM 80471899

Coupling Piece

1шт.

3

RM 14326003

Гидромотор

A6VE55

1шт.

4

RM 56284284

Sensor

1шт.

4

RM 56284284

Sensor

1шт.

6

RM 87985164

Distributor

1шт.

7

RM 54688361

Фильтр топливный

1шт.

7

RM 54688361

Фильтр топливный

1шт.

8

RM 54726740

Hydraulic filter

ELEMENT

1шт.

8

RM 54726740

Hydraulic filter

ELEMENT

1шт.

9

RM 80605090

Indicator

1шт.

9

RM 80605090

Indicator

1шт.

Выбрано товаров: 16