Запчасти Volvo ABG5820 54392 Hydraulic diagram ABG5820 S/N 20975 -

Схема запчастей Volvo ABG5820 - 54392 Hydraulic diagram ABG5820 S/N 20975 -
FIT
1:1
100%

Артикул

Название

Примечание

Количество

1

RM 80788417

Пилотный (шестерёнчатый) насос

S/N 18563-

1шт.

1

RM 80788417

Пилотный (шестерёнчатый) насос

S/N 18563-

1шт.

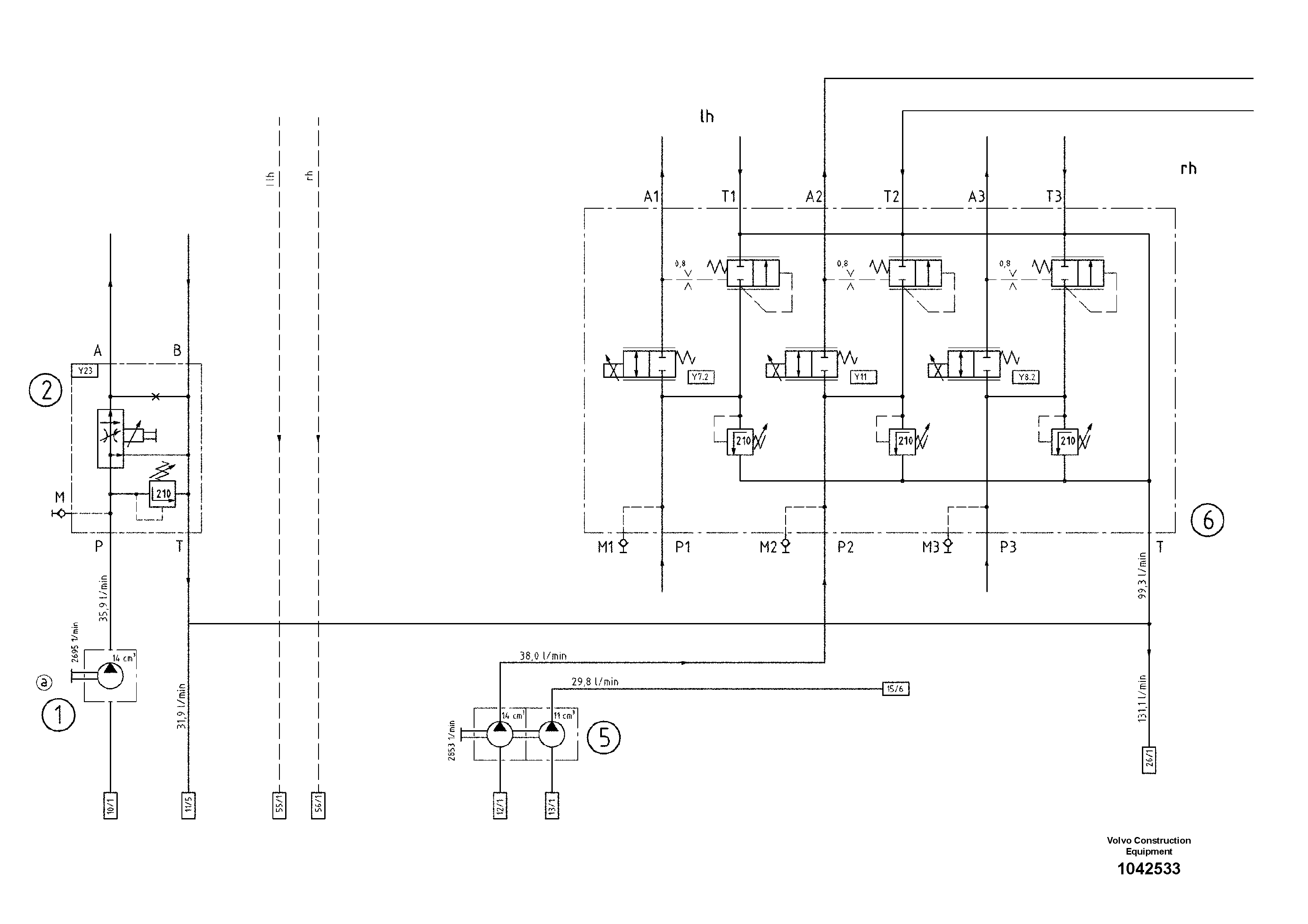
2

RM 80614100

Valve block

1шт.

2

RM 80614100

Valve block

1шт.

5

RM 80613839

Пилотный (шестерёнчатый) насос

1шт.

5

RM 80613839

Пилотный (шестерёнчатый) насос

1шт.

6

RM 80664451

Valve block

1шт.

6

RM 80664451

Valve block

1шт.

Выбрано товаров: 8