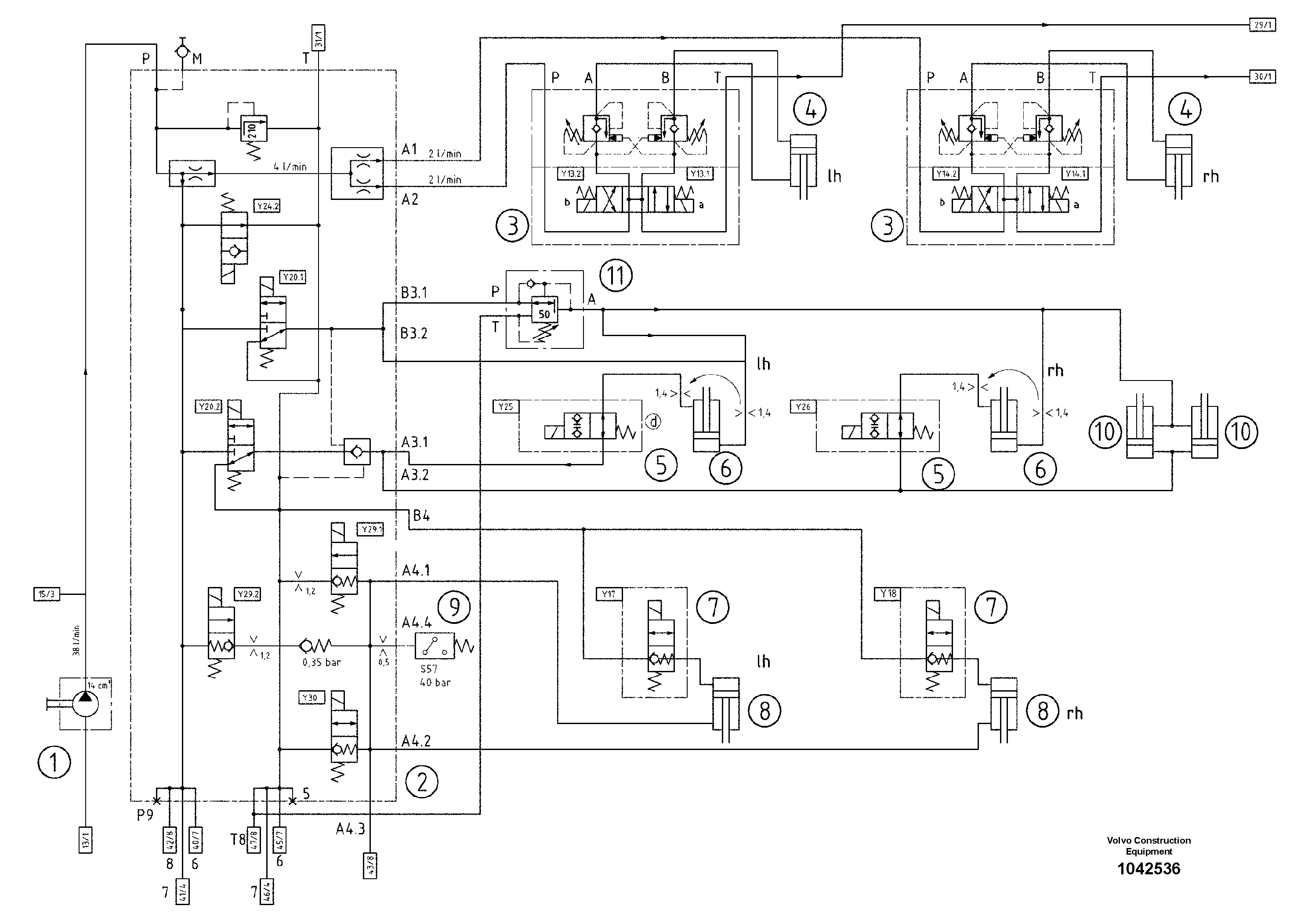
Запчасти Volvo ABG5820 54395 Hydraulic diagram ABG5820 S/N 20975 -

Схема запчастей Volvo ABG5820 - 54395 Hydraulic diagram ABG5820 S/N 20975 -
FIT
1:1
100%

Артикул

Название

Примечание

Количество

1

RM 80678642

Пилотный (шестерёнчатый) насос

1шт.

10

RM 80707342

Гидроцилиндр

1шт.

11

RM 80707482

Pressure Reducing Valve

1шт.

11

RM 80707482

Pressure Reducing Valve

1шт.

2

RM 80613920

Valve block

1шт.

2

RM 80613920

Valve block

1шт.

3

RM 80726516

Valve block

1шт.

3

RM 80726516

Valve block

1шт.

4

RM 87985347

Гидроцилиндр

1шт.

4

RM 87985347

Гидроцилиндр

1шт.

5

RM 80702137

Клапан

1шт.

5

RM 80702137

Клапан

1шт.

6

RM 80670185

Гидроцилиндр

1шт.

6

RM 80670185

Гидроцилиндр

1шт.

7

RM 80698863

Клапан

1шт.

7

RM 80698863

Клапан

1шт.

8

RM 80610181

Гидроцилиндр

1шт.

8

RM 80610181

Гидроцилиндр

1шт.

9

RM 80634025

Датчик давления (переключатель, реле)

1шт.

9

RM 80634025

Датчик давления (переключатель, реле)

1шт.

Выбрано товаров: 20