Запчасти Volvo ABG5820 60810 Hydraulic Vb-screeds ABG5820 S/N 20975 -

Схема запчастей Volvo ABG5820 - 60810 Hydraulic Vb-screeds ABG5820 S/N 20975 -
FIT
1:1
100%

Артикул

Название

Примечание

Количество

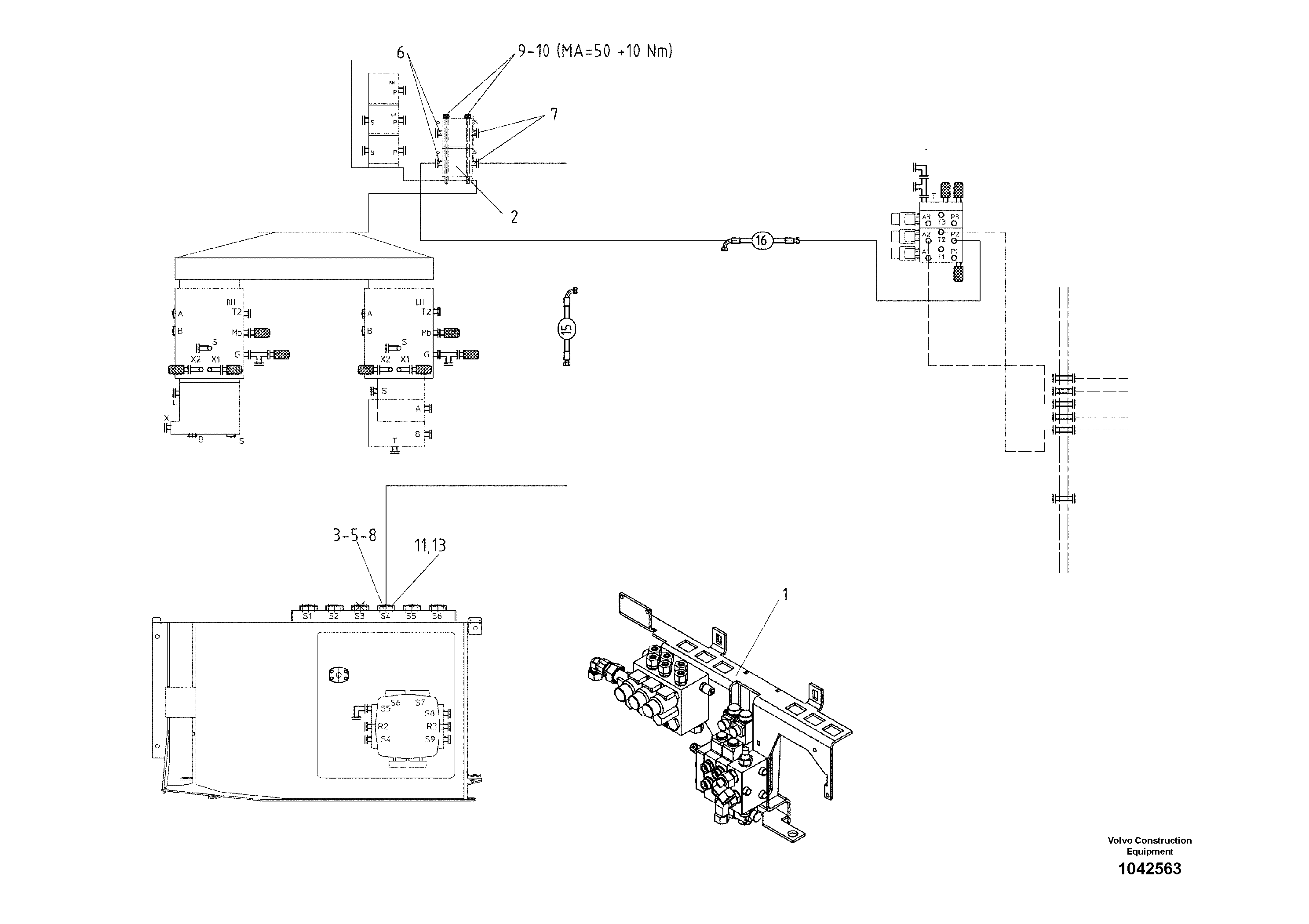
1

RM 80731185

Valve support

1шт.

10

RM 80631971

Болт

1шт.

11

RM 96725015

Винт шестигранник (торцевой ключ)

1шт.

11

RM 96725015

Винт шестигранник (торцевой ключ)

1шт.

13

RM 58864679

Кольцо уплотнительное (О-кольцо)

1шт.

13

RM 58864679

Кольцо уплотнительное (О-кольцо)

1шт.

15

RM 80814007

Шланг

S/N 19144-

1шт.

16

RM 14025704

Шланг

1шт.

2

RM 80613839

Пилотный (шестерёнчатый) насос

1шт.

2

RM 80613839

Пилотный (шестерёнчатый) насос

1шт.

3

RM 80684988

Трубка

1шт.

5

VOE 935309

Flange half

1шт.

5

VOE 935309

Flange half

1шт.

6

RM 13905765

Elbow

1шт.

6

RM 13905765

Elbow

1шт.

7

RM 13929435

Elbow

1шт.

7

RM 13929435

Elbow

1шт.

8

RM 14117121

Фиттинг

1шт.

9

RM 13907761

Стопорная шайба (кольцо)

S/N 17309-

1шт.

9

RM 13907761

Стопорная шайба (кольцо)

S/N 17309-

1шт.

Выбрано товаров: 20