Запчасти Volvo ABG5820 53111 Hydraulic Auger Height Adjustment ABG5820 S/N 20975 -

Схема запчастей Volvo ABG5820 - 53111 Hydraulic Auger Height Adjustment ABG5820 S/N 20975 -
FIT
1:1
100%

Артикул

Название

Примечание

Количество

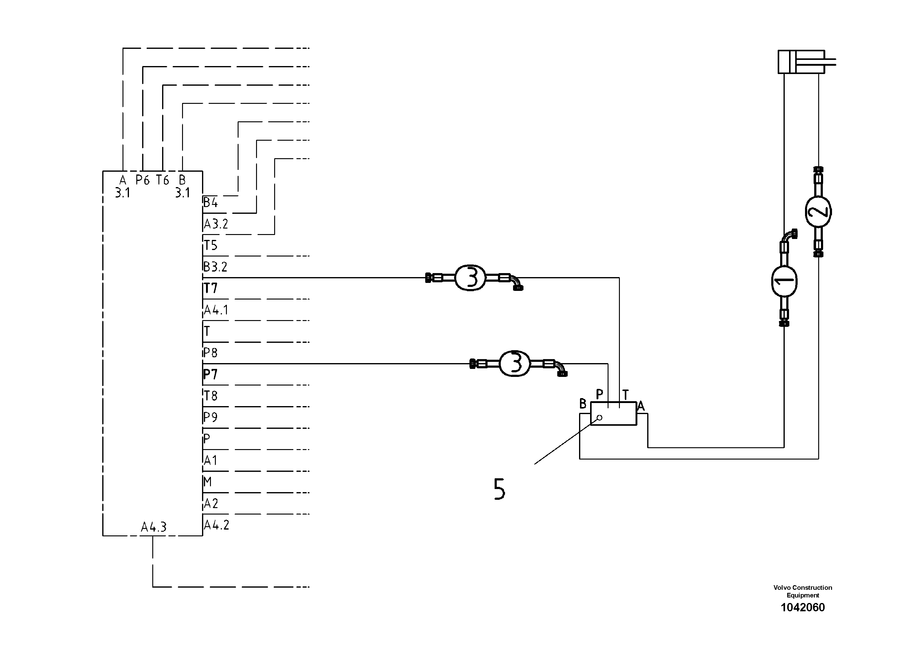
1

RM 54496914

Шланг

1шт.

1

RM 54496914

Шланг

1шт.

2

RM 14202634

Шланг

1шт.

2

RM 14202634

Шланг

1шт.

3

RM 80471071

Шланг

1шт.

3

RM 80471071

Шланг

1шт.

5

RM 54717038

Valve block

1шт.

5

RM 54717038

Valve block

1шт.

Выбрано товаров: 0