Запчасти Volvo ABG6820 47826 Hydraulics ABG6820 S/N 20836 -

Схема запчастей Volvo ABG6820 - 47826 Hydraulics ABG6820 S/N 20836 -
FIT
1:1
100%

Артикул

Название

Примечание

Количество

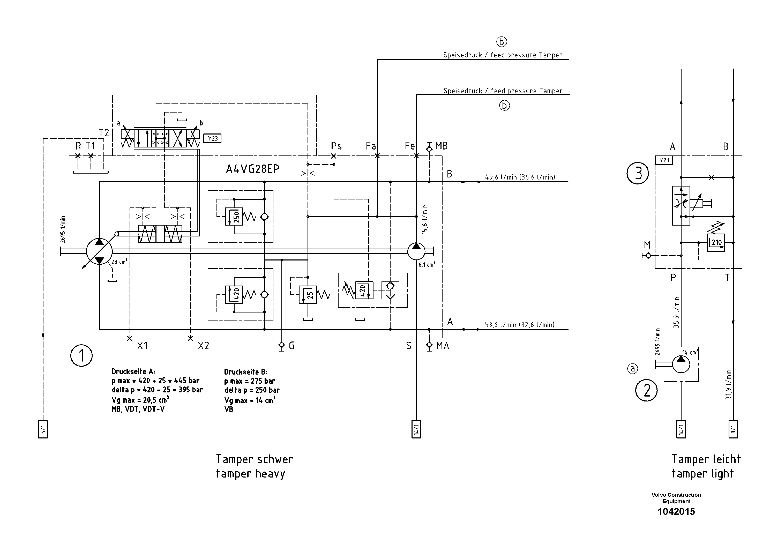
1

RM 80610264

Гидронасос (основной насос)

1шт.

1

RM 80610264

Гидронасос (основной насос)

1шт.

2

RM 80788417

Пилотный (шестерёнчатый) насос

S/N 18400-

1шт.

2

RM 80788417

Пилотный (шестерёнчатый) насос

S/N 18400-

1шт.

3

RM 80614100

Valve block

1шт.

3

RM 80614100

Valve block

1шт.

Выбрано товаров: 6