Запчасти Volvo ABG6820 47830 Hydraulics ABG6820 S/N 20836 -

Схема запчастей Volvo ABG6820 - 47830 Hydraulics ABG6820 S/N 20836 -
FIT
1:1
100%

Артикул

Название

Примечание

Количество

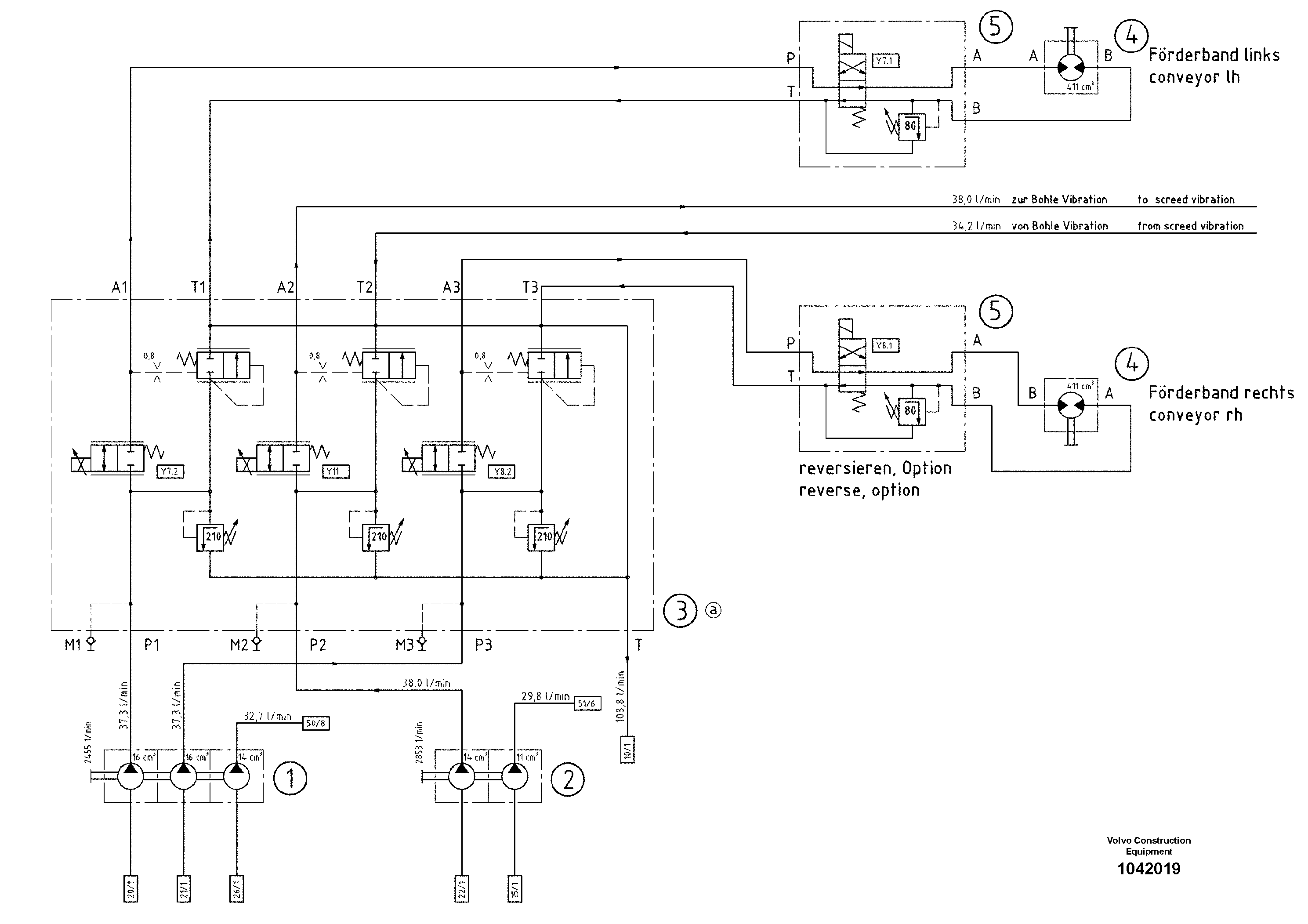
1

RM 80611627

Пилотный (шестерёнчатый) насос

1шт.

2

RM 80613839

Пилотный (шестерёнчатый) насос

1шт.

2

RM 80613839

Пилотный (шестерёнчатый) насос

1шт.

3

RM 80664451

Valve block

S/N 14886-

1шт.

3

RM 80664451

Valve block

S/N 14886-

1шт.

4

RM 13976576

Гидромотор

1шт.

4

RM 13976576

Гидромотор

1шт.

5

RM 80630932

Valve block

1шт.

5

RM 80630932

Valve block

1шт.

Выбрано товаров: 9