Запчасти Volvo ABG6820 60815 Hydraulics ABG6820 S/N 20836 -

Схема запчастей Volvo ABG6820 - 60815 Hydraulics ABG6820 S/N 20836 -
FIT
1:1
100%

Артикул

Название

Примечание

Количество

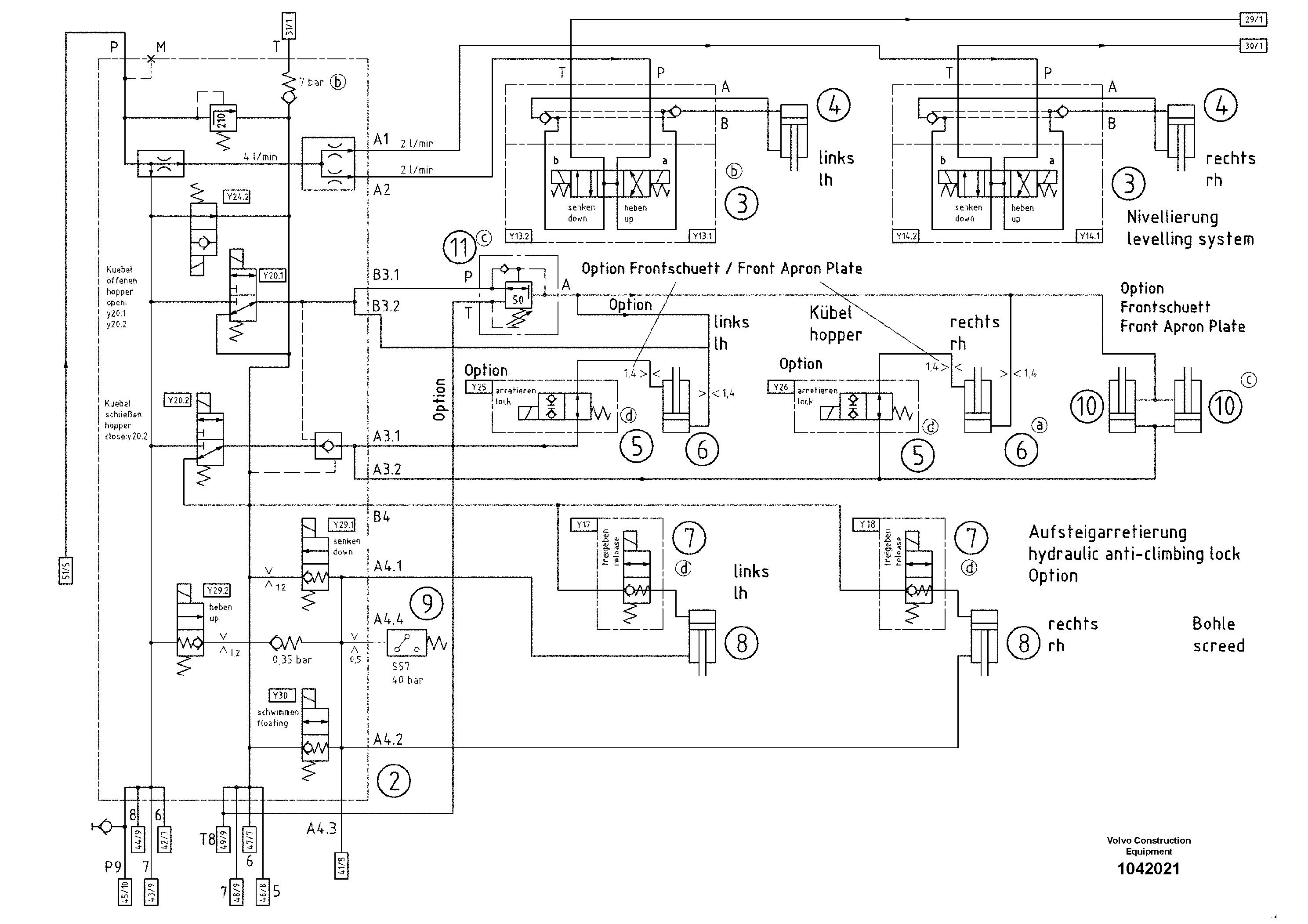
10

RM 80707342

Гидроцилиндр

S/N 15084-

1шт.

11

RM 80707482

Pressure reducing valve

S/N 15084-

1шт.

11

RM 80707482

Pressure reducing valve

S/N 15084-

1шт.

2

RM 80613920

Valve block

1шт.

2

RM 80613920

Valve block

1шт.

3

RM 80726516

Valve block

S/N 15145-

1шт.

3

RM 80726516

Valve block

S/N 15145-

1шт.

4

RM 87985347

Гидроцилиндр

1шт.

4

RM 87985347

Гидроцилиндр

1шт.

5

RM 80702137

Клапан

S/N 17194-

1шт.

5

RM 80702137

Клапан

S/N 17194-

1шт.

6

RM 80670185

Гидроцилиндр

S/N 15250-

1шт.

6

RM 80670185

Гидроцилиндр

S/N 15250-

1шт.

7

RM 80698863

Клапан

S/N 17194-

1шт.

7

RM 80698863

Клапан

S/N 17194-

1шт.

8

RM 80610181

Гидроцилиндр

1шт.

8

RM 80610181

Гидроцилиндр

1шт.

9

RM 80634025

Датчик давления (переключатель, реле)

1шт.

9

RM 80634025

Датчик давления (переключатель, реле)

1шт.

Выбрано товаров: 0