Запчасти Volvo ABG6820 55321 Hydraulics ABG6820 S/N 20836 -

Схема запчастей Volvo ABG6820 - 55321 Hydraulics ABG6820 S/N 20836 -
FIT
1:1
100%

Артикул

Название

Примечание

Количество

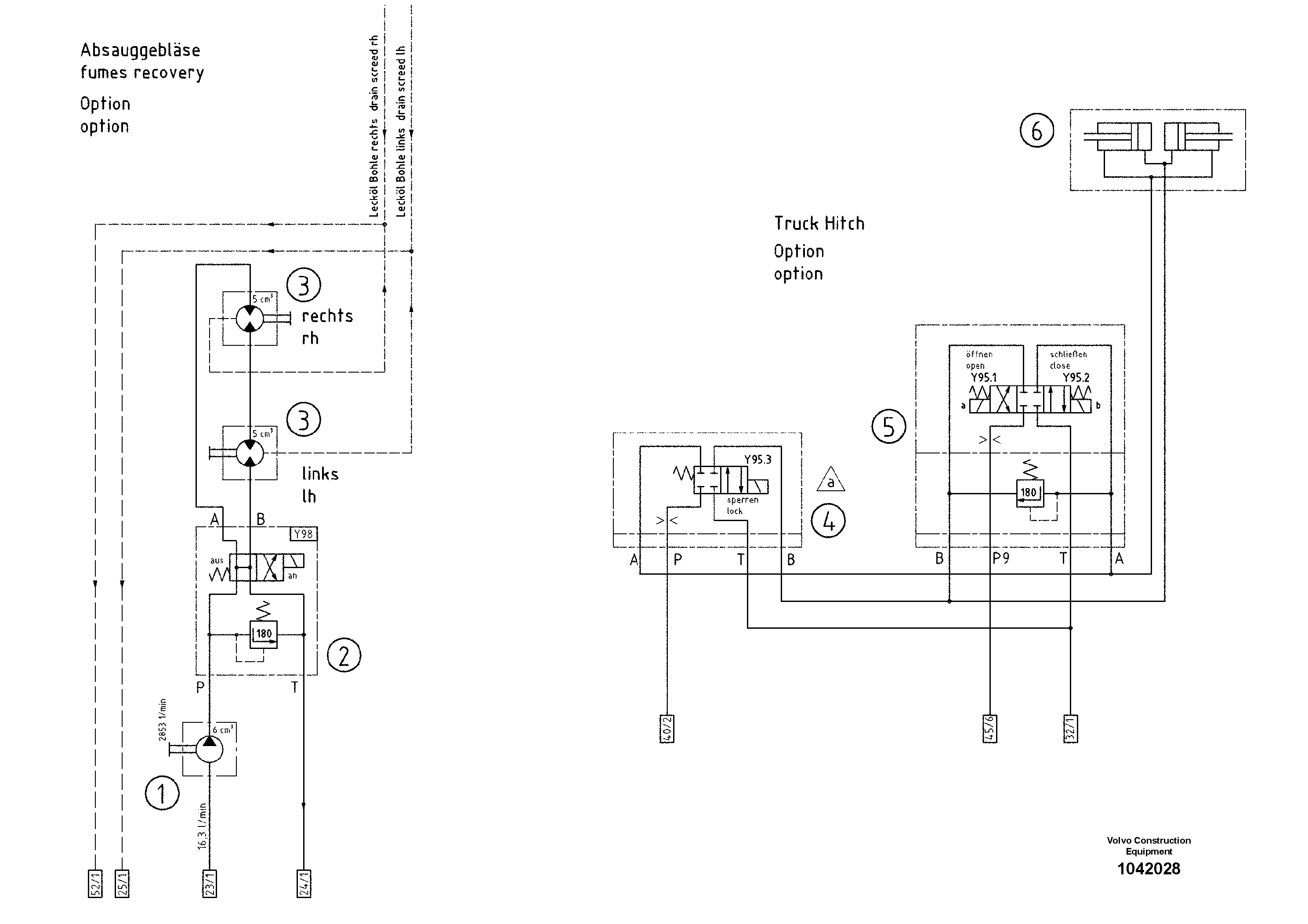
1

RM 80621493

Пилотный (шестерёнчатый) насос

1шт.

1

RM 80621493

Пилотный (шестерёнчатый) насос

1шт.

2

RM 14324966

Клапан

1шт.

2

RM 14324966

Клапан

1шт.

3

RM 54494554

Гидромотор

1шт.

3

RM 54494554

Гидромотор

1шт.

4

RM 80877178

Directional Valve

S/N 20940-

1шт.

4

RM 80877178

Directional Valve

S/N 20940-

1шт.

4

RM 13967799

Клапан

S/N -20939

1шт.

Выбрано товаров: 9