Запчасти Volvo ABG6820 53415 Hydraulics for Vb screeds ABG6820 S/N 20836 -

Схема запчастей Volvo ABG6820 - 53415 Hydraulics for Vb screeds ABG6820 S/N 20836 -
FIT
1:1
100%

Артикул

Название

Примечание

Количество

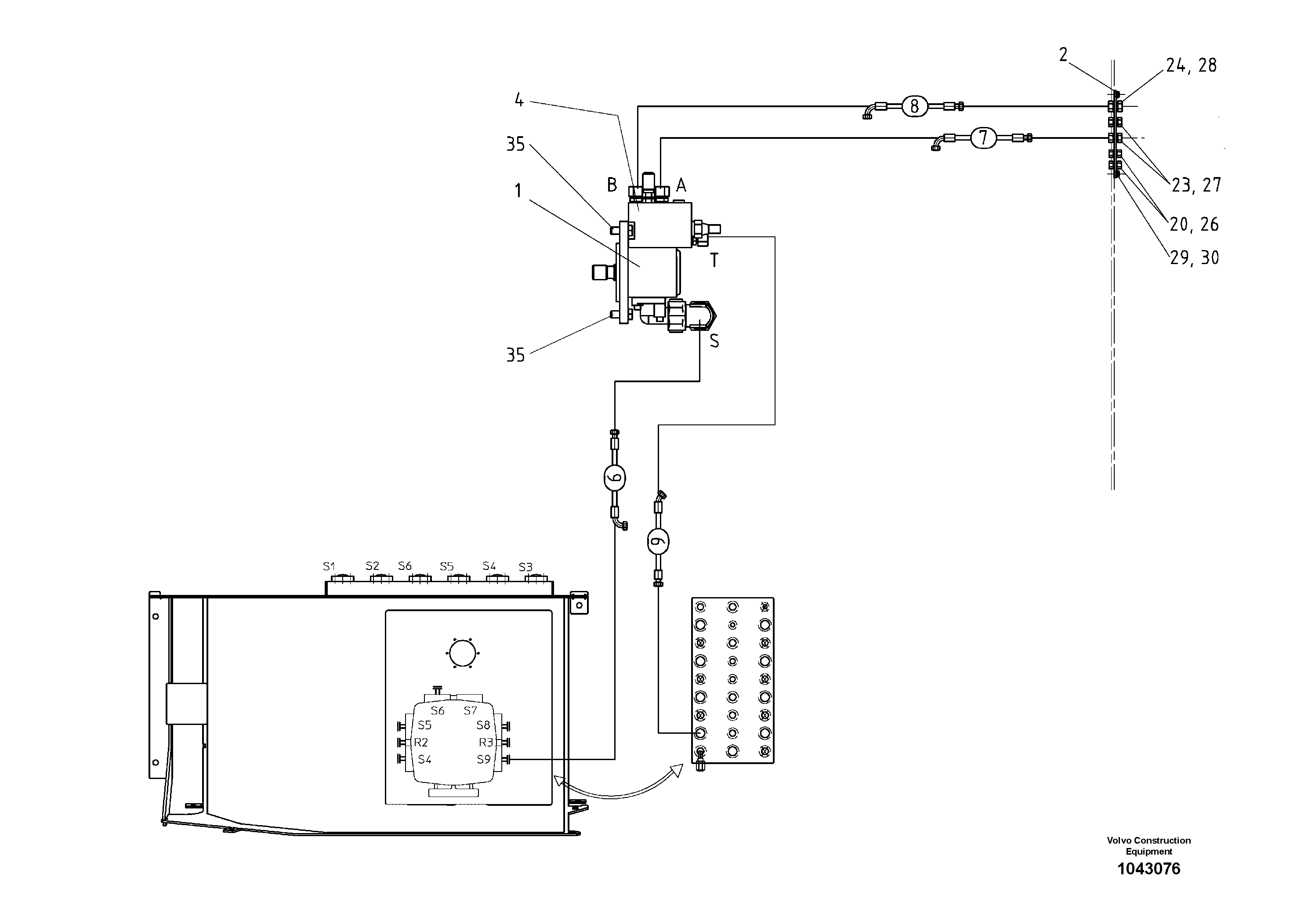
1

RM 80782121

Tamper Pump

1шт.

2

RM 80812506

Connecting plate

LH

1шт.

20

RM 58838343

Пробка (заглушка)

1шт.

20

RM 58838343

Пробка (заглушка)

1шт.

23

RM 58865973

Пробка (заглушка)

1шт.

23

RM 58865973

Пробка (заглушка)

1шт.

24

RM 13911391

Пробка (заглушка)

1шт.

24

RM 13911391

Пробка (заглушка)

1шт.

26

RM 58903295

Гайка

1шт.

26

RM 58903295

Гайка

1шт.

27

RM 14090864

Гайка

1шт.

27

RM 14090864

Гайка

1шт.

28

RM 14089452

Гайка

1шт.

29

RM 96722137

Винт шестигранник

1шт.

29

RM 96722137

Винт шестигранник

1шт.

30

RM 14261002

Стопорная шайба (кольцо)

1шт.

30

RM 14261002

Стопорная шайба (кольцо)

1шт.

35

RM 96718879

Винт шестигранник

S/N 17958-

1шт.

35

RM 96718879

Винт шестигранник

S/N 17958-

1шт.

4

RM 80614100

Valve block

S/N 17958-

1шт.

4

RM 80614100

Valve block

S/N 17958-

1шт.

5

RM 80758337

Hose kit

1шт.

6

RM 80761901

Шланг

1шт.

7

RM 56248321

Шланг

1шт.

8

RM 54614771

Шланг

1шт.

9

RM 13936380

Шланг

1шт.

Выбрано товаров: 26