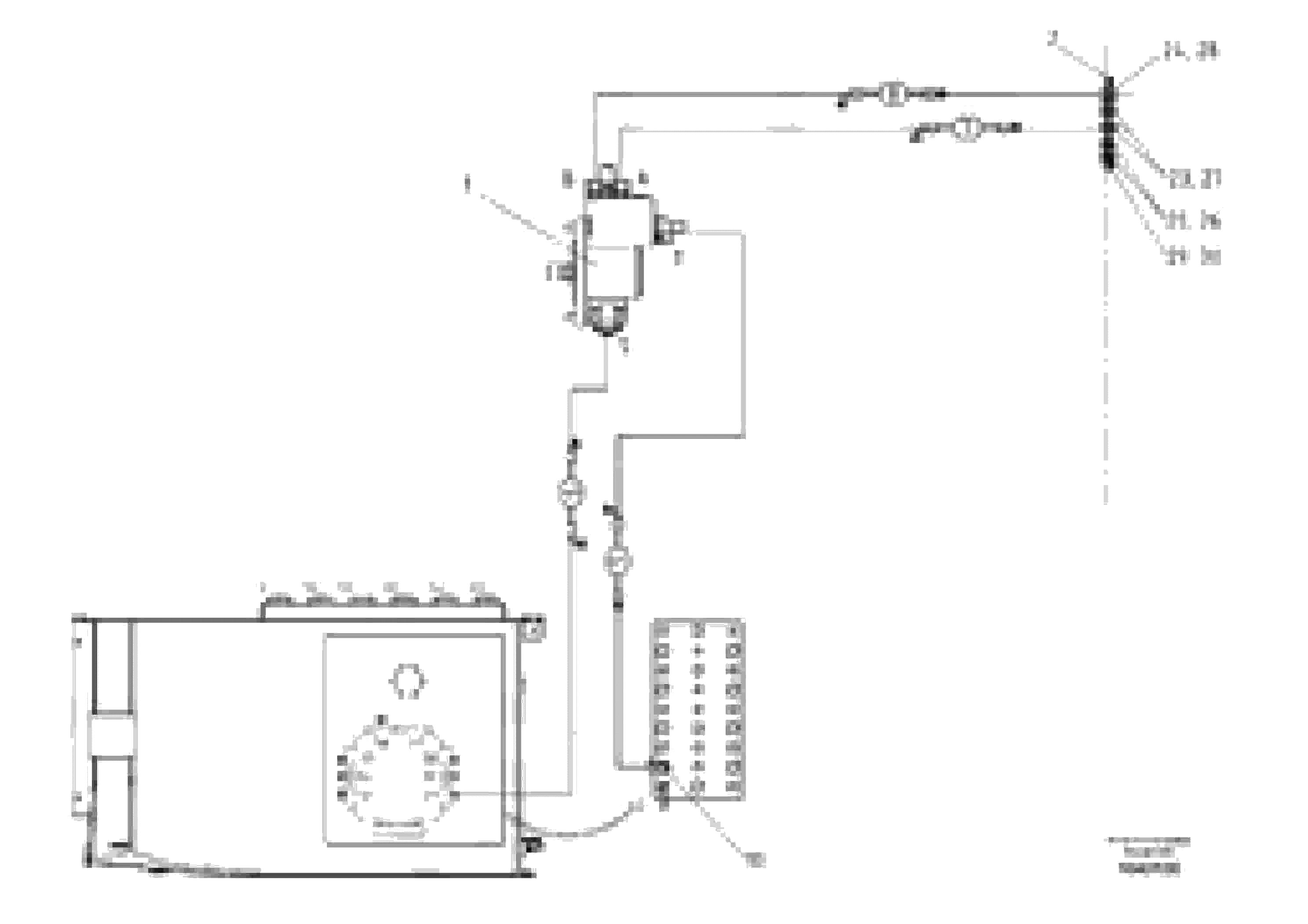
Запчасти Volvo ABG6820 53416 Hydraulics for Vb Screeds ABG6820 S/N 20836 -

Схема запчастей Volvo ABG6820 - 53416 Hydraulics for Vb Screeds ABG6820 S/N 20836 -
FIT
1:1
100%

Артикул

Название

Примечание

Количество

1

RM 80621048

Tamper Pump

1шт.

19

RM 14105944

Фиттинг

1шт.

19

RM 14105944

Фиттинг

1шт.

2

RM 80812506

Connecting plate

LH

1шт.

20

RM 58838343

Пробка (заглушка)

1шт.

20

RM 58838343

Пробка (заглушка)

1шт.

23

RM 58865973

Пробка (заглушка)

1шт.

23

RM 58865973

Пробка (заглушка)

1шт.

24

RM 13911391

Пробка (заглушка)

1шт.

24

RM 13911391

Пробка (заглушка)

1шт.

26

RM 58903295

Гайка

1шт.

26

RM 58903295

Гайка

1шт.

27

RM 14090864

Гайка

1шт.

27

RM 14090864

Гайка

1шт.

28

RM 14089452

Гайка

1шт.

29

RM 96722137

Винт шестигранник

1шт.

29

RM 96722137

Винт шестигранник

1шт.

30

RM 14261002

Стопорная шайба (кольцо)

1шт.

30

RM 14261002

Стопорная шайба (кольцо)

1шт.

5

RM 80826746

Hose kit

1шт.

6

RM 80629363

Шланг

1шт.

7

RM 80629413

Шланг

1шт.

7

RM 80629413

Шланг

1шт.

8

RM 80629389

Шланг

1шт.

8

RM 80629389

Шланг

1шт.

9

RM 13991583

Шланг

1шт.

9

RM 13991583

Шланг

1шт.

Выбрано товаров: 27