Запчасти Volvo ABG6820 55334 Hydraulics ABG6820 S/N 20836 -

Схема запчастей Volvo ABG6820 - 55334 Hydraulics ABG6820 S/N 20836 -
FIT
1:1
100%

Артикул

Название

Примечание

Количество

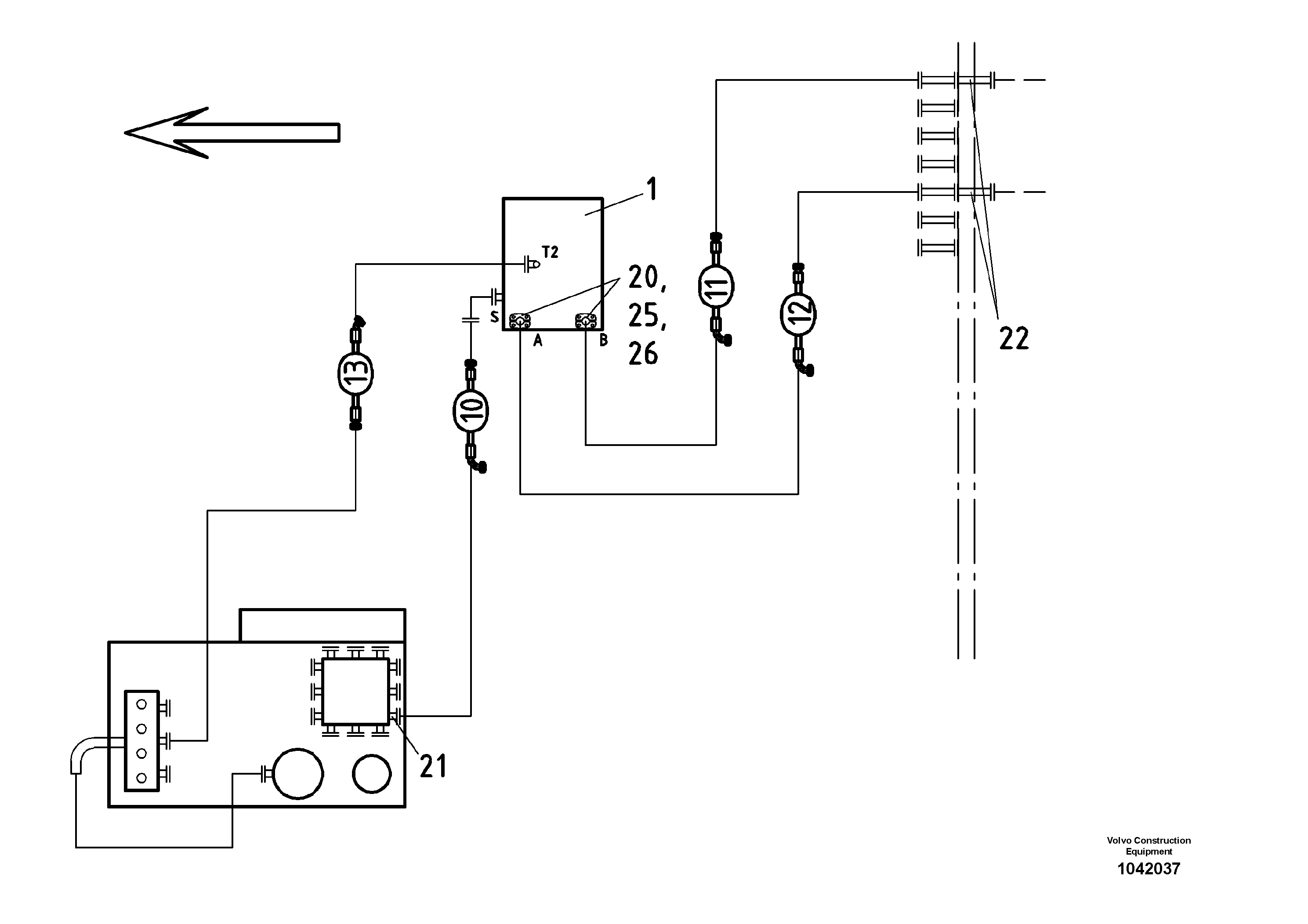
1

RM 80629017

Tamper Pump

1шт.

10

RM 80629355

Шланг

1шт.

11

RM 80629439

Шланг

1шт.

11

RM 80629439

Шланг

1шт.

12

RM 80629447

Шланг

1шт.

12

RM 80629447

Шланг

1шт.

13

RM 80629397

Шланг

1шт.

13

RM 80629397

Шланг

1шт.

20

RM 13926498

Фланец

1шт.

20

RM 13926498

Фланец

1шт.

21

RM 14102966

Фиттинг

1шт.

21

RM 14102966

Фиттинг

1шт.

22

RM 87985271

Соединитель

1шт.

22

RM 87985271

Соединитель

1шт.

25

RM 58833013

Кольцо уплотнительное (О-кольцо)

1шт.

25

RM 58833013

Кольцо уплотнительное (О-кольцо)

1шт.

26

RM 56292204

Винт шестигранник (торцевой ключ)

1шт.

26

RM 56292204

Винт шестигранник (торцевой ключ)

1шт.

5

RM 80621097

Hose Kit

1шт.

Выбрано товаров: 19