Запчасти Volvo ABG7820 83074 Vibrator for extension VDT 121 ATT. SCREED 2,5 - 9,0 M ABG7820/ABG7820B

Схема запчастей Volvo ABG7820 - 83074 Vibrator for extension VDT 121 ATT. SCREED 2,5 - 9,0 M ABG7820/ABG7820B
FIT
1:1
100%

Артикул

Название

Примечание

Количество

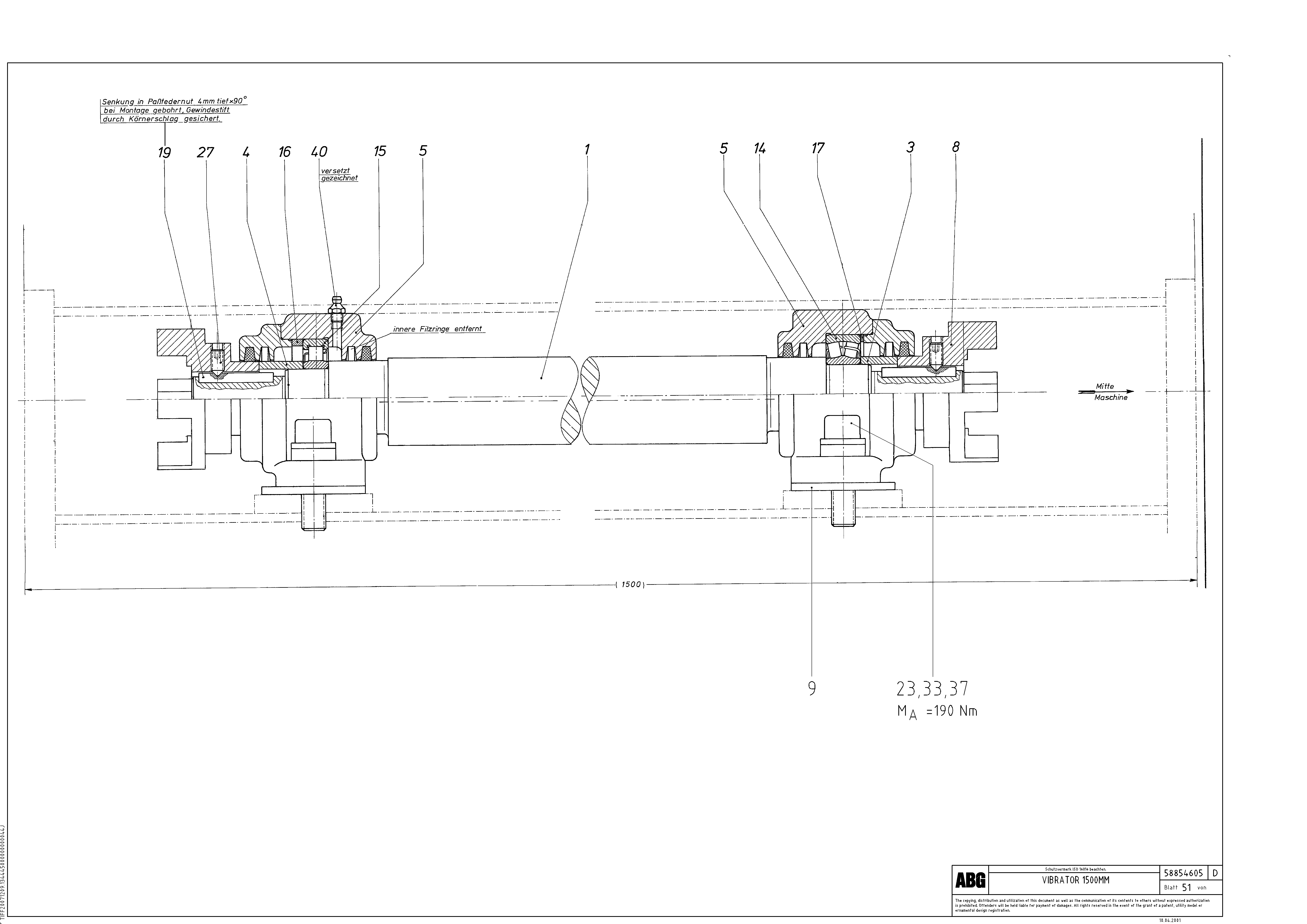
1

RM 14892350

Eccentric Shaft

1шт.

14

RM 58824905

Ball bearing

1шт.

14

RM 58824905

Ball bearing

1шт.

15

RM 58824913

Подшипник

1шт.

16

RM 58824921

Кольцо

1шт.

17

RM 58824939

Шайба

1шт.

19

RM 14086151

Key

1шт.

23

RM 96725130

Винт шестигранник (торцевой ключ)

1шт.

23

RM 96725130

Винт шестигранник (торцевой ключ)

1шт.

27

RM 96723218

Болт

1шт.

3

RM 58831470

Шайба

1шт.

33

RM 14261028

Стопорная шайба (кольцо)

1шт.

33

RM 14261028

Стопорная шайба (кольцо)

1шт.

37

RM 14280325

Шайба

1шт.

4

RM 58831546

Шайба

1шт.

40

RM 58824509

Grease nipple

1шт.

5

RM 58831355

Bearing Housing

1шт.

8

RM 58831553

Coupling Piece

1шт.

9

RM 13933148

Insulating plate

S/N 12319 -

1шт.

9

RM 58831314

Изолятор

S/N 51 - 12318

1шт.

Выбрано товаров: 20