Запчасти Volvo ABG7820 43179 Diagram ABG7820/ABG7820B ABG7820 S/N 21064-23058 ABG7820B S/N 23059 -

Схема запчастей Volvo ABG7820 - 43179 Diagram ABG7820/ABG7820B ABG7820 S/N 21064-23058 ABG7820B S/N 23059 -
FIT
1:1
100%

Артикул

Название

Примечание

Количество

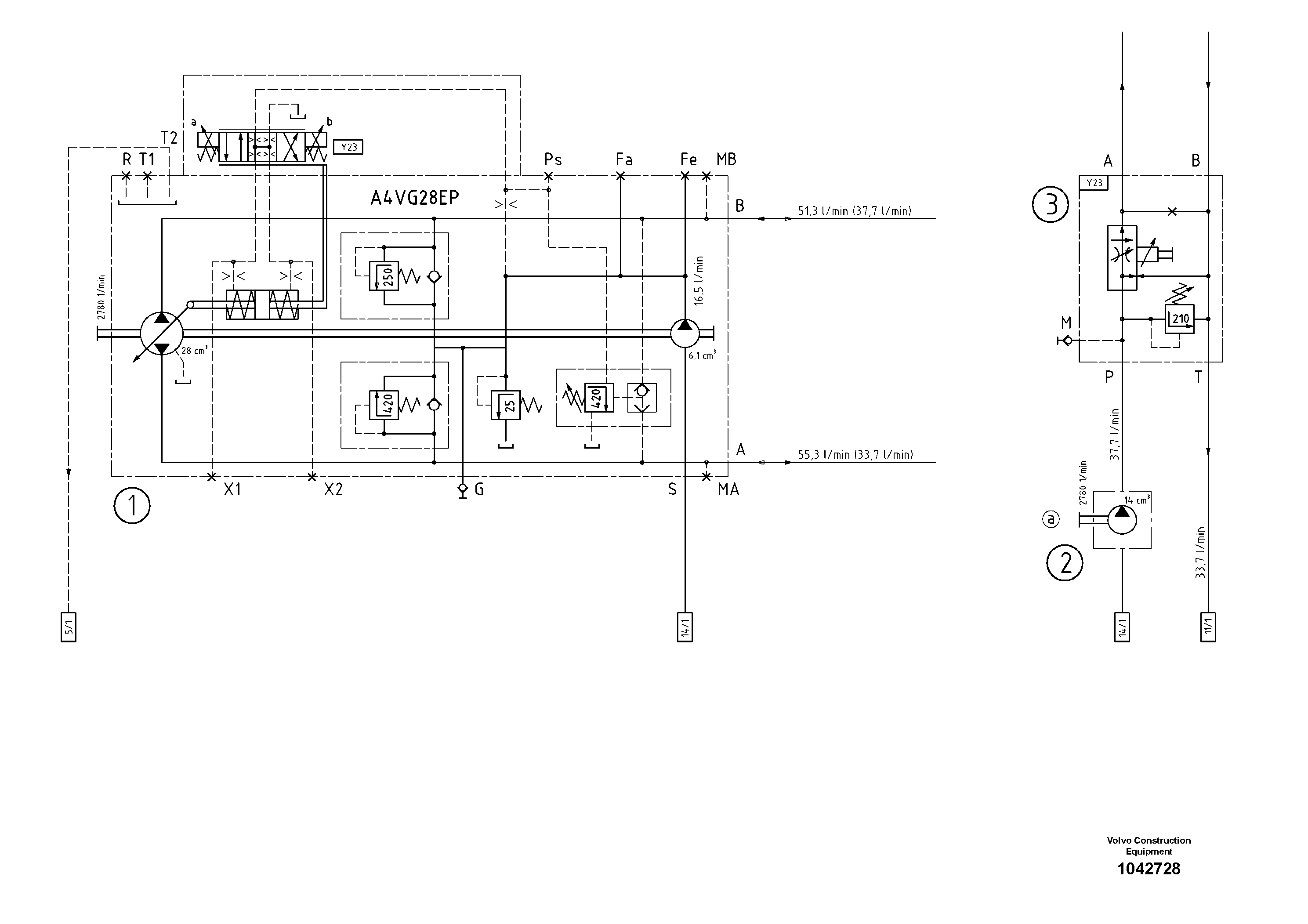
1

RM 80610264

Гидронасос (основной насос)

A4VG28EP

1шт.

1

RM 80610264

Гидронасос (основной насос)

A4VG28EP

1шт.

2

RM 80788417

Пилотный (шестерёнчатый) насос

S/N 18400-

1шт.

2

RM 80788417

Пилотный (шестерёнчатый) насос

S/N 18400-

1шт.

3

RM 80614100

Valve block

1шт.

3

RM 80614100

Valve block

1шт.

Выбрано товаров: 6