Запчасти Volvo ABG7820 88559 Hydraulic Vdt, Vdt-v, Mb ABG7820/ABG7820B ABG7820 S/N 21064-23058 ABG7820B S/N 23059 -

Схема запчастей Volvo ABG7820 - 88559 Hydraulic Vdt, Vdt-v, Mb ABG7820/ABG7820B ABG7820 S/N 21064-23058 ABG7820B S/N 23059 -
FIT
1:1
100%

Артикул

Название

Примечание

Количество

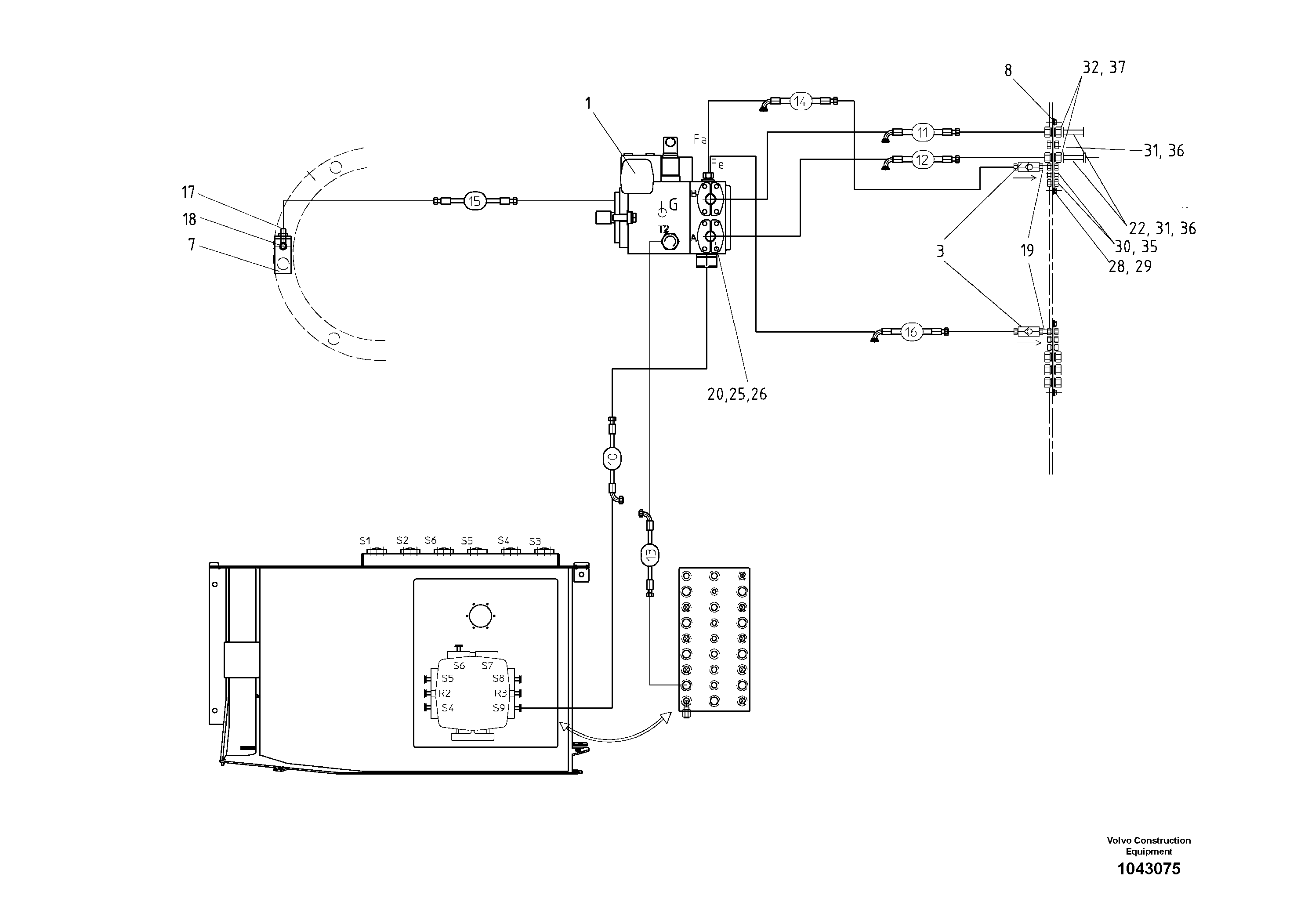
1

RM 80766447

Насос

1шт.

10

RM 80761968

Шланг

1шт.

11

RM 80629439

Шланг

1шт.

11

RM 80629439

Шланг

1шт.

12

RM 80629447

Шланг

1шт.

12

RM 80629447

Шланг

1шт.

13

RM 80761943

Шланг

1шт.

14

RM 80882186

Шланг

S/N 21000-22003

1шт.

14

RM 80880156

Hydraulic hose

S/N 22004-

1шт.

15

RM 80766439

Шланг

1шт.

16

RM 80882178

Шланг

S/N 21000-22003

1шт.

16

RM 80880081

Hydraulic hose

S/N 22004-

1шт.

17

RM 58833138

Фиттинг

1шт.

17

RM 58833138

Фиттинг

1шт.

18

RM 14280259

Coupling piece

1шт.

18

RM 14280259

Coupling piece

1шт.

19

RM 87966065

Фиттинг

S/N 21000-

1шт.

20

RM 13926498

Фланец

1шт.

20

RM 13926498

Фланец

1шт.

22

RM 87985271

Соединитель

1шт.

22

RM 87985271

Соединитель

1шт.

25

RM 58833013

Кольцо уплотнительное (О-кольцо)

1шт.

25

RM 58833013

Кольцо уплотнительное (О-кольцо)

1шт.

26

RM 56292204

Винт шестигранник (торцевой ключ)

1шт.

26

RM 56292204

Винт шестигранник (торцевой ключ)

1шт.

28

RM 96722137

Винт шестигранник

S/N 19699-

1шт.

28

RM 96722137

Винт шестигранник

S/N 19699-

1шт.

29

RM 14261002

Стопорная шайба (кольцо)

1шт.

29

RM 14261002

Стопорная шайба (кольцо)

1шт.

3

RM 14158539

Valve Non-return

S/N 21000-

1шт.

30

RM 58838343

Пробка (заглушка)

1шт.

30

RM 58838343

Пробка (заглушка)

1шт.

31

RM 58865973

Пробка (заглушка)

1шт.

31

RM 58865973

Пробка (заглушка)

1шт.

32

RM 58865981

Пробка (заглушка)

1шт.

35

RM 58903295

Гайка

1шт.

35

RM 58903295

Гайка

1шт.

36

RM 14090864

Гайка

1шт.

36

RM 14090864

Гайка

1шт.

37

RM 14106629

Гайка

1шт.

5

RM 80758386

Hose kit

VDT, VDT-V, MB

1шт.

7

RM 80765894

Holder

1шт.

8

RM 80843881

Connection Strip Rh

S/N 21000-, RH

1шт.

Выбрано товаров: 43