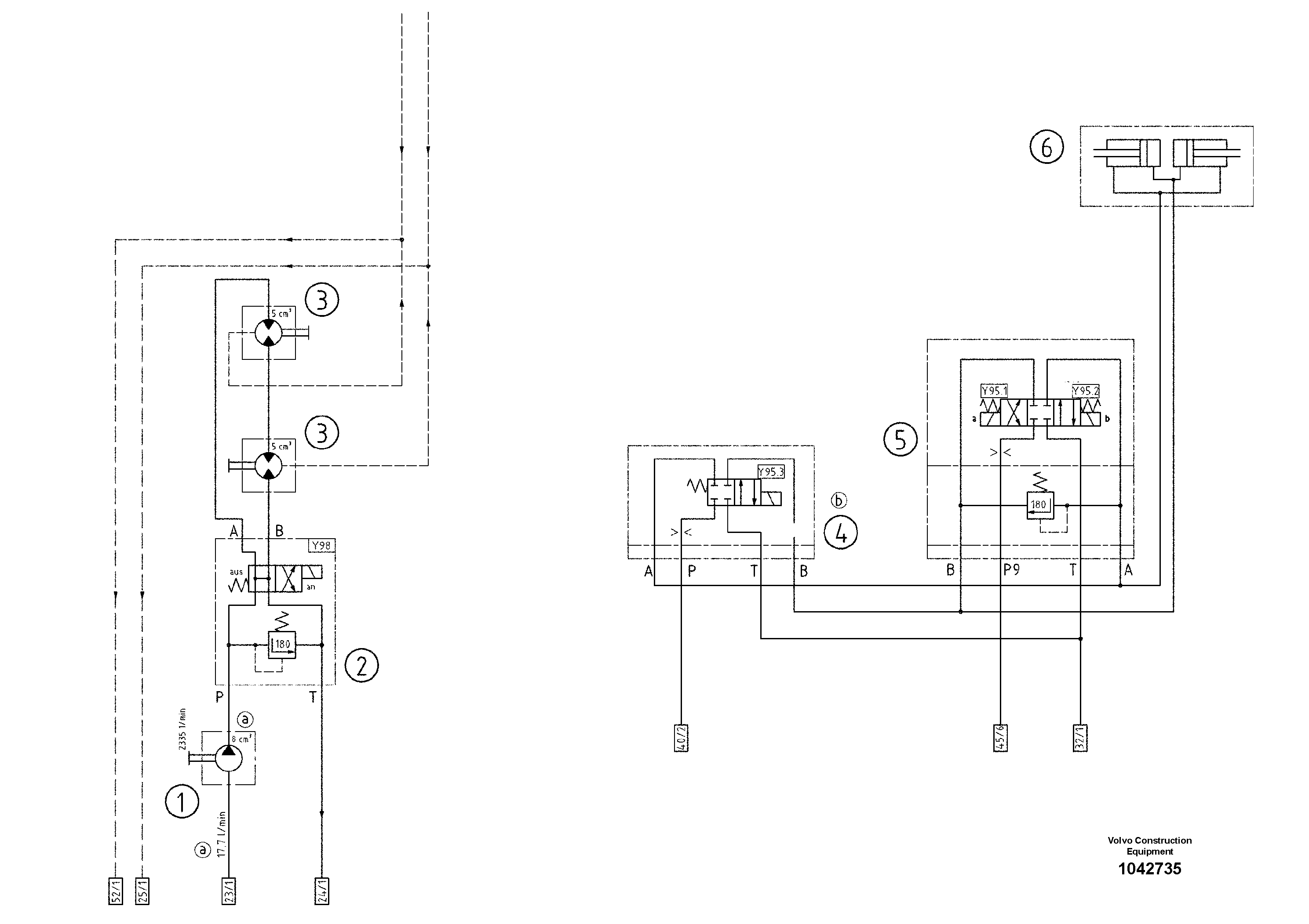
Запчасти Volvo ABG7820 45041 Diagram ABG7820/ABG7820B ABG7820 S/N 21064-23058 ABG7820B S/N 23059 -

Схема запчастей Volvo ABG7820 - 45041 Diagram ABG7820/ABG7820B ABG7820 S/N 21064-23058 ABG7820B S/N 23059 -
FIT
1:1
100%

Артикул

Название

Примечание

Количество

1

RM 80789886

Пилотный (шестерёнчатый) насос

S/N 18235-

1шт.

2

RM 14324966

Клапан

1шт.

2

RM 14324966

Клапан

1шт.

3

RM 54494554

Гидромотор

1шт.

3

RM 54494554

Гидромотор

1шт.

4

RM 80877178

Directional valve

S/N 20940-

1шт.

4

RM 80877178

Directional valve

S/N 20940-

1шт.

Выбрано товаров: 7