Запчасти Volvo ABG7820 69136 Engine / Tank ABG7820/ABG7820B ABG7820 S/N 21064-23058 ABG7820B S/N 23059 -

Схема запчастей Volvo ABG7820 - 69136 Engine / Tank ABG7820/ABG7820B ABG7820 S/N 21064-23058 ABG7820B S/N 23059 -
FIT
1:1
100%

Артикул

Название

Примечание

Количество

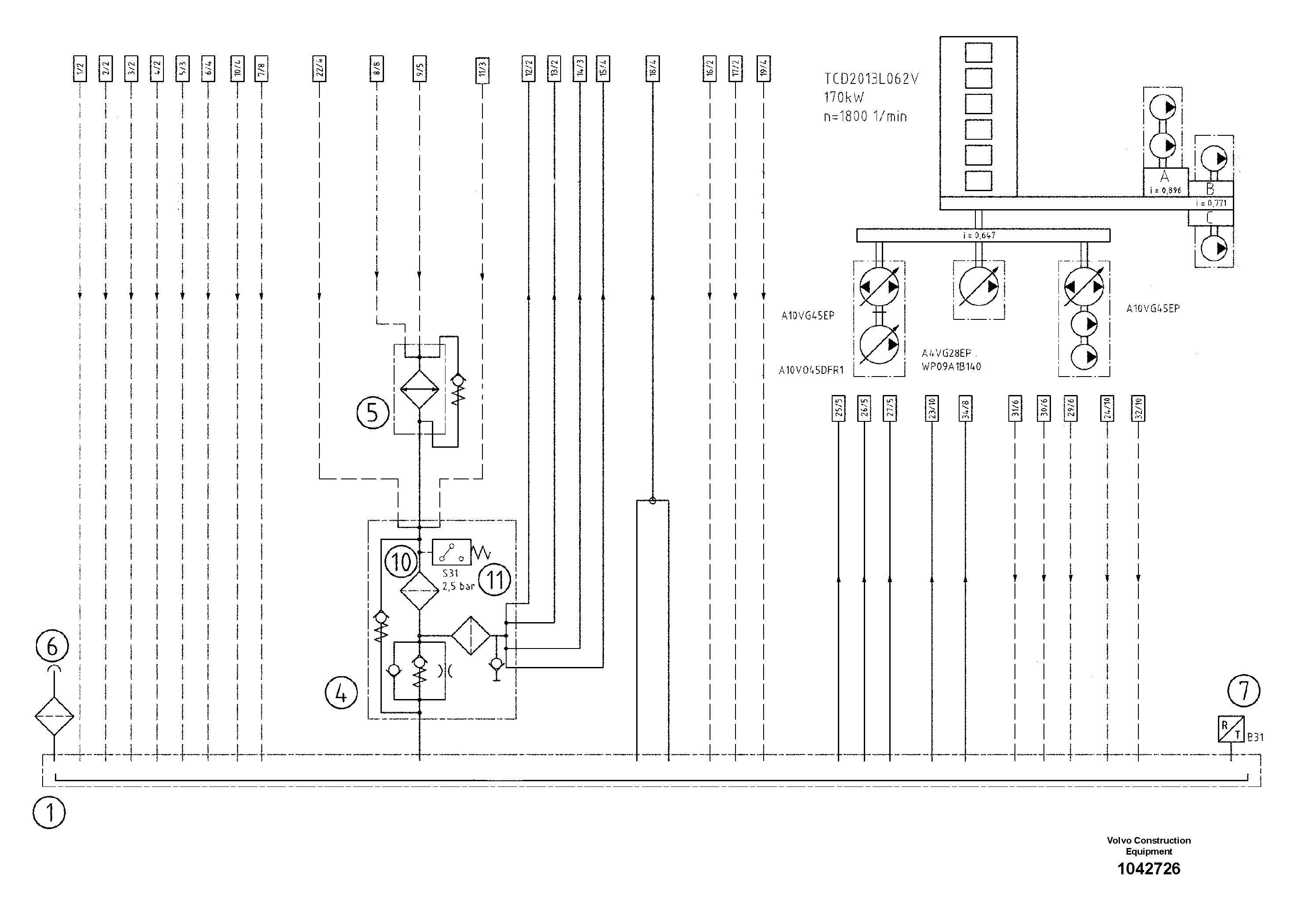
1

RM 80677685

Масляный бак

1шт.

1

RM 80677685

Масляный бак

1шт.

10

RM 80681281

Hydraulic fluid filter

ELEMENT

1шт.

10

RM 80681281

Hydraulic fluid filter

ELEMENT

1шт.

11

RM 80634868

Indicator

1шт.

11

RM 80634868

Indicator

1шт.

4

RM 80679749

Фильтр топливный

REVERSE SECTION

1шт.

4

RM 80679749

Фильтр топливный

REVERSE SECTION

1шт.

5

RM 80728710

Масляный радиатор

1шт.

5

RM 80728710

Масляный радиатор

1шт.

6

RM 80740731

Фильтр топливный

1шт.

6

RM 80740731

Фильтр топливный

1шт.

7

RM 80735186

Temperature sensor

PT100

1шт.

7

RM 80735186

Temperature sensor

PT100

1шт.

Выбрано товаров: 14