Запчасти Volvo ABG7820 76759 Auger extension, Variomatic VB 88 ETC ATT. SCREED 3,0 - 10,0M ABG6820, ABG7820/ABG7820B

Схема запчастей Volvo ABG7820 - 76759 Auger extension, Variomatic VB 88 ETC ATT. SCREED 3,0 - 10,0M ABG6820, ABG7820/ABG7820B
FIT
1:1
100%

Артикул

Название

Примечание

Количество

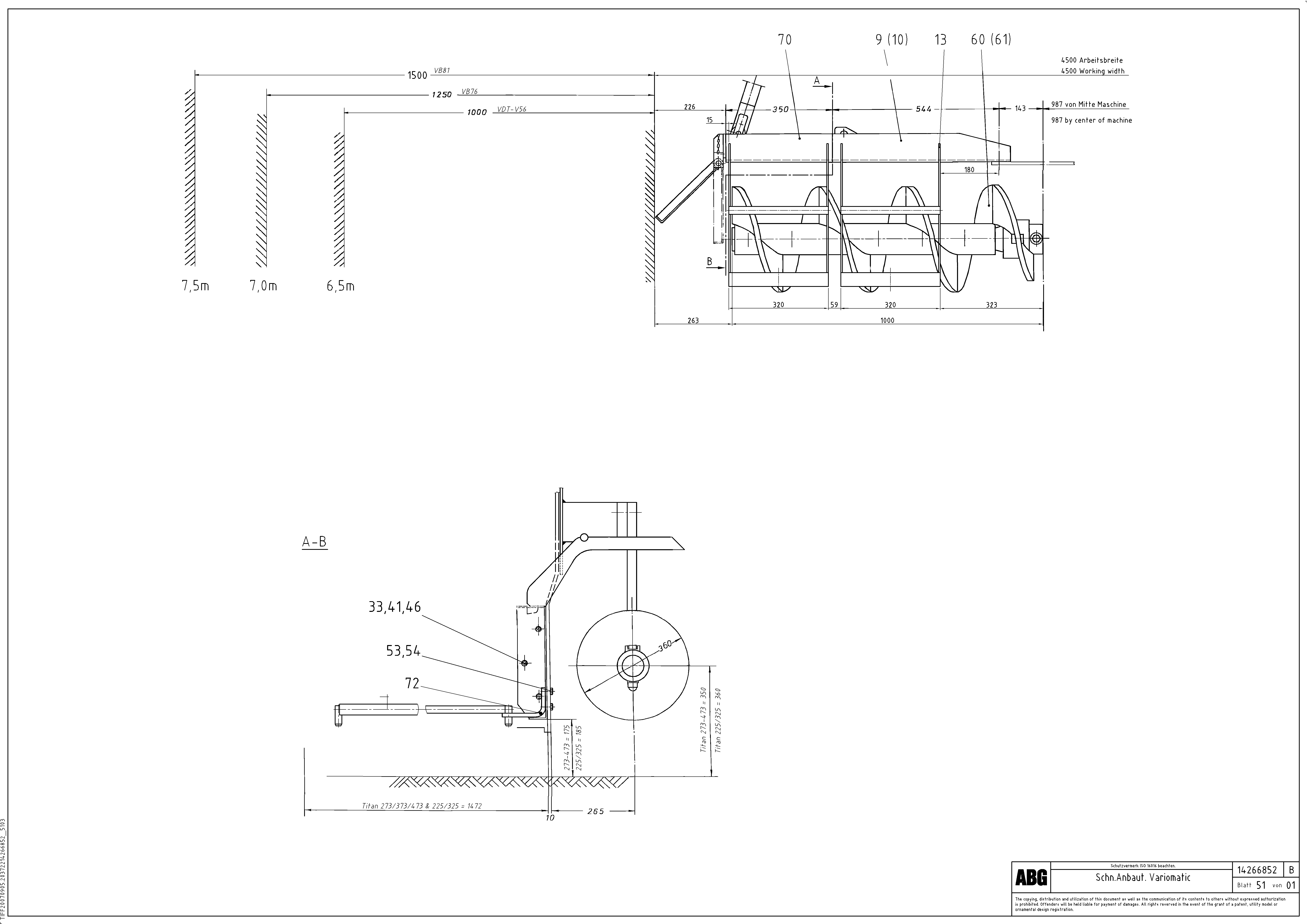
10

RM 13934807

Support Plate

RH S/N 51 - 9779

1шт.

10

RM 56265267

Пластина

RH S/N 9780 -

1шт.

13

RM 56264542

Protecting grating

S/N 9780 -

1шт.

13

RM 13934831

Protective Grating

S/N 51 - 9779

1шт.

33

RM 96720651

Винт шестигранник

S/N 96 -

1шт.

33

RM 96720651

Винт шестигранник

S/N 96 -

1шт.

34

RM 96720669

Винт шестигранник

S/N 51 - 9779

1шт.

34

RM 96720669

Винт шестигранник

S/N 51 - 9779

1шт.

35

RM 96721493

Винт шестигранник

S/N 51 - 9779

1шт.

35

RM 96721493

Винт шестигранник

S/N 51 - 9779

1шт.

41

RM 96719182

Hexagon nut

1шт.

41

RM 96719182

Hexagon nut

1шт.

42

RM 14083463

Гайка

1шт.

42

RM 14083463

Гайка

1шт.

46

RM 14261028

Стопорная шайба (кольцо)

S/N 96 -

1шт.

46

RM 14261028

Стопорная шайба (кольцо)

S/N 96 -

1шт.

53

RM 96720636

Винт шестигранник

1шт.

53

RM 96720636

Винт шестигранник

1шт.

54

RM 14261002

Стопорная шайба (кольцо)

1шт.

54

RM 14261002

Стопорная шайба (кольцо)

1шт.

60

RM 13928015

Auger

LH S/N 96 -

1шт.

61

RM 13928023

Auger

RH S/N 96 -

1шт.

70

RM 13944699

Support Plate

S/N 51 - 9779

1шт.

70

RM 56264815

Support plate

S/N 9780 -

1шт.

71

RM 13944707

Protective Grating

S/N 51 - 9779

1шт.

72

RM 14046320

Кронштейн

1шт.

9

RM 56265259

Пластина

LH S/N 9780 -

1шт.

9

RM 13934799

Support Plate

LH S/N 51 - 9779

1шт.

Выбрано товаров: 28