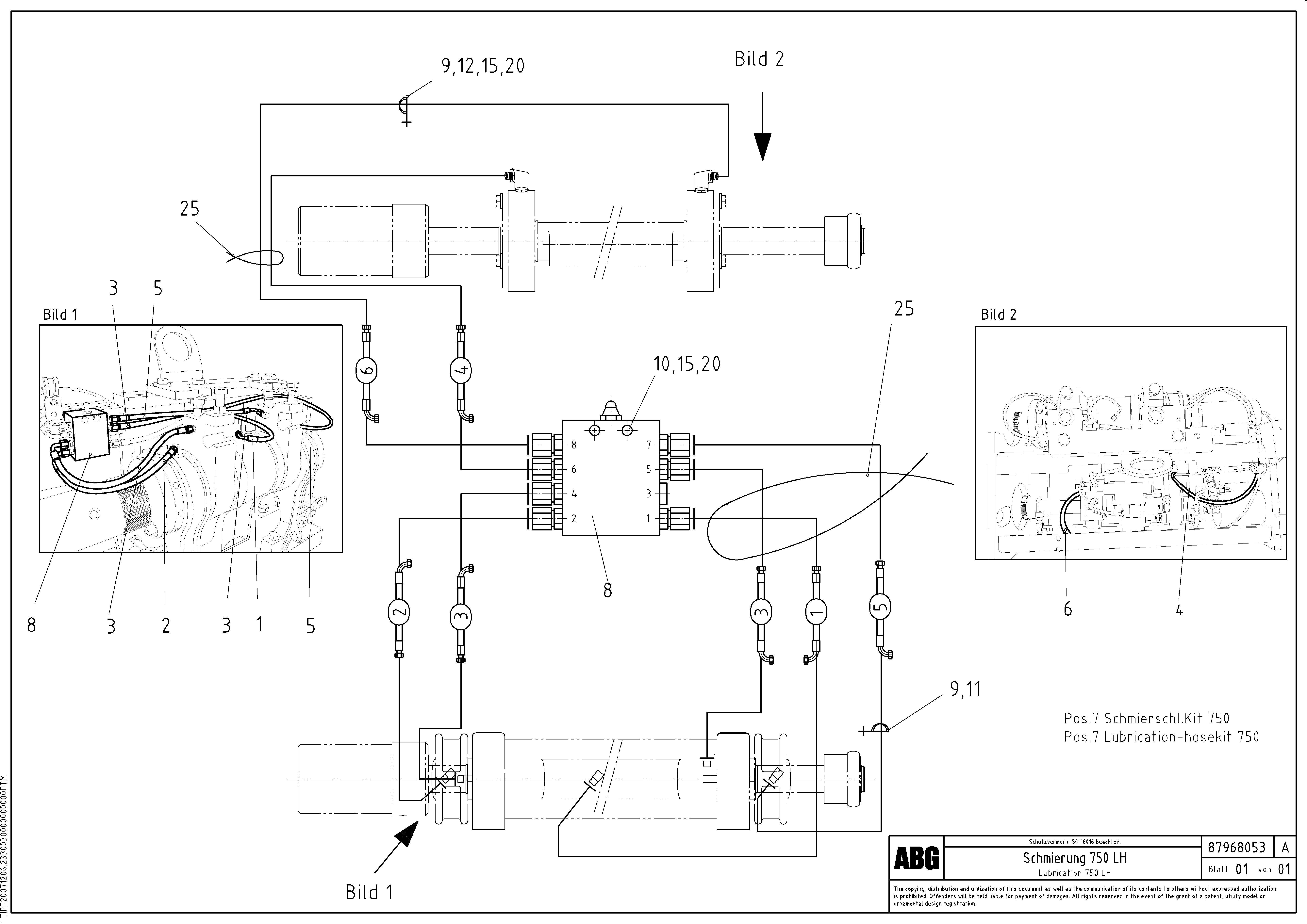
Запчасти Volvo ABG7820B 79507 Lubrication hose kit for extension VDT-V 88 ETC ATT. SCREEDS 3,0 - 9,0M ABG7820, ABG7820B

Схема запчастей Volvo ABG7820B - 79507 Lubrication hose kit for extension VDT-V 88 ETC ATT. SCREEDS 3,0 - 9,0M ABG7820, ABG7820B
FIT
1:1
100%

Артикул

Название

Примечание

Количество

1

RM 54507710

Шланг

L=500MM

1шт.

10

RM 96714134

Винт шестигранник

1шт.

10

RM 96714134

Винт шестигранник

1шт.

11

RM 96714233

Винт шестигранник

1шт.

11

RM 96714233

Винт шестигранник

1шт.

12

RM 96714241

Винт шестигранник

1шт.

12

RM 96714241

Винт шестигранник

1шт.

15

RM 14083448

Hexagon nut

1шт.

15

RM 14083448

Hexagon nut

1шт.

2

RM 87968533

Шланг

L=300MM

1шт.

20

RM 96712880

Шайба

1шт.

20

RM 96712880

Шайба

1шт.

25

RM 13909932

Tape

1шт.

25

RM 13909932

Tape

1шт.

3

RM 54701313

Шланг

L=350MM

1шт.

4

RM 54589510

Шланг

L=450MM

1шт.

5

RM 87968541

Шланг

L=800MM

1шт.

6

RM 54701305

Шланг

L=900MM

1шт.

7

RM 54507710

Шланг

L=500MM

1шт.

7

RM 87968038

Hose assembly

1шт.

7

RM 54589510

Шланг

L=450MM

1шт.

7

RM 54701313

Шланг

L=350MM

1шт.

7

RM 87968533

Шланг

L=300MM

1шт.

7

RM 54701305

Шланг

L=900MM

1шт.

7

RM 87968541

Шланг

L=800MM

1шт.

8

RM 80612047

Valve Body

S/N 13731 -

1шт.

8

RM 54660261

Distributor

1шт.

8

RM 14211833

Grease nipple

1шт.

8

RM 14211833

Grease nipple

1шт.

8

RM 56290224

Винт шестигранник (торцевой ключ)

1шт.

8

RM 14199640

Distributor

1шт.

8

RM 80612047

Valve Body

1шт.

8

RM 87968178

Клапан

S/N 51 - 17265

1шт.

8

RM 80736101

Клапан

S/N 17266 -

1шт.

8

RM 54491261

Фиттинг

S/N 51 - 13730

1шт.

8

RM 56290224

Винт шестигранник (торцевой ключ)

1шт.

9

RM 13938337

Зажим

1шт.

9

RM 13938337

Зажим

1шт.

Выбрано товаров: 38