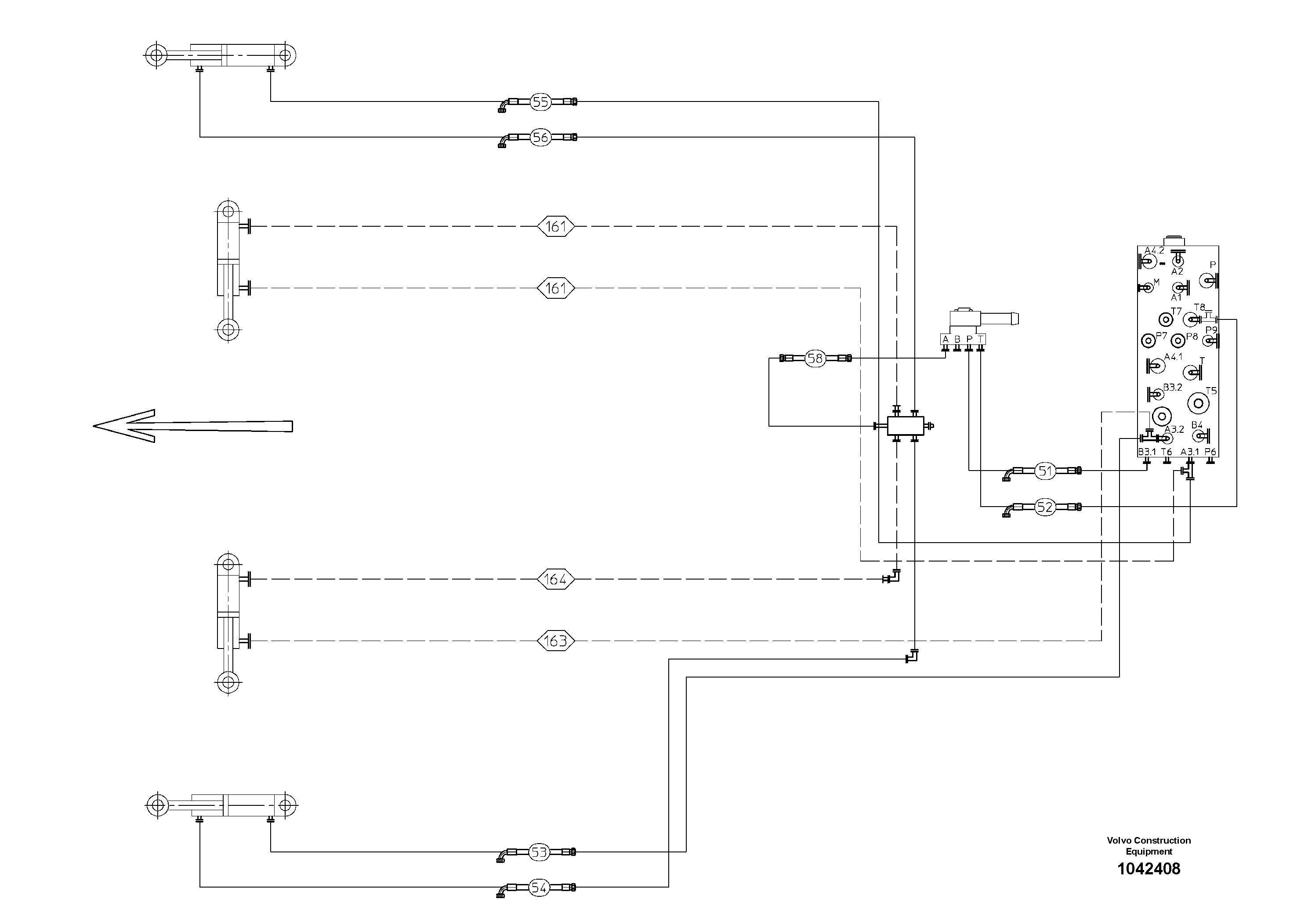
Запчасти Volvo ABG7820B 43923 Hydraulic Front Apron Plate ABG7820/ABG7820B ABG7820 S/N 21064-23058 ABG7820B S/N 23059 -

Схема запчастей Volvo ABG7820B - 43923 Hydraulic Front Apron Plate ABG7820/ABG7820B ABG7820 S/N 21064-23058 ABG7820B S/N 23059 -
FIT
1:1
100%

Артикул

Название

Примечание

Количество

51

RM 54737515

Шланг

1шт.

51

RM 54737515

Шланг

1шт.

52

RM 80702590

Шланг

1шт.

52

RM 80702590

Шланг

1шт.

53

RM 80702608

Шланг

S/N 19594-

1шт.

53

RM 80702608

Шланг

S/N 19594-

1шт.

54

RM 80830011

Шланг

S/N 19594-

1шт.

54

RM 80830011

Шланг

S/N 19594-

1шт.

55

RM 80702616

Шланг

S/N 19594-

1шт.

55

RM 80702616

Шланг

S/N 19594-

1шт.

56

RM 80830003

Шланг

S/N 19594-

1шт.

56

RM 80830003

Шланг

S/N 19594-

1шт.

58

RM 80742307

Шланг

S/N 19594-

1шт.

58

RM 80742307

Шланг

S/N 19594-

1шт.

Выбрано товаров: 14