Запчасти Volvo ABG7820B 53419 Hydraulic Vb Screeds ABG7820/ABG7820B ABG7820 S/N 21064-23058 ABG7820B S/N 23059 -

Схема запчастей Volvo ABG7820B - 53419 Hydraulic Vb Screeds ABG7820/ABG7820B ABG7820 S/N 21064-23058 ABG7820B S/N 23059 -
FIT
1:1
100%

Артикул

Название

Примечание

Количество

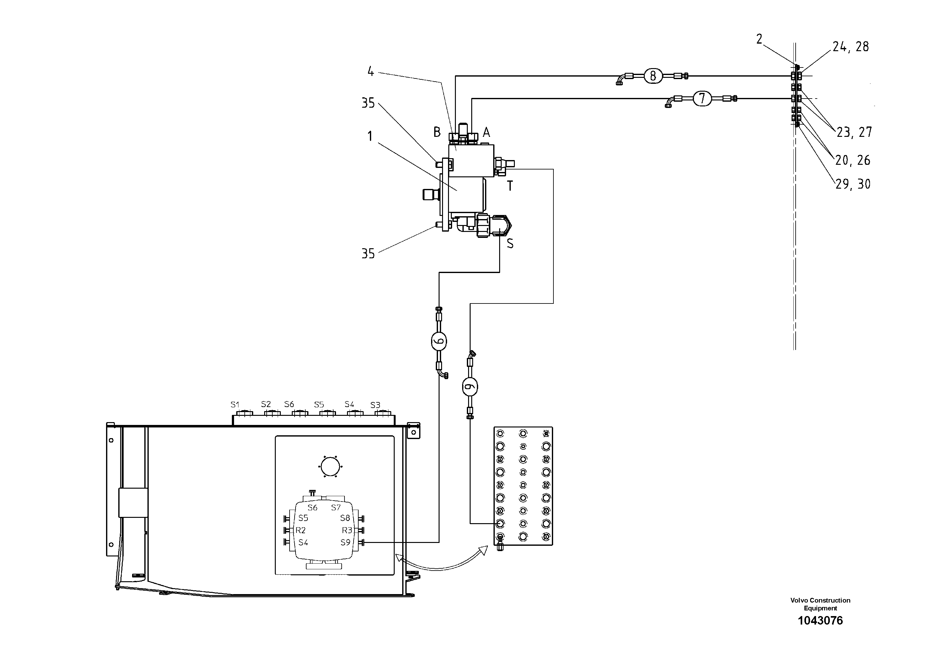
1

RM 80782121

Tamper Pump

1шт.

2

RM 80812506

Connecting plate

LH

1шт.

20

RM 58838343

Пробка (заглушка)

1шт.

20

RM 58838343

Пробка (заглушка)

1шт.

23

RM 58865973

Пробка (заглушка)

1шт.

23

RM 58865973

Пробка (заглушка)

1шт.

24

RM 13911391

Пробка (заглушка)

1шт.

24

RM 13911391

Пробка (заглушка)

1шт.

26

RM 58903295

Гайка

1шт.

26

RM 58903295

Гайка

1шт.

27

RM 14090864

Гайка

1шт.

27

RM 14090864

Гайка

1шт.

28

RM 14089452

Гайка

1шт.

29

RM 96722137

Винт шестигранник

1шт.

29

RM 96722137

Винт шестигранник

1шт.

30

RM 14261002

Стопорная шайба (кольцо)

1шт.

30

RM 14261002

Стопорная шайба (кольцо)

1шт.

35

RM 96718879

Винт шестигранник

S/N 17958-

1шт.

35

RM 96718879

Винт шестигранник

S/N 17958-

1шт.

4

RM 80614100

Valve block

S/N 17958-

1шт.

4

RM 80614100

Valve block

S/N 17958-

1шт.

5

RM 80758337

Hose kit

1шт.

6

RM 80761901

Шланг

1шт.

7

RM 56248321

Шланг

1шт.

8

RM 54614771

Шланг

1шт.

9

RM 13936380

Шланг

1шт.

Выбрано товаров: 26