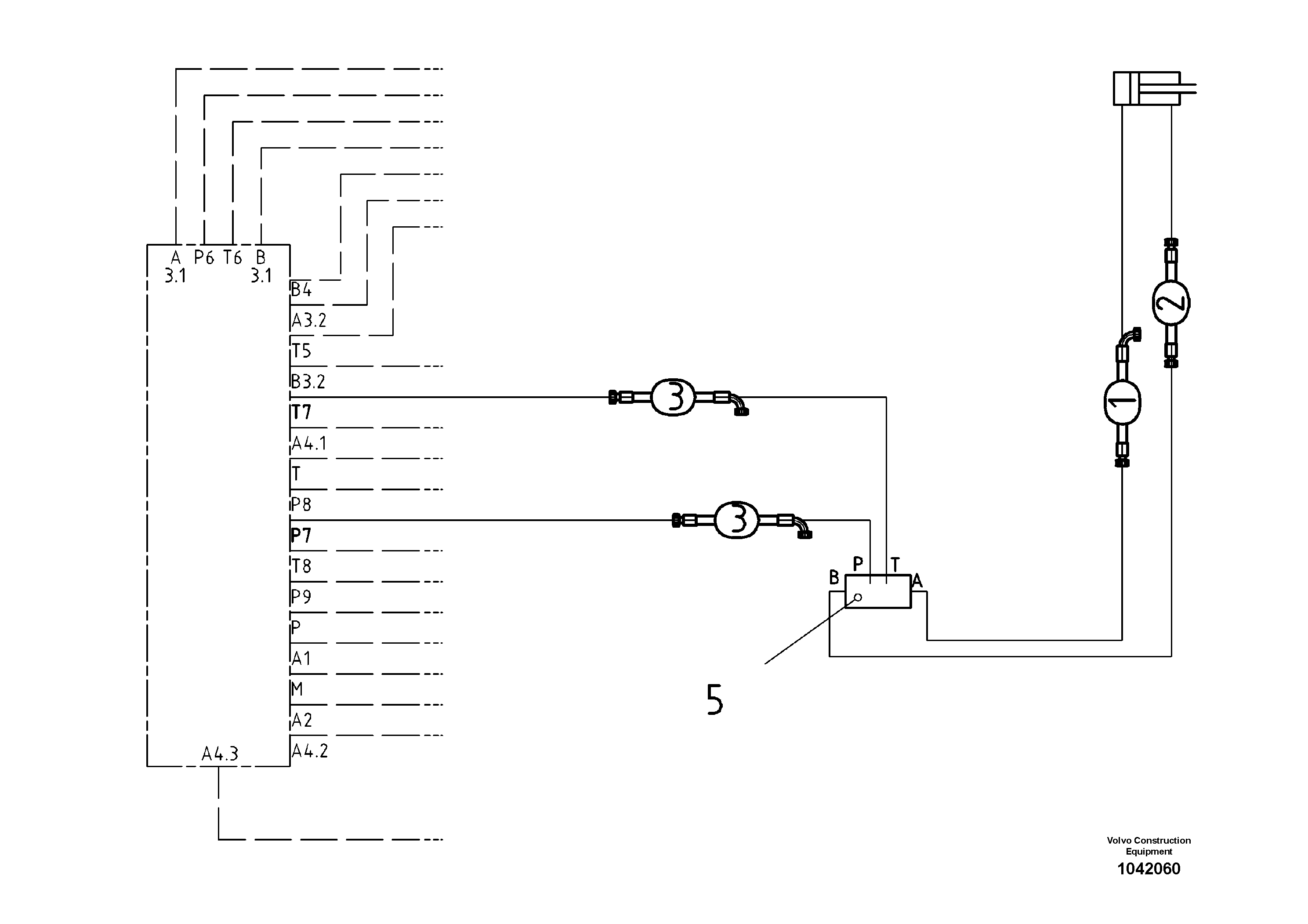
Запчасти Volvo ABG7820B 42303 Hydraulic Auger Height Adjustment ABG7820/ABG7820B ABG7820 S/N 21064-23058 ABG7820B S/N 23059 -

Схема запчастей Volvo ABG7820B - 42303 Hydraulic Auger Height Adjustment ABG7820/ABG7820B ABG7820 S/N 21064-23058 ABG7820B S/N 23059 -
FIT
1:1
100%

Артикул

Название

Примечание

Количество

1

RM 54496914

Шланг

1шт.

1

RM 54496914

Шланг

1шт.

2

RM 14202634

Шланг

1шт.

2

RM 14202634

Шланг

1шт.

3

RM 80471071

Шланг

1шт.

3

RM 80471071

Шланг

1шт.

5

RM 54717038

Valve block

1шт.

5

RM 54717038

Valve block

1шт.

Выбрано товаров: 8