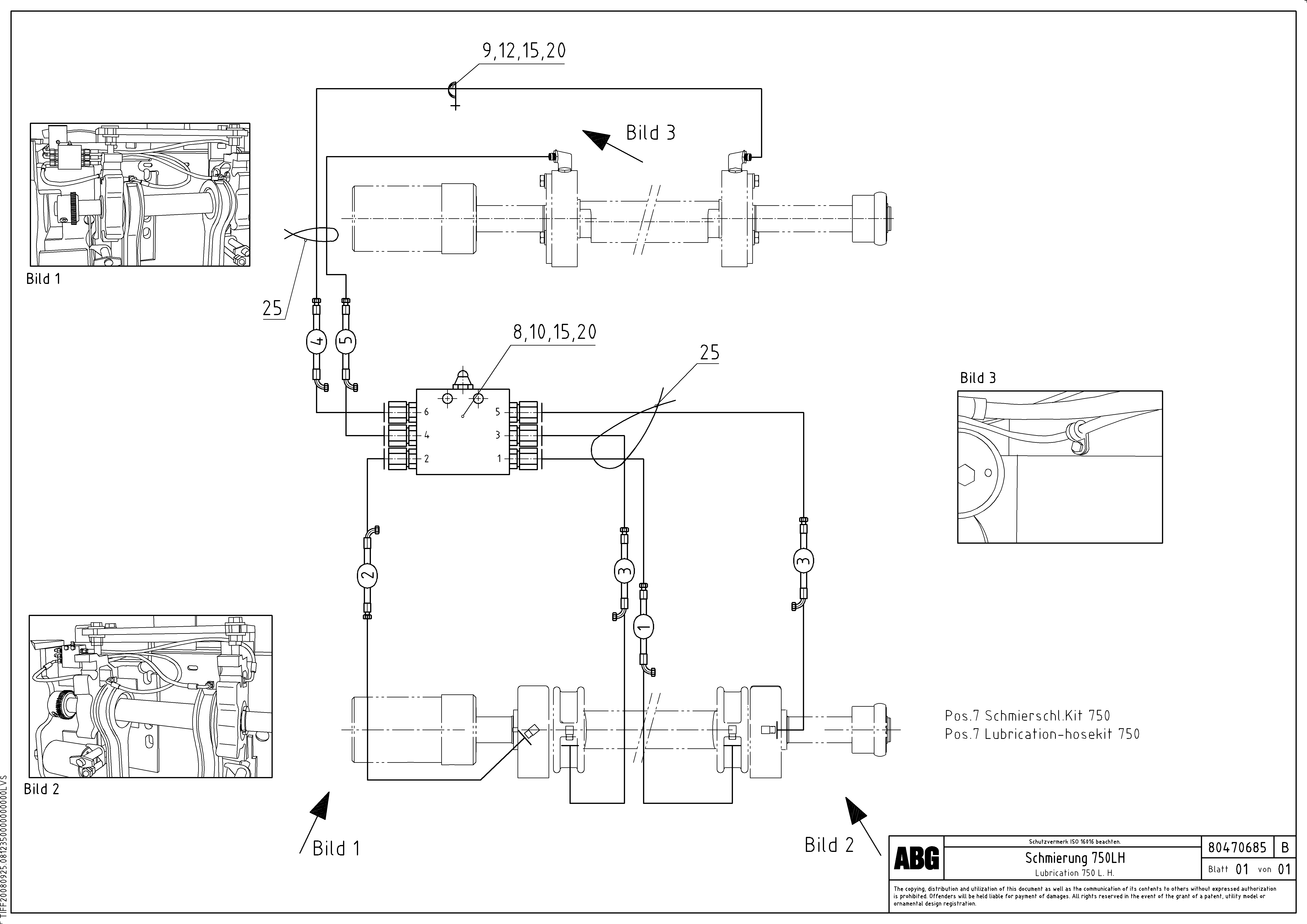
Запчасти Volvo ABG8820 77311 Lubrication for extension VB 88 ETC ATT. SCREED 3,0 - 10,0M ABG8820, ABG8820B

Схема запчастей Volvo ABG8820 - 77311 Lubrication for extension VB 88 ETC ATT. SCREED 3,0 - 10,0M ABG8820, ABG8820B
FIT
1:1
100%

Артикул

Название

Примечание

Количество

1

RM 54507736

Шланг

1шт.

10

RM 96714134

Винт шестигранник

1шт.

10

RM 96714134

Винт шестигранник

1шт.

12

RM 96714241

Винт шестигранник

1шт.

12

RM 96714241

Винт шестигранник

1шт.

15

RM 14083448

Hexagon nut

1шт.

15

RM 14083448

Hexagon nut

1шт.

2

RM 54511852

Шланг

1шт.

20

RM 96712880

Шайба

1шт.

20

RM 96712880

Шайба

1шт.

25

RM 13909932

Tape

1шт.

25

RM 13909932

Tape

1шт.

3

RM 54507710

Шланг

1шт.

4

RM 87974333

Шланг

1шт.

5

RM 54589510

Шланг

1шт.

7

RM 80470677

Hose Kit

1шт.

8

RM 54495247

Корпус клапана (коллектор)

1шт.

9

RM 13938337

Зажим

1шт.

9

RM 13938337

Зажим

1шт.

Выбрано товаров: 19