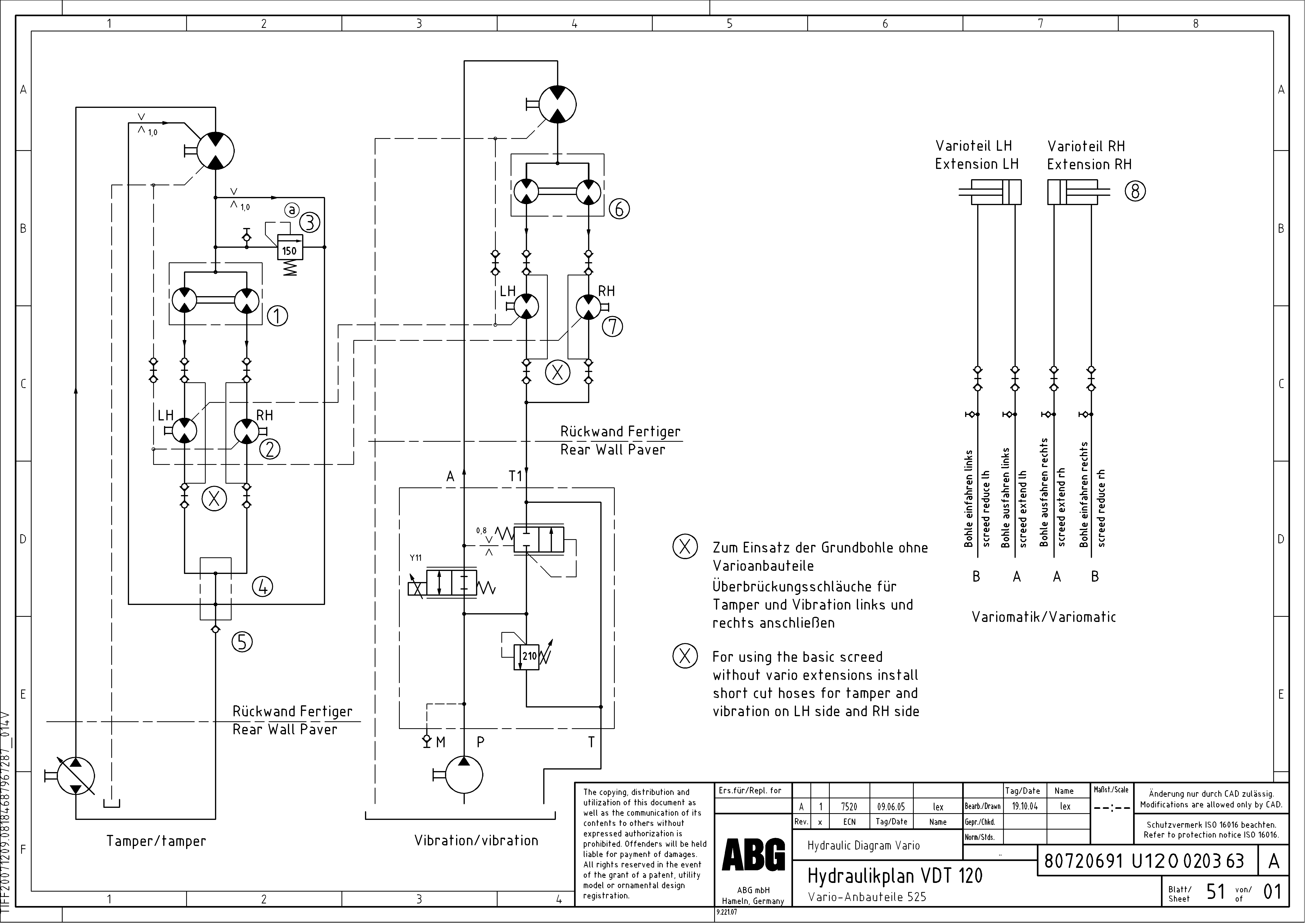
Запчасти Volvo ABG8820 68910 Hydraulics Vario VDT 120 VDT 121 VARIO ATT.SCREED 9,0 - 12,0M ABG8820/ABG8820B

Схема запчастей Volvo ABG8820 - 68910 Hydraulics Vario VDT 120 VDT 121 VARIO ATT.SCREED 9,0 - 12,0M ABG8820/ABG8820B
FIT
1:1
100%

Артикул

Название

Примечание

Количество

1

RM 80695968

Flow Distributor

1шт.

2

RM 13943261

Гидромотор

1шт.

3

RM 14135925

Клапан предохранительный (разгрузочный, сброса давления)

S/N 18827 -

1шт.

3

RM 14135925

Клапан предохранительный (разгрузочный, сброса давления)

S/N 18827 -

1шт.

3

RM 14116693

Клапан предохранительный (разгрузочный, сброса давления)

S/N 51 - 18826

1шт.

4

RM 80709207

Return Line

1шт.

5

RM 80710452

Non-return valve

1шт.

6

RM 80695950

Flow Distributor

1шт.

7

RM 13967351

Гидромотор

1шт.

8

RM 80630742

Гидроцилиндр

1шт.

Выбрано товаров: 10