Запчасти Volvo ABG8820 27253 Hydraulic Of Fumes Recovery ABG8820/ABG8820B ABG8820 S/N 21098-23354 ABG8820B S/N 23355-

Схема запчастей Volvo ABG8820 - 27253 Hydraulic Of Fumes Recovery ABG8820/ABG8820B ABG8820 S/N 21098-23354 ABG8820B S/N 23355-
FIT
1:1
100%

Артикул

Название

Примечание

Количество

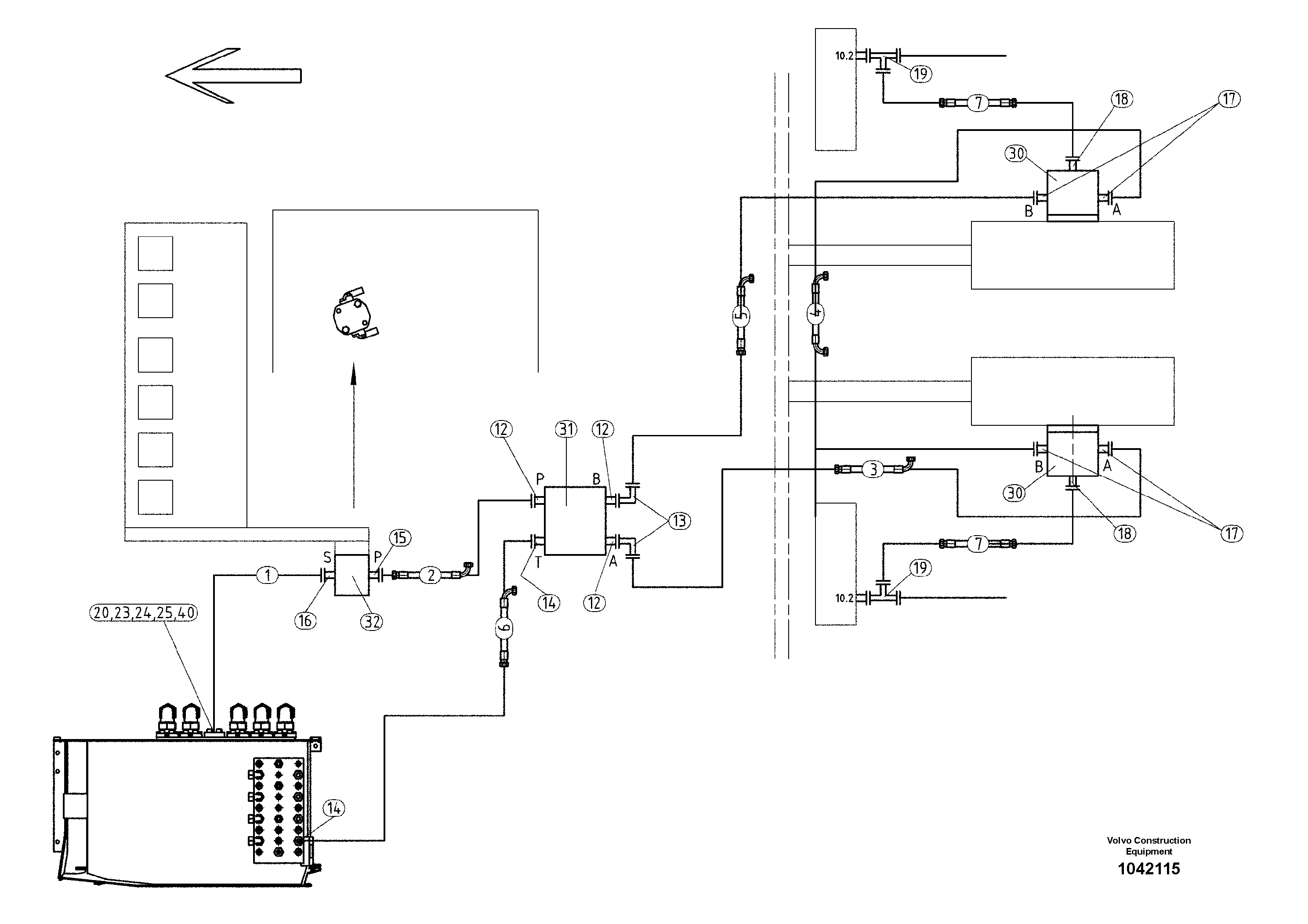
1

RM 80731730

Шланг

1шт.

10

RM 80730740

Hose kit

1шт.

12

RM 14079297

Пробка (заглушка)

1шт.

12

RM 14079297

Пробка (заглушка)

1шт.

13

RM 58824210

Фиттинг

1шт.

13

RM 58824210

Фиттинг

1шт.

14

RM 58900960

Шпилька

1шт.

14

RM 58900960

Шпилька

1шт.

15

RM 13905757

Connecting flange

1шт.

16

RM 13905740

Elbow

1шт.

17

RM 13907829

Шпилька

1шт.

17

RM 13907829

Шпилька

1шт.

18

RM 14132476

Фиттинг

1шт.

18

RM 14132476

Фиттинг

1шт.

19

RM 14102487

Фиттинг

1шт.

19

RM 14102487

Фиттинг

1шт.

2

RM 56249766

Шланг

1шт.

20

VOE 935309

Flange half

1шт.

20

VOE 935309

Flange half

1шт.

21

RM 80891377

Pin connector

S/N -21236

1шт.

23

RM 80684988

Трубка

S/N 21237-

1шт.

24

RM 14117121

Фиттинг

S/N 21237-

1шт.

25

RM 58864679

Кольцо уплотнительное (О-кольцо)

1шт.

25

RM 58864679

Кольцо уплотнительное (О-кольцо)

1шт.

3

RM 80668270

Шланг

1шт.

3

RM 80668270

Шланг

1шт.

30

RM 54494554

Гидромотор

1шт.

30

RM 54494554

Гидромотор

1шт.

31

RM 14158042

Valve block

1шт.

31

RM 14158042

Valve block

1шт.

32

RM 80621493

Пилотный (шестерёнчатый) насос

1шт.

32

RM 80621493

Пилотный (шестерёнчатый) насос

1шт.

4

RM 80731748

Шланг

1шт.

40

RM 96725015

Винт шестигранник (торцевой ключ)

1шт.

40

RM 96725015

Винт шестигранник (торцевой ключ)

1шт.

5

RM 87972899

Hydraulic hose

1шт.

6

RM 13941083

Hydraulic hose

1шт.

7

RM 13999784

Шланг

1шт.

Выбрано товаров: 38