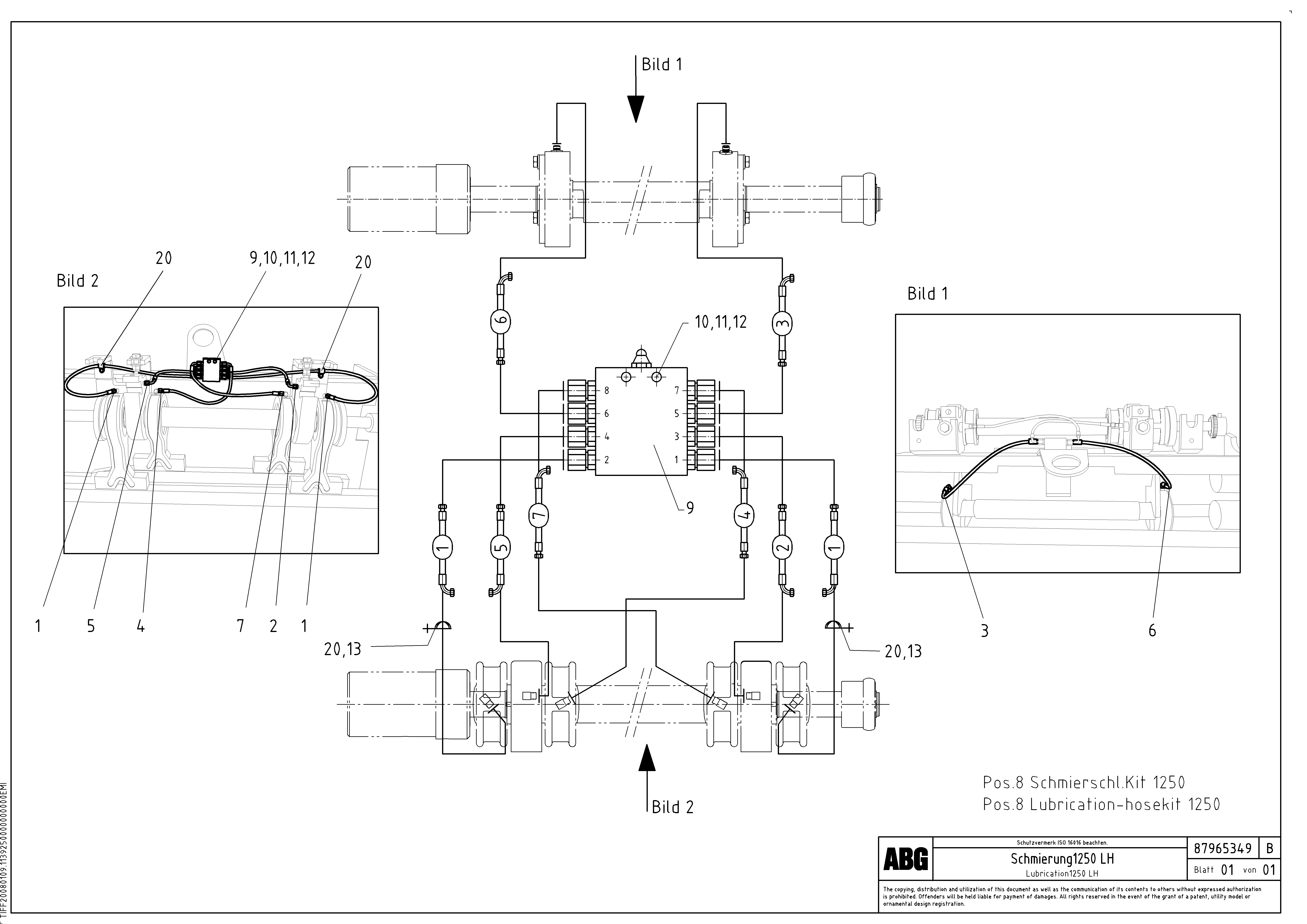
Запчасти Volvo ABG8820 63057 Lubrication hose kit for extension VDT-V 89 ETC ATT. SCREEDS 3,0 - 9,0M ABG8820, ABG8820B

Схема запчастей Volvo ABG8820 - 63057 Lubrication hose kit for extension VDT-V 89 ETC ATT. SCREEDS 3,0 - 9,0M ABG8820, ABG8820B
FIT
1:1
100%

Артикул

Название

Примечание

Количество

1

RM 54522495

Шланг

1шт.

10

RM 96718721

Винт шестигранник

S/N 51 - 13123

1шт.

10

RM 96718721

Винт шестигранник

S/N 51 - 13123

1шт.

10

RM 96714134

Винт шестигранник

S/N 13124 -

1шт.

10

RM 96714134

Винт шестигранник

S/N 13124 -

1шт.

11

RM 14083448

Hexagon nut

1шт.

11

RM 14083448

Hexagon nut

1шт.

12

RM 96712880

Шайба

1шт.

12

RM 96712880

Шайба

1шт.

13

RM 96714233

Винт шестигранник

1шт.

13

RM 96714233

Винт шестигранник

1шт.

2

RM 54511852

Шланг

1шт.

20

RM 13938337

Зажим

1шт.

20

RM 13938337

Зажим

1шт.

3

RM 54589510

Шланг

1шт.

4

RM 54701313

Шланг

1шт.

5

RM 54511878

Шланг

1шт.

6

RM 54507710

Шланг

1шт.

7

RM 54507736

Шланг

1шт.

8

RM 87965471

Hose Kit

1шт.

9

RM 87900247

Корпус клапана (коллектор)

S/N 51 - 17265

1шт.

9

RM 80736002

Корпус клапана (коллектор)

S/N 17266 -

1шт.

Выбрано товаров: 22