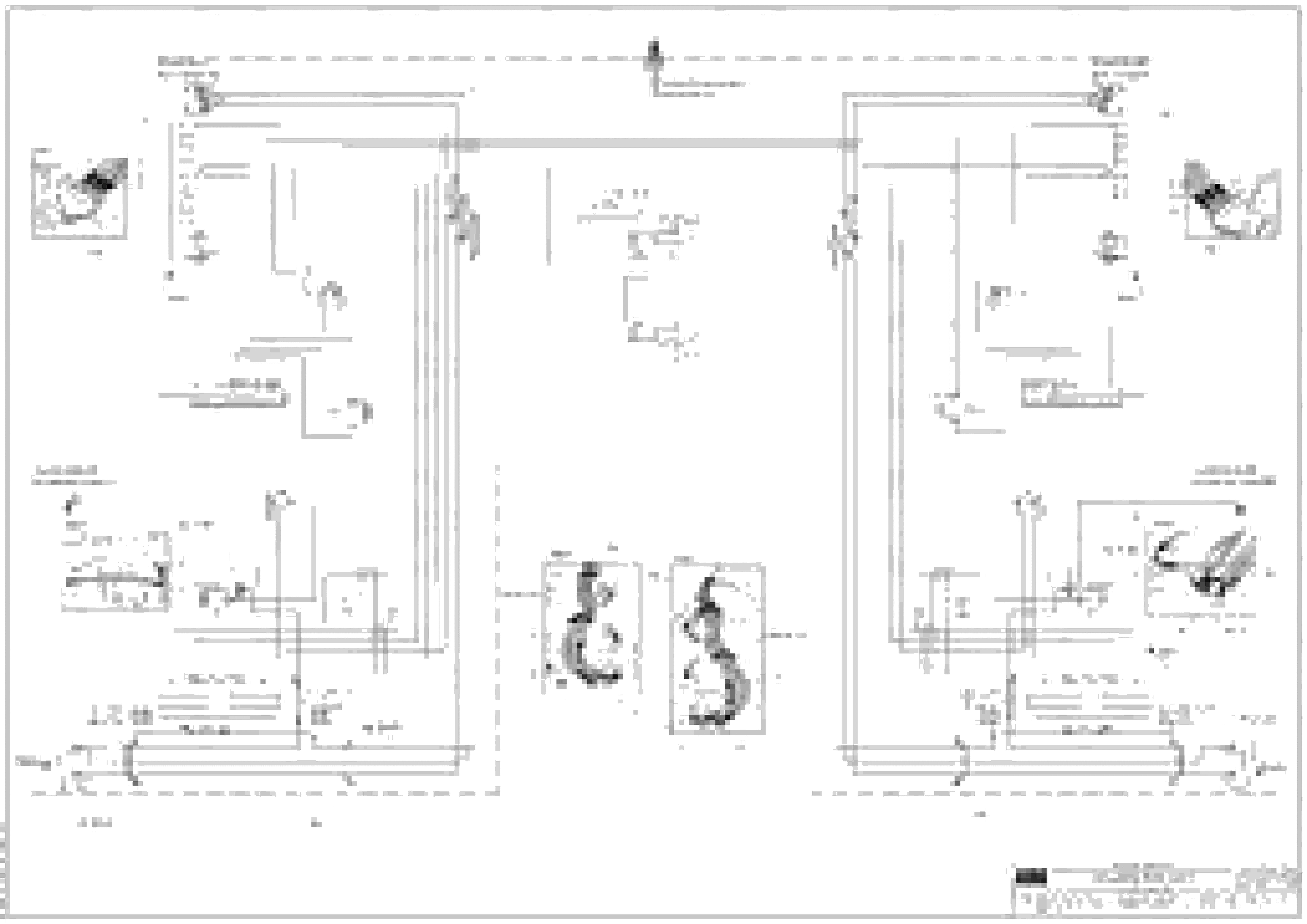
Запчасти Volvo ABG8820 83964 Hose-line, height-adjustment on basic and extandable screed VB 78 ETC ATT. SCREED 2,5 - 9,0 M ABG8820/ABG8820B

Схема запчастей Volvo ABG8820 - 83964 Hose-line, height-adjustment on basic and extandable screed VB 78 ETC ATT. SCREED 2,5 - 9,0 M ABG8820/ABG8820B
FIT
1:1
100%

Артикул

Название

Примечание

Количество

1

RM 14201495

Шланг

S/N 13800 -

1шт.

1

RM 54577127

Шланг

S/N 51 - 13799

1шт.

10

RM 14324230

Hose Clamp

1шт.

11

RM 14324909

Тарелка клапана

LH

1шт.

12

RM 14324917

Тарелка клапана

RH

1шт.

16

RM 56251168

Шпилька

1шт.

17

RM 14090351

Фиттинг

1шт.

17

RM 14090351

Фиттинг

1шт.

18

RM 54536719

Nipple

1шт.

2

RM 54530951

Шланг

S/N 13800 -

1шт.

2

RM 54577135

Шланг

S/N 51 - 13799

1шт.

20

RM 96713177

Винт шестигранник

S/N 51 - 15224

1шт.

20

RM 96713177

Винт шестигранник

S/N 51 - 15224

1шт.

20

RM 96712922

Винт шестигранник (торцевой ключ)

S/N 15225 -

1шт.

20

RM 96712922

Винт шестигранник (торцевой ключ)

S/N 15225 -

1шт.

22

RM 14083455

Hexagon nut

1шт.

22

RM 14083455

Hexagon nut

1шт.

3

RM 54530969

Шланг

S/N 51 - 13799

1шт.

3

RM 54705835

Шланг

S/N 13800 -

1шт.

4

RM 56249824

Hydraulic Hose

1шт.

5

RM 13936299

Шланг

1шт.

5

RM 13936299

Шланг

1шт.

6

RM 14324776

Hose assembly

KIT, SEE ITEM 1 - 5

1шт.

Выбрано товаров: 23