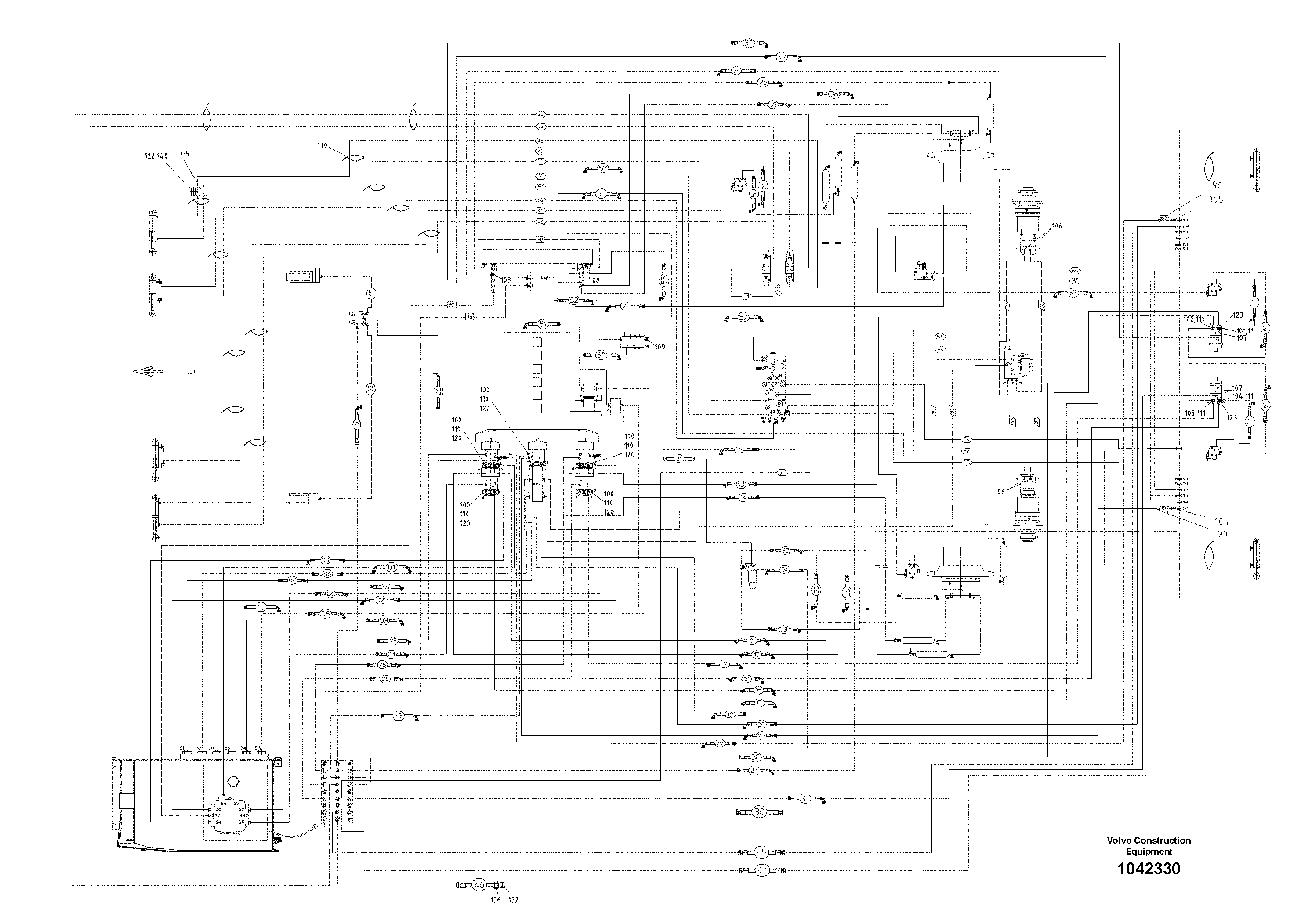
Запчасти Volvo ABG8820B 90820 Hose Lines ABG8820/ABG8820B ABG8820 S/N 21098-23354 ABG8820B S/N 23355-

Схема запчастей Volvo ABG8820B - 90820 Hose Lines ABG8820/ABG8820B ABG8820 S/N 21098-23354 ABG8820B S/N 23355-
FIT
1:1
100%

Артикул

Название

Примечание

Количество

1

RM 80688252

Шланг

1шт.

10

RM 80768013

Шланг

S/N 18000-

1шт.

100

RM 13926498

Фланец

1шт.

100

RM 13926498

Фланец

1шт.

101

RM 80693070

Фланец

1шт.

101

RM 80697154

Elbow

S/N 15853-, W/SAE-FLANGE

1шт.

102

RM 80697170

Elbow

S/N 15853-, W/SAE-FLANGE

1шт.

103

RM 80697147

Elbow

S/N 15853-, W/SAE-FLANGE

1шт.

104

RM 80697162

Elbow

S/N 15853-, W/SAE-FLANGE

1шт.

105

RM 58853300

Фиттинг

1шт.

105

RM 58853300

Фиттинг

1шт.

105

RM 87966065

Фиттинг

S/N 21000-

1шт.

106

RM 14281588

Фиттинг

1шт.

106

RM 14281588

Фиттинг

1шт.

107

RM 80891377

Pin connector

S/N 15853-

1шт.

108

RM 14095517

Фиттинг

S/N 15853-

1шт.

108

RM 14095517

Фиттинг

S/N 15853-

1шт.

109

RM 14090336

Fitting screw

S/N 15853-

1шт.

109

RM 14090336

Fitting screw

S/N 15853-

1шт.

11

RM 80688344

Шланг

1шт.

110

RM 58833013

Кольцо уплотнительное (О-кольцо)

1шт.

110

RM 58833013

Кольцо уплотнительное (О-кольцо)

1шт.

111

RM 58865569

Кольцо уплотнительное (О-кольцо)

S/N 15853-

1шт.

12

RM 80688351

Шланг

1шт.

120

RM 96713854

Винт шестигранник (торцевой ключ)

1шт.

120

RM 96713854

Винт шестигранник (торцевой ключ)

1шт.

122

RM 96713201

Винт шестигранник

1шт.

122

RM 96713201

Винт шестигранник

1шт.

123

RM 96709142

Болт

S/N 15853-

1шт.

13

RM 80688336

Шланг

1шт.

130

RM 13909932

Tape

1шт.

130

RM 13909932

Tape

1шт.

132

RM 56240153

Пробка (заглушка)

1шт.

132

RM 56240153

Пробка (заглушка)

1шт.

135

RM 14146369

Hose clamp

1шт.

135

RM 14146369

Hose clamp

1шт.

136

RM 13929294

Зажим

1шт.

136

RM 13929294

Зажим

1шт.

14

RM 80688328

Шланг

1шт.

140

RM 96712898

Плоская шайба

1шт.

140

RM 96712898

Плоская шайба

1шт.

15

RM 80690068

Шланг

1шт.

15

RM 80701832

Шланг

S/N 15853-

1шт.

16

RM 80690076

Шланг

1шт.

17

RM 80690092

Шланг

1шт.

17

RM 80701857

Шланг

S/N 15853-

1шт.

18

RM 80690084

Шланг

1шт.

18

RM 80701840

Шланг

S/N 15853-

1шт.

19

RM 80688567

Шланг

1шт.

2

RM 80688229

Шланг

1шт.

20

RM 80688559

Шланг

1шт.

21

RM 80697394

Шланг

S/N 16219-

1шт.

23

RM 80688500

Шланг

1шт.

24

RM 80688526

Шланг

1шт.

25

RM 80688443

Шланг

1шт.

26

RM 80688369

Шланг

1шт.

27

RM 80688468

Шланг

1шт.

28

RM 80688492

Шланг

1шт.

29

RM 80688450

Шланг

1шт.

3

RM 80688211

Шланг

1шт.

30

RM 80688534

Шланг

1шт.

31

RM 80688377

Шланг

1шт.

32

RM 80688393

Шланг

1шт.

33

RM 80688385

Шланг

1шт.

34

RM 13936299

Шланг

1шт.

34

RM 13936299

Шланг

1шт.

35

RM 80688542

Шланг

1шт.

36

RM 80688518

Шланг

1шт.

38

RM 80701816

Шланг

S/N 15853-

1шт.

38

RM 80690035

Шланг

1шт.

39

RM 80688427

Шланг

1шт.

4

RM 80688245

Шланг

1шт.

41

RM 80701824

Шланг

S/N 15853-

1шт.

41

RM 80690050

Шланг

1шт.

42

RM 80688435

Шланг

1шт.

43

RM 80688476

Шланг

1шт.

44

RM 80688419

Шланг

1шт.

45

RM 80688401

Шланг

1шт.

46

RM 80688484

Шланг

1шт.

5

RM 80688237

Шланг

1шт.

50

RM 58853938

Hydraulic hose

S/N 16219-

1шт.

50

RM 58853938

Hydraulic hose

S/N 16219-

1шт.

51

RM 80697402

Шланг

S/N 15853-

1шт.

52

RM 80697428

Шланг

S/N 15853-

1шт.

53

RM 80697436

Шланг

S/N 15853-

1шт.

55

RM 80697352

Шланг

S/N 15853-

1шт.

57

RM 80697444

Шланг

S/N 15853-

1шт.

58

RM 80697386

Шланг

S/N 15853-

1шт.

59

RM 80697378

Шланг

S/N 15853-

1шт.

6

RM 80688302

Шланг

1шт.

61

RM 80697360

Шланг

S/N 15853-

1шт.

7

RM 80688294

Шланг

1шт.

70

RM 80882178

Шланг

S/N 21000-

1шт.

70

RM 80882178

Шланг

1шт.

72

RM 80882186

Шланг

S/N 21000-

1шт.

72

RM 80882186

Шланг

1шт.

8

RM 80688278

Шланг

1шт.

9

RM 80688260

Шланг

1шт.

90

RM 14158539

Valve Non-return

S/N 21000-

1шт.

Выбрано товаров: 99