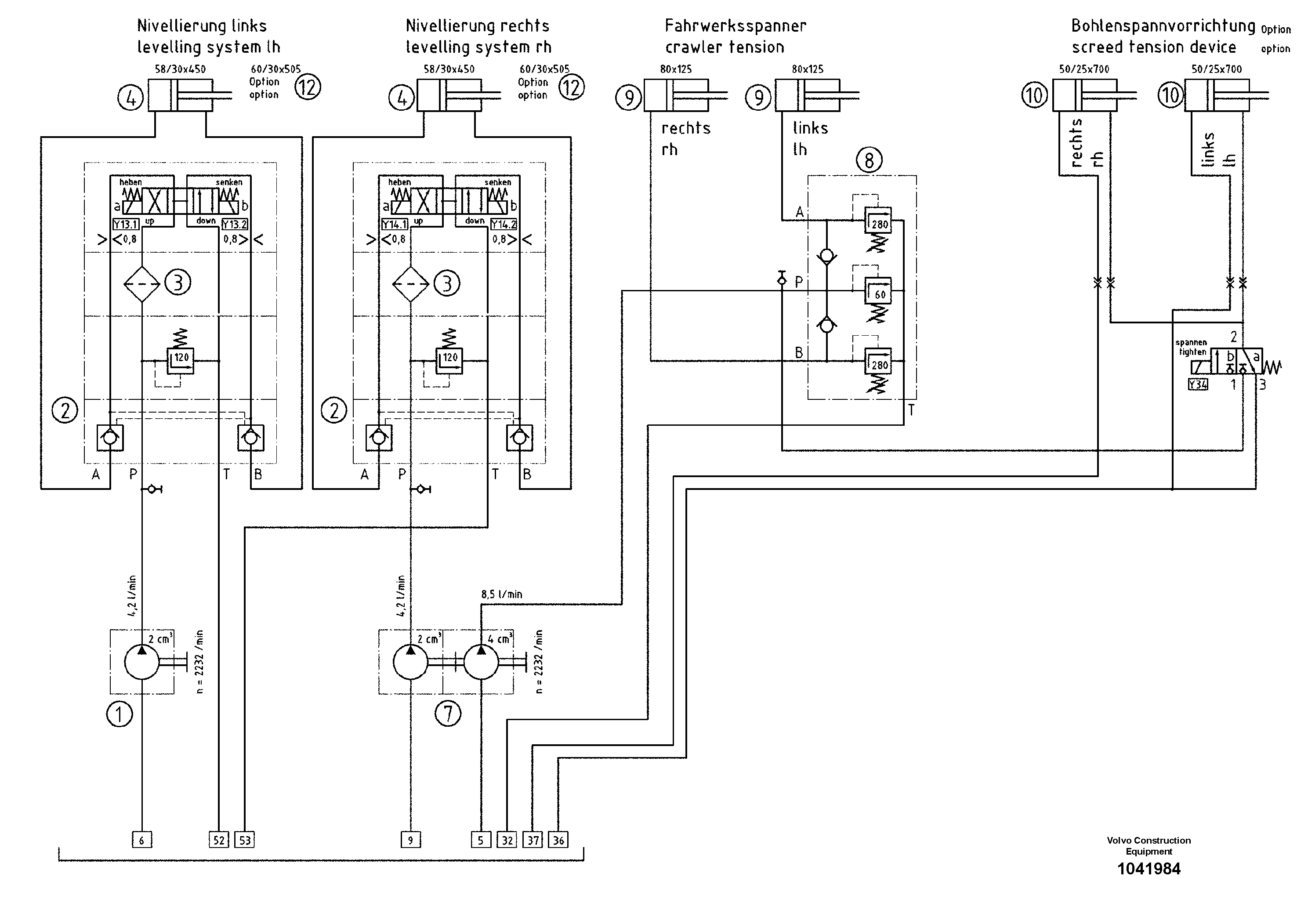
Запчасти Volvo ABG9820 100877 Hydraulic diagram ABG9820 S/N 20812 -

Схема запчастей Volvo ABG9820 - 100877 Hydraulic diagram ABG9820 S/N 20812 -
FIT
1:1
100%

Артикул

Название

Примечание

Количество

1

RM 87970729

Гидронасос (основной насос)

1шт.

10

RM 58831199

Ball cock

1шт.

11

RM 80630700

Гидроцилиндр

S/N 14648-

1шт.

11

RM 80630700

Гидроцилиндр

S/N 14648-

1шт.

12

RM 80698962

Two-way valve

S/N 17194-

1шт.

12

RM 80698962

Two-way valve

S/N 17194-

1шт.

13

RM 54524848

Клапан

WV S8

1шт.

13

RM 54524848

Клапан

WV S8

1шт.

2

RM 54768643

Фильтр топливный

1шт.

3

RM 54726740

Hydraulic fluid filter

1шт.

3

RM 54726740

Hydraulic fluid filter

1шт.

4

RM 87982500

Hydr.diaphragm Accumulato

1шт.

5

RM 80611924

Корпус клапана

L.8S

1шт.

6

RM 56259823

Гидромотор

1шт.

7

RM 80630734

Гидроцилиндр

S/N 14648-

1шт.

7

RM 80630734

Гидроцилиндр

S/N 14648-

1шт.

8

RM 80702137

Клапан

2/2-WAY , S/N 17194-

1шт.

8

RM 80702137

Клапан

2/2-WAY , S/N 17194-

1шт.

9

RM 80630726

Гидроцилиндр

S/N 14648-

1шт.

9

RM 80630726

Гидроцилиндр

S/N 14648-

1шт.

Выбрано товаров: 20