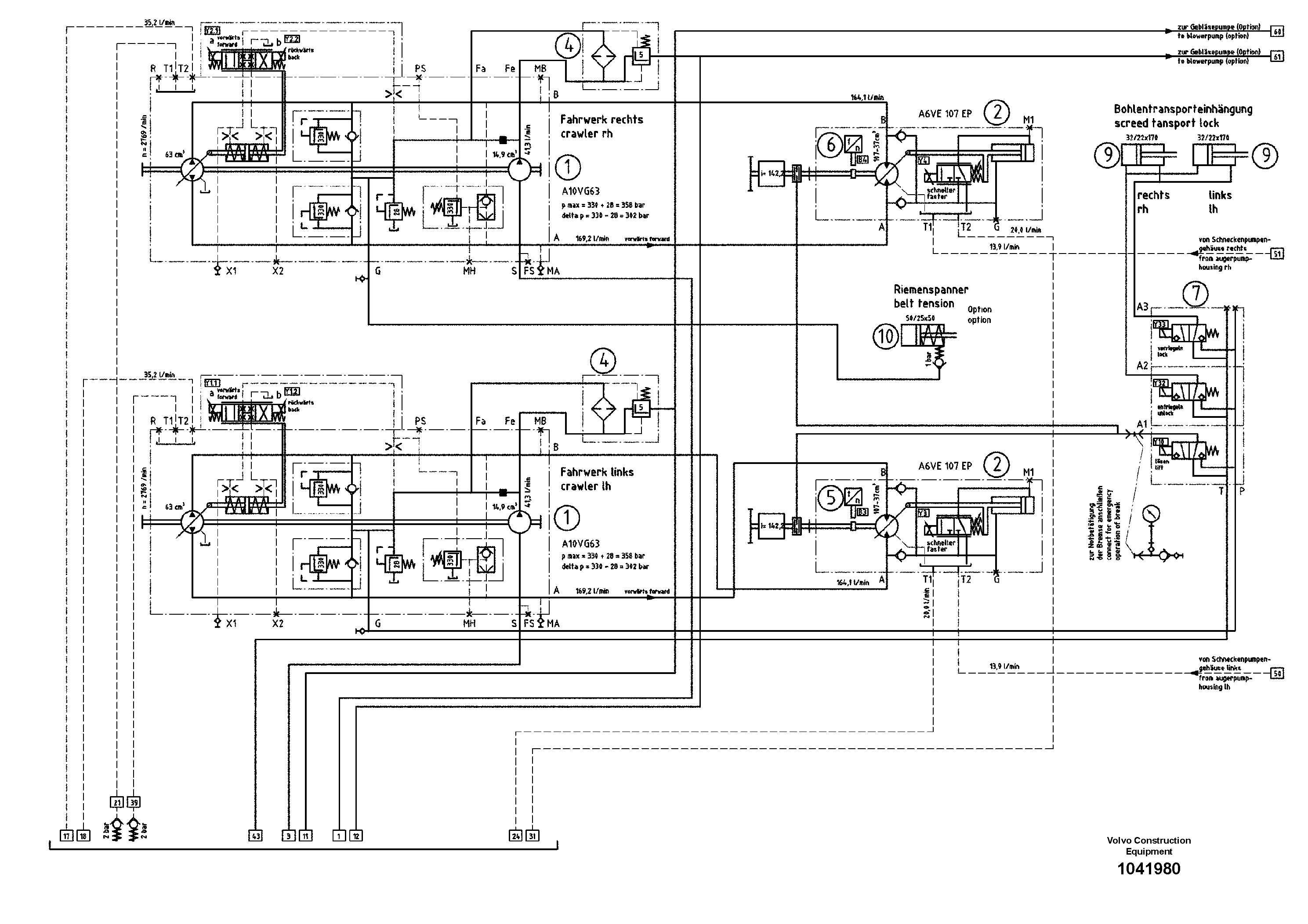
Запчасти Volvo ABG9820 98806 Hydraulic diagram ABG9820 S/N 20812 -

Схема запчастей Volvo ABG9820 - 98806 Hydraulic diagram ABG9820 S/N 20812 -
FIT
1:1
100%

Артикул

Название

Примечание

Количество

1

RM 87945101

Гидронасос (основной насос)

1шт.

10

RM 80630791

Гидроцилиндр

S/N 14648-

1шт.

2

RM 87945085

Гидромотор

1шт.

4

RM 56266869

Фильтр топливный

1шт.

5

RM 80855935

Speedometer

4900, S/N 20812-

1шт.

5

RM 80614134

Sensor

4600, S/N -20811

1шт.

6

RM 80614142

Sensor

5200, S/N -20811

1шт.

6

RM 80855927

Speedometer

5500, S/N 20812-

1шт.

7

RM 56285661

Directional valve

1шт.

9

RM 56279763

Гидроцилиндр

1шт.

9

RM 56279763

Гидроцилиндр

1шт.

Выбрано товаров: 11