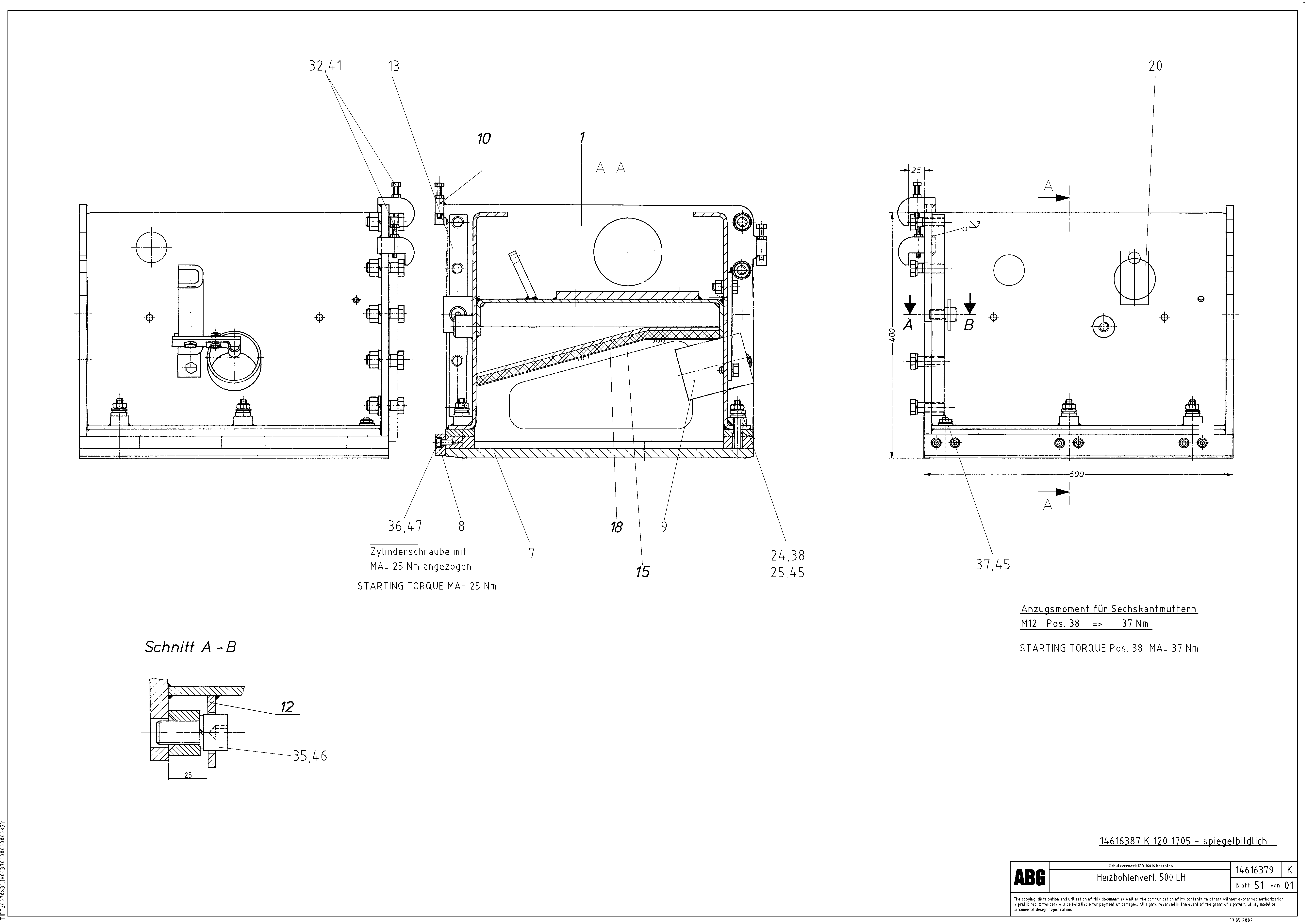
Запчасти Volvo ABG9820 83556 Screed extension MB 120 ATT. SCREEDS 3,0 -16,0M ABG9820

Схема запчастей Volvo ABG9820 - 83556 Screed extension MB 120 ATT. SCREEDS 3,0 -16,0M ABG9820
FIT
1:1
100%

Артикул

Название

Примечание

Количество

1

RM 14273494

Screed

1шт.

1

RM 14273486

Screed

1шт.

10

RM 14274716

Hook

1шт.

12

RM 13919055

Angle Bar

1шт.

12

RM 14330716

Пластина

S/N 51 - 13918

1шт.

12

RM 80618788

Support Strip

S/N 13919 -

1шт.

13

RM 58831462

Bar

1шт.

14

RM 14616551

Guard Plate

1шт.

14

RM 54493762

Guard Plate

1шт.

15

RM 14037675

Guard Plate

1шт.

15

RM 54493788

Guard Plate

1шт.

15

RM 14332654

Guard Plate

1шт.

16

RM 14239487

Strip

1шт.

17

RM 14832984

Round Bar

1шт.

18

RM 14619498

Insulating Mat

1шт.

18

RM 14332589

Insulating Mat

1шт.

2

RM 13918156

Опора

1шт.

20

RM 14265839

Кронштейн

S/N 51 - 13499

1шт.

20

RM 80606924

Тарелка клапана

S/N 13500 -

1шт.

24

RM 58838285

Шайба

1шт.

24

RM 58838285

Шайба

1шт.

25

RM 58838293

Вставка

1шт.

25

RM 58838293

Вставка

1шт.

28

RM 96720768

Винт шестигранник

1шт.

28

RM 96720768

Винт шестигранник

1шт.

29

RM 96718929

Винт шестигранник

1шт.

29

RM 96718929

Винт шестигранник

1шт.

30

RM 96719059

Винт шестигранник

1шт.

30

RM 96719059

Винт шестигранник

1шт.

31

RM 96701180

Винт шестигранник

1шт.

32

RM 96713235

Винт шестигранник

1шт.

32

RM 96713235

Винт шестигранник

1шт.

35

RM 96725098

Болт

1шт.

35

RM 96725098

Болт

1шт.

36

RM 96713748

Винт шестигранник (торцевой ключ)

1шт.

36

RM 58823857

Болт

1шт.

37

RM 96724182

Hexagon nut

1шт.

37

RM 96724182

Hexagon nut

1шт.

38

RM 96719174

Hexagon nut

1шт.

38

RM 96719174

Hexagon nut

1шт.

40

RM 96710009

Hexagon nut

1шт.

41

RM 96712799

Hexagon nut

1шт.

41

RM 96712799

Hexagon nut

1шт.

45

RM 14261002

Стопорная шайба (кольцо)

1шт.

45

RM 14261002

Стопорная шайба (кольцо)

1шт.

46

RM 14272470

Стопорная шайба (кольцо)

1шт.

46

RM 14272470

Стопорная шайба (кольцо)

1шт.

47

RM 13999131

Стопорная шайба (кольцо)

1шт.

47

RM 13999131

Стопорная шайба (кольцо)

1шт.

5

RM 14616536

Support Plate

1шт.

52

RM 14085369

Пружина

1шт.

52

RM 14085369

Пружина

1шт.

6

RM 14616544

Support Plate

1шт.

7

RM 13916945

Screed Plate

1шт.

7

RM 13950241

Screed Plate

S/N 1563 - 8594

1шт.

7

RM 14278659

Screed Plate

S/N 8595 -

1шт.

7

RM 14278667

Screed Plate

S/N 8595 -

1шт.

7

RM 13916937

Screed Plate

1шт.

7

RM 13950258

Screed Plate

S/N 1563 - 8594

1шт.

8

RM 10641496

Bar

1шт.

8

RM 13950142

Bar

S/N 1563 -

1шт.

8

RM 13950134

Bar

S/N 1563 -

1шт.

8

RM 13916952

Bar

1шт.

9

RM 13917158

Трубка

1шт.

9

RM 14332522

Трубка

1шт.

Выбрано товаров: 65