Запчасти Volvo ABG9820 47864 Alternative Control Board ABG9820 S/N 20812 -

Схема запчастей Volvo ABG9820 - 47864 Alternative Control Board ABG9820 S/N 20812 -
FIT
1:1
100%

Артикул

Название

Примечание

Количество

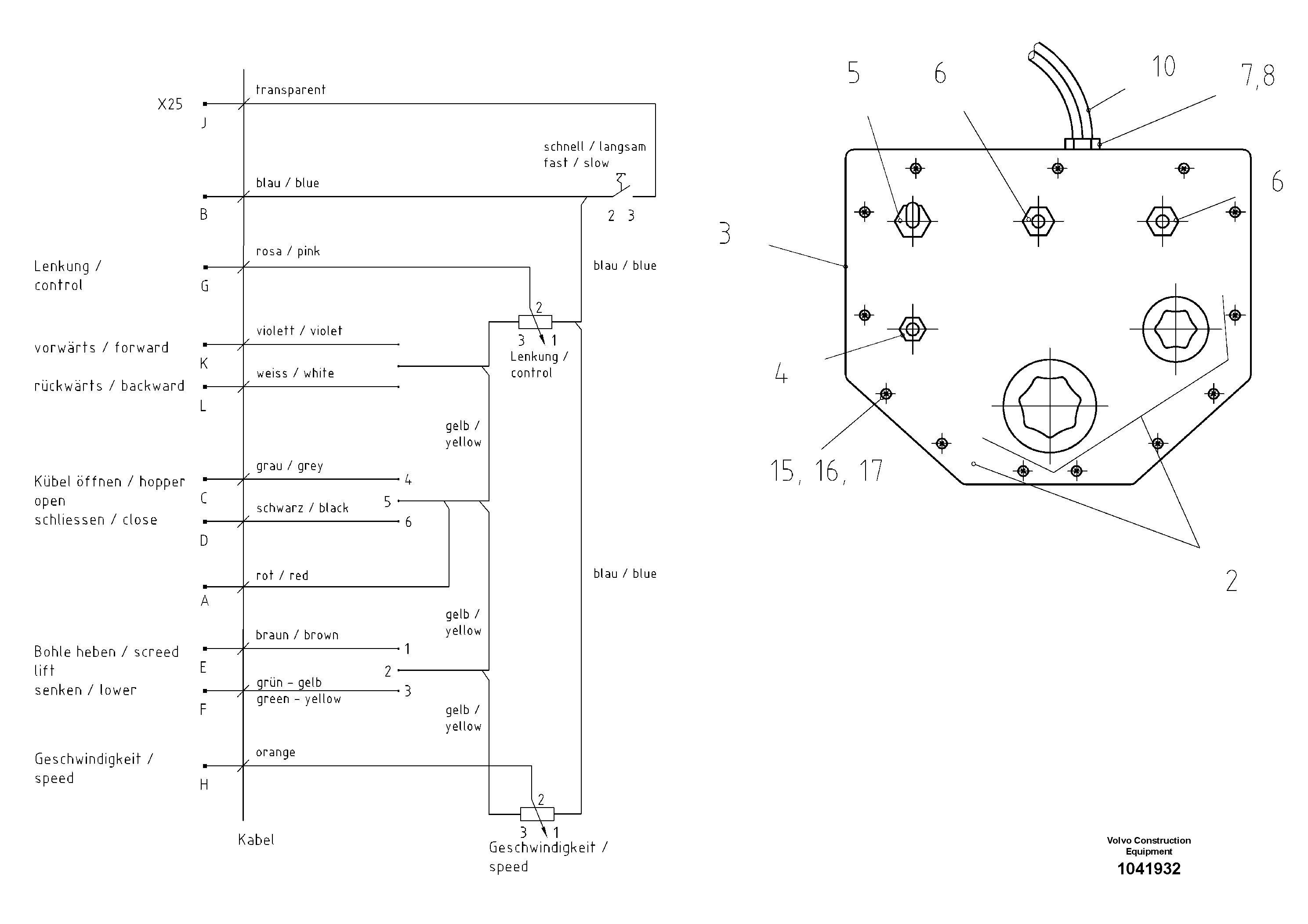
10

RM 80807589

Cable

1шт.

15

RM 80797483

Болт

1шт.

15

RM 80797483

Болт

1шт.

16

RM 96719554

Стопорная шайба (кольцо)

1шт.

16

RM 96719554

Стопорная шайба (кольцо)

1шт.

17

RM 96752506

Hexagon Nut

1шт.

17

RM 96752506

Hexagon Nut

1шт.

2

RM 80810039

Front Plate

W/POTENTIOMETERS

1шт.

2

RM 80810039

Front Plate

W/POTENTIOMETERS

1шт.

3

RM 80797368

Sealing

1шт.

3

RM 80797368

Sealing

1шт.

4

RM 80810047

Переключатель

1шт.

4

RM 80810047

Переключатель

1шт.

5

RM 58854456

Переключатель

1шт.

5

RM 58854456

Переключатель

1шт.

6

RM 58833294

Переключатель

1шт.

6

RM 58833294

Переключатель

1шт.

7

RM 87970083

Nipple

1шт.

7

RM 87970083

Nipple

1шт.

8

RM 14106892

Гайка

1шт.

8

RM 14106892

Гайка

1шт.

Выбрано товаров: 21