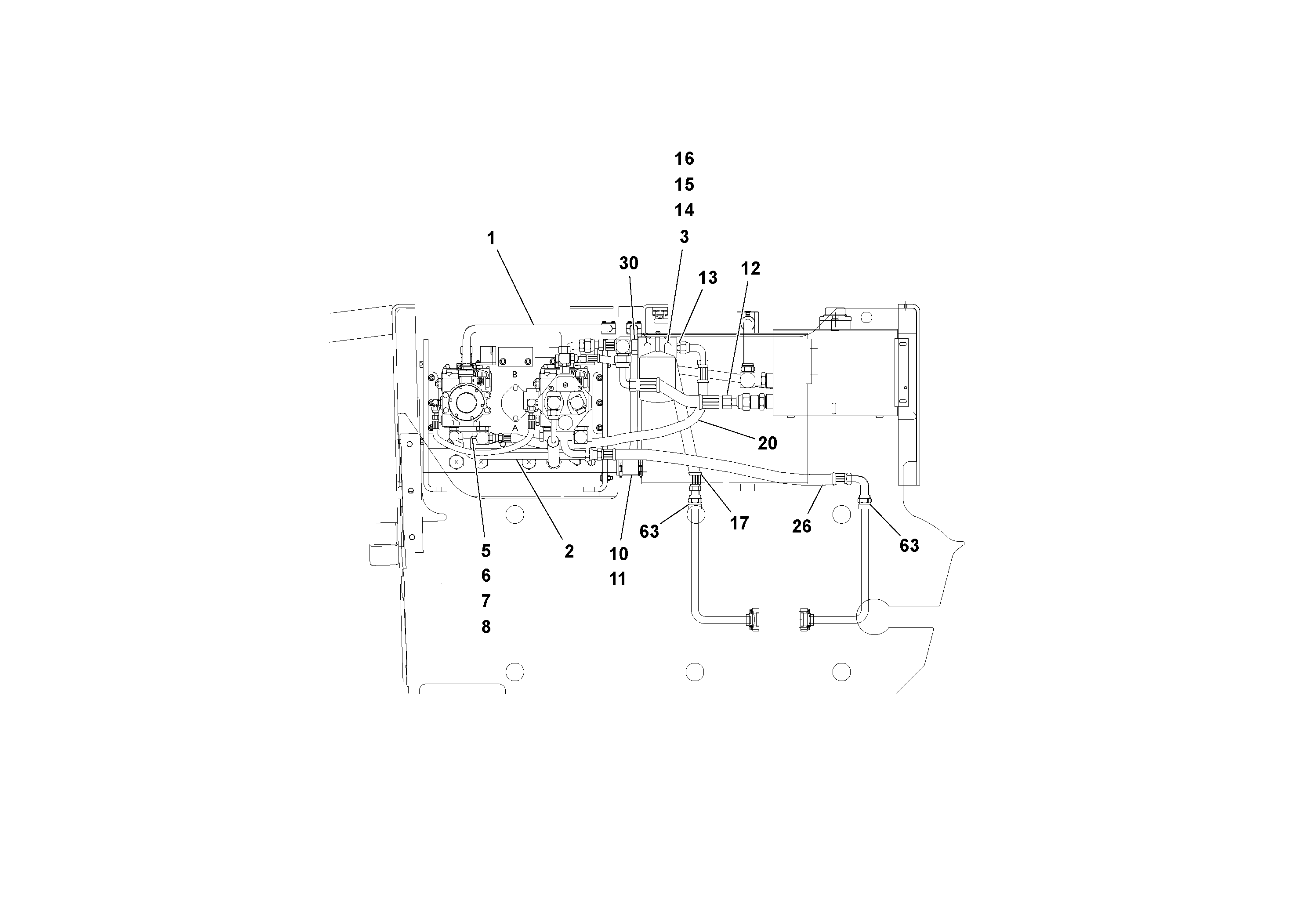
Запчасти Volvo PF4410 91833 Traction Hydraulic System PF4410 S/N 197449-

Схема запчастей Volvo PF4410 - 91833 Traction Hydraulic System PF4410 S/N 197449-
FIT
1:1
100%

Артикул

Название

Примечание

Количество

RM 43921949

Фильтр масляный

1шт.

1

RM 20364097

Трубка

1шт.

10

RM 20260261

Hydraulic hose

1шт.

11

RM 20304978

Hose clamp

1шт.

12

RM 13636725

Шланг

1шт.

13

RM 59923276

Адаптер

1шт.

14

RM 20925798

Hydraulic fluid filter

1шт.

15

RM 43921949

Фильтр масляный

1шт.

16

RM 95935235

Винт шестигранник

1шт.

16

RM 95935235

Винт шестигранник

1шт.

17

RM 13636709

Hose assembly

1шт.

2

RM 20249660

Трубка

1шт.

20

RM 13636766

Шланг

1шт.

26

RM 13636808

Hose assembly

1шт.

3

RM 95931408

Стопорная шайба (кольцо)

1шт.

3

RM 95931408

Стопорная шайба (кольцо)

1шт.

30

RM 59923433

Адаптер

1шт.

5

RM 95939922

Винт шестигранник

1шт.

5

RM 95939922

Винт шестигранник

1шт.

6

RM 95931457

Стопорная шайба (кольцо)

1шт.

63

RM 20932349

Кольцо уплотнительное (О-кольцо)

1шт.

7

RM 20945887

Flange half

1шт.

7

RM 20945887

Flange half

1шт.

8

RM 20932182

Кольцо уплотнительное (О-кольцо)

1шт.

8

RM 20932182

Кольцо уплотнительное (О-кольцо)

1шт.

Выбрано товаров: 25