Качественные детали и логистика
Оригинальные и аналоговые запчасти с доставкой по России, Казахстану и Беларуси
©2022 PartSell ООО "Система" ИНН 2463123282 ОГРН 1212400004838
Центральный офис: г. Красноярск, Академика Киренского, д.87, пом.4
Телефон: 8 (800) 777-65-74 Email: zakaz@partsell.ru
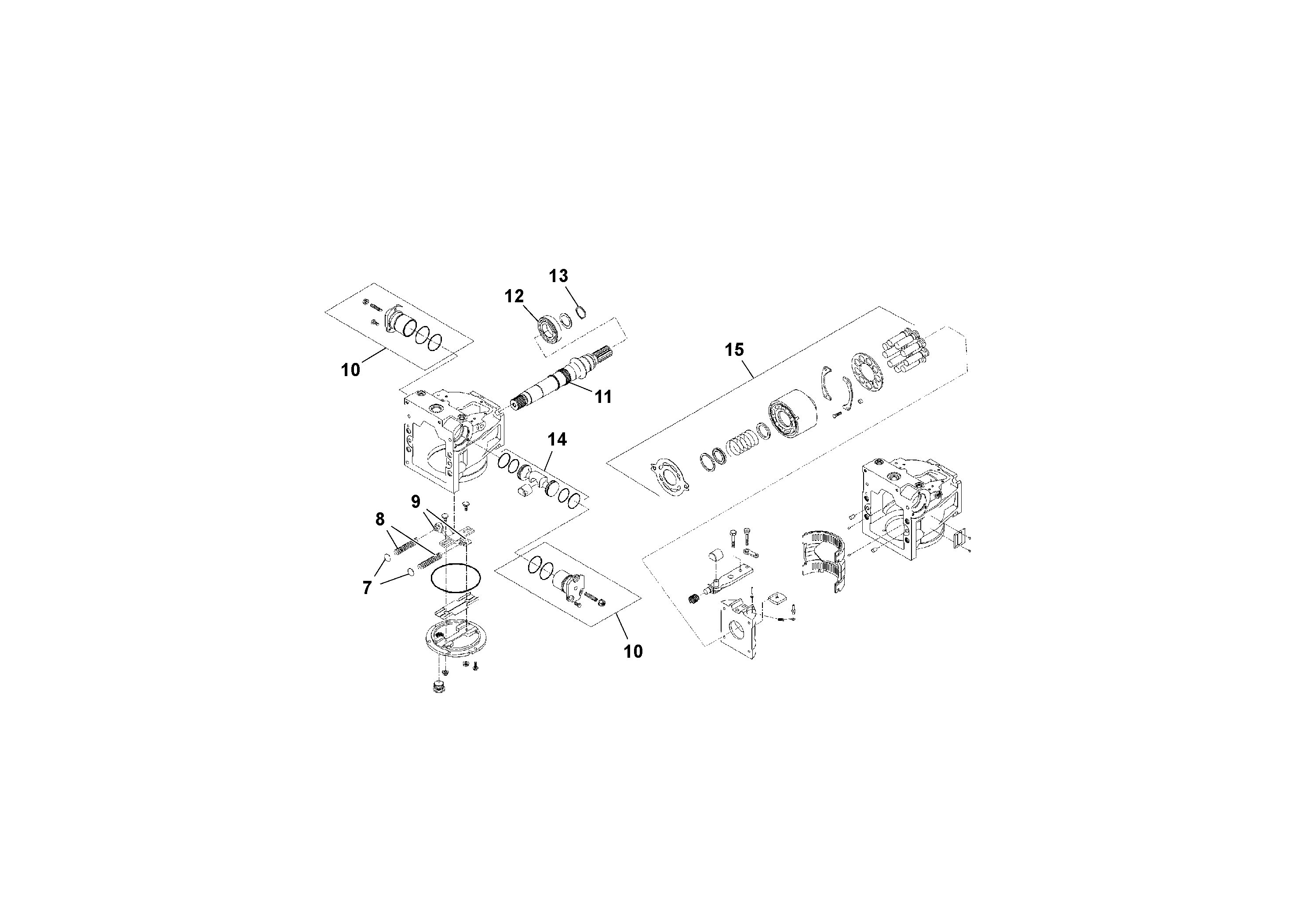
20653 Traction Drive Pump Assembly
№
Артикул
Название
Примечание
Количество
RM 20311395
Гидронасос (основной насос)
FRONT
1шт.
RM 20929576
Sealing kit
10
RM 13791140
Kit
11
RM 20927307
Вал
12
RM 13792858
Bearing arrangement
13
RM 13792841
Retaining ring
14
RM 13792965
Ремкоплект поршня
15
RM 13792981
Pump element
7
RM 13792882
Прокладка
8
RM 13793005
Пружина
9
RM 13792890
Spring seat
Выбрано товаров: 0