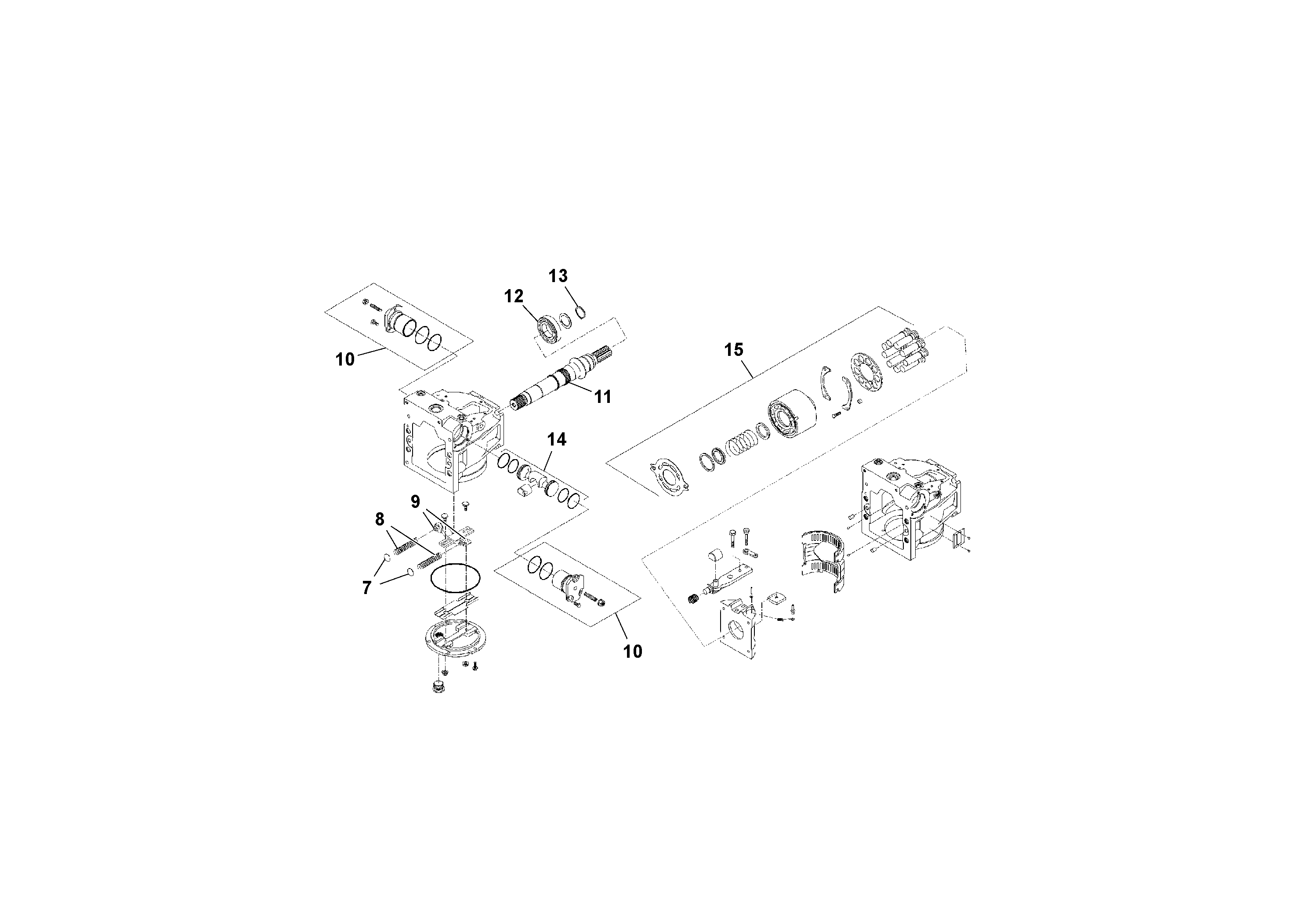
Запчасти Volvo PF4410 92449 Traction Drive Pump Assembly PF4410 S/N 197449-

Схема запчастей Volvo PF4410 - 92449 Traction Drive Pump Assembly PF4410 S/N 197449-
FIT
1:1
100%

Артикул

Название

Примечание

Количество

10

RM 13792874

Kit

1шт.

11

RM 20927307

Вал

1шт.

12

RM 20927315

Подшипник

1шт.

13

RM 13792841

Retaining ring

1шт.

14

RM 13792965

Ремкоплект поршня

1шт.

15

RM 13792981

Pump element

1шт.

7

RM 13792882

Прокладка

1шт.

8

RM 13793005

Пружина

1шт.

9

RM 13792890

Spring seat

1шт.

Выбрано товаров: 9