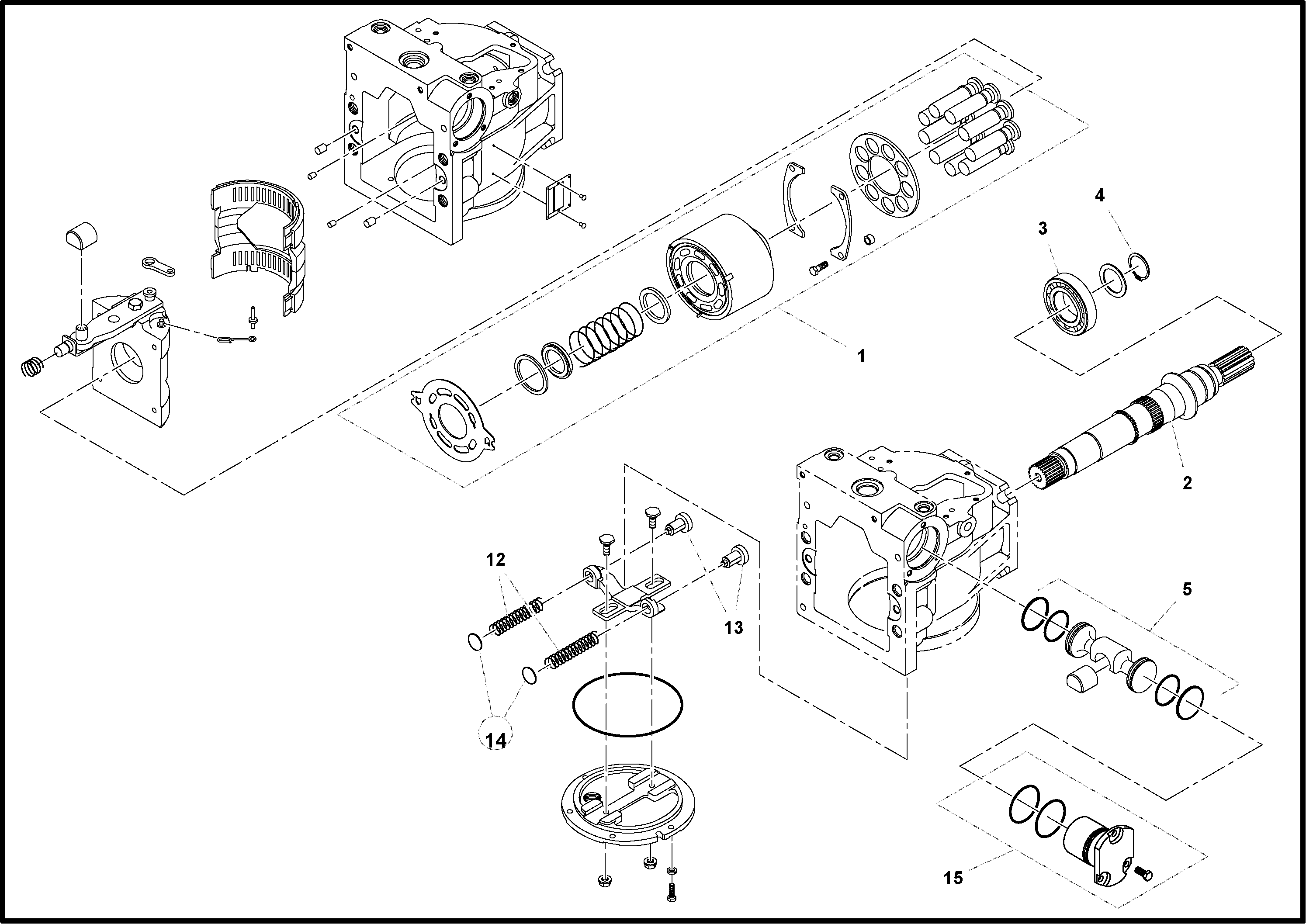
Запчасти Volvo PF4410 93242 Traction Drive Pump Assembly PF4410 S/N 197449-

Схема запчастей Volvo PF4410 - 93242 Traction Drive Pump Assembly PF4410 S/N 197449-
FIT
1:1
100%

Артикул

Название

Примечание

Количество

1

RM 20174959

Mounting kit

1шт.

12

RM 59067538

Bearing roller

1шт.

12

RM 59067538

Bearing roller

1шт.

13

RM 59785519

Кольцо

1шт.

13

RM 59785519

Кольцо

1шт.

14

RM 59399279

Ремкоплект поршня

1шт.

15

RM 13791140

Kit

1шт.

18

RM 13790977

Вал

1шт.

2

RM 58921495

Клапан

1шт.

2

RM 58921495

Клапан

1шт.

3

RM 59026112

Charge Pump Set

1шт.

4

RM 13792940

Cover ring

1шт.

5

RM 13791595

Control kit

1шт.

Выбрано товаров: 13