Запчасти Volvo PF4410 91815 Auger and Tunnel / Guard Arrangement PF4410 S/N 197449-

Схема запчастей Volvo PF4410 - 91815 Auger and Tunnel / Guard Arrangement PF4410 S/N 197449-
FIT
1:1
100%

Артикул

Название

Примечание

Количество

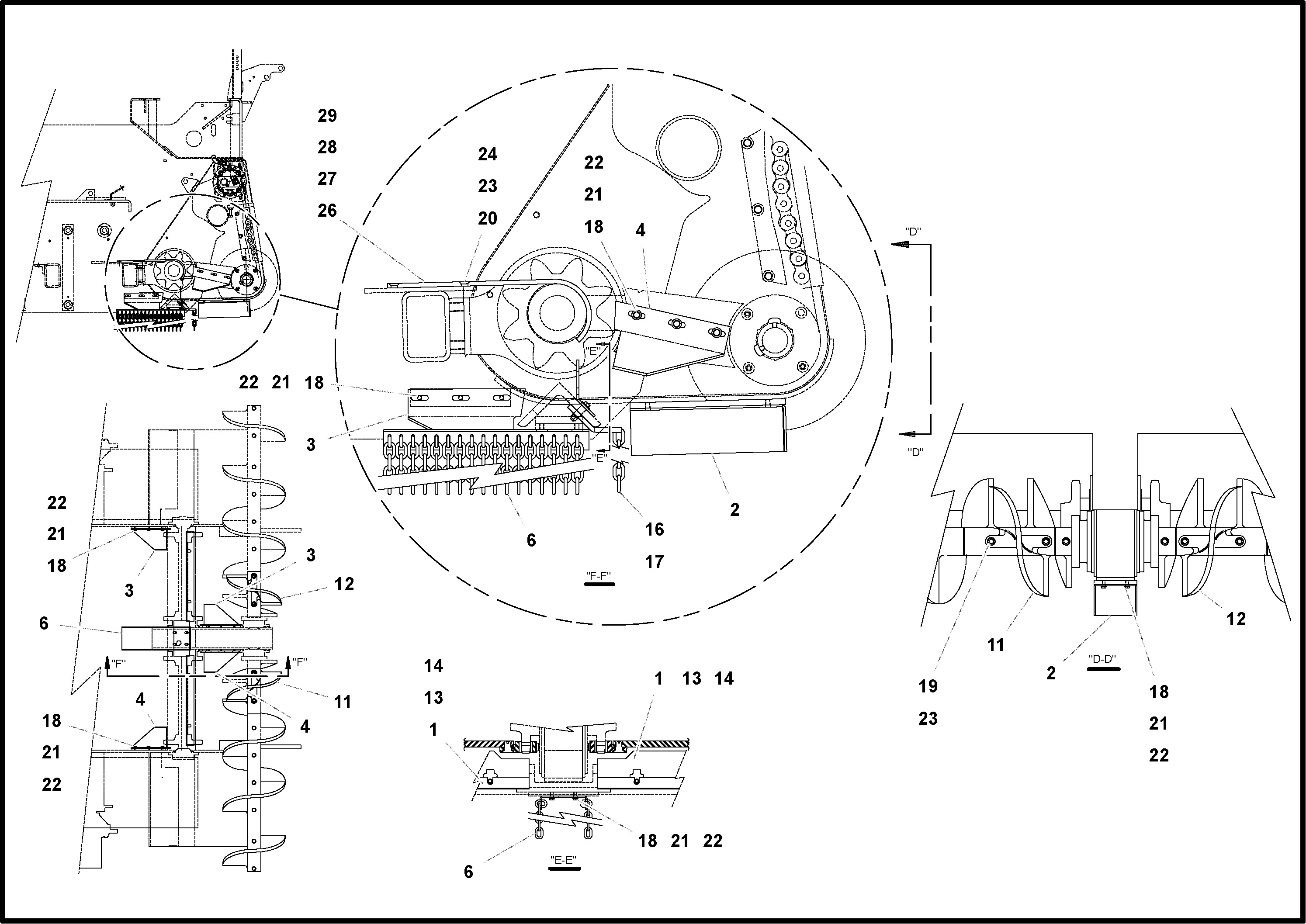
11

RM 20955035

Casting

1шт.

12

RM 20955050

Casting

1шт.

13

RM 20373957

Пластина

1шт.

18

RM 95934550

Винт шестигранник

1шт.

18

RM 95934550

Винт шестигранник

1шт.

19

RM 95055117

Болт

1шт.

19

RM 95055117

Болт

1шт.

2

RM 20373874

Guard

1шт.

21

RM 95931432

Стопорная шайба (кольцо)

1шт.

21

RM 95931432

Стопорная шайба (кольцо)

1шт.

22

RM 95922233

Шайба

1шт.

22

RM 95922233

Шайба

1шт.

23

RM 95943080

Lock nut

1шт.

23

RM 95943080

Lock nut

1шт.

3

RM 20373882

Deflector

1шт.

4

RM 20373890

Deflector

1шт.

6

RM 20373742

Guard

1шт.

Выбрано товаров: 17