Запчасти Volvo PF4410 85983 Engine Installation PF4410 S/N 375009-

Схема запчастей Volvo PF4410 - 85983 Engine Installation PF4410 S/N 375009-
FIT
1:1
100%

Артикул

Название

Примечание

Количество

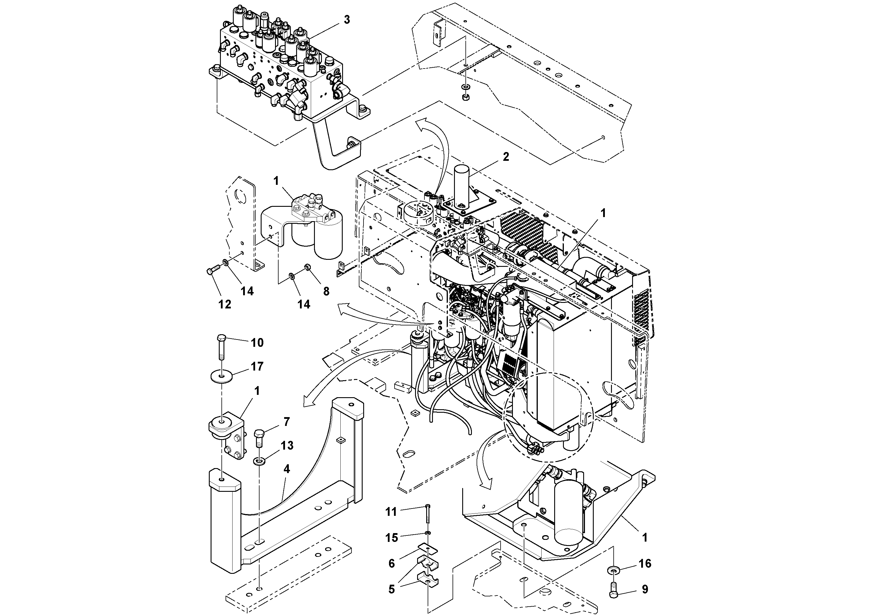
10

RM 96739990

Винт шестигранник

1шт.

11

RM 96712583

Винт шестигранник

1шт.

11

RM 96712583

Винт шестигранник

1шт.

12

RM 96727300

Hexagon nut

1шт.

12

RM 96727300

Hexagon nut

1шт.

13

RM 59544213

Шайба

1шт.

13

RM 59544213

Шайба

1шт.

14

RM 96741046

Плоская шайба

1шт.

14

RM 96741046

Плоская шайба

1шт.

15

RM 96704671

Плоская шайба

1шт.

16

RM 96716345

Плоская шайба

1шт.

17

RM 58879768

Шайба

1шт.

18

RM 13238050

Sealing

L=405MM

1шт.

4

RM 43819291

Bracket Mountin

1шт.

5

RM 59618579

Зажим

1шт.

6

RM 59583500

Пластина

1шт.

7

RM 95920021

Болт

1шт.

8

RM 96704309

Винт шестигранник

1шт.

8

RM 96704309

Винт шестигранник

1шт.

9

RM 96703129

Винт шестигранник

1шт.

Выбрано товаров: 20