Запчасти Volvo PF4410 72509 Electrical Installation PF4410 S/N 375009-

Схема запчастей Volvo PF4410 - 72509 Electrical Installation PF4410 S/N 375009-
FIT
1:1
100%

Артикул

Название

Примечание

Количество

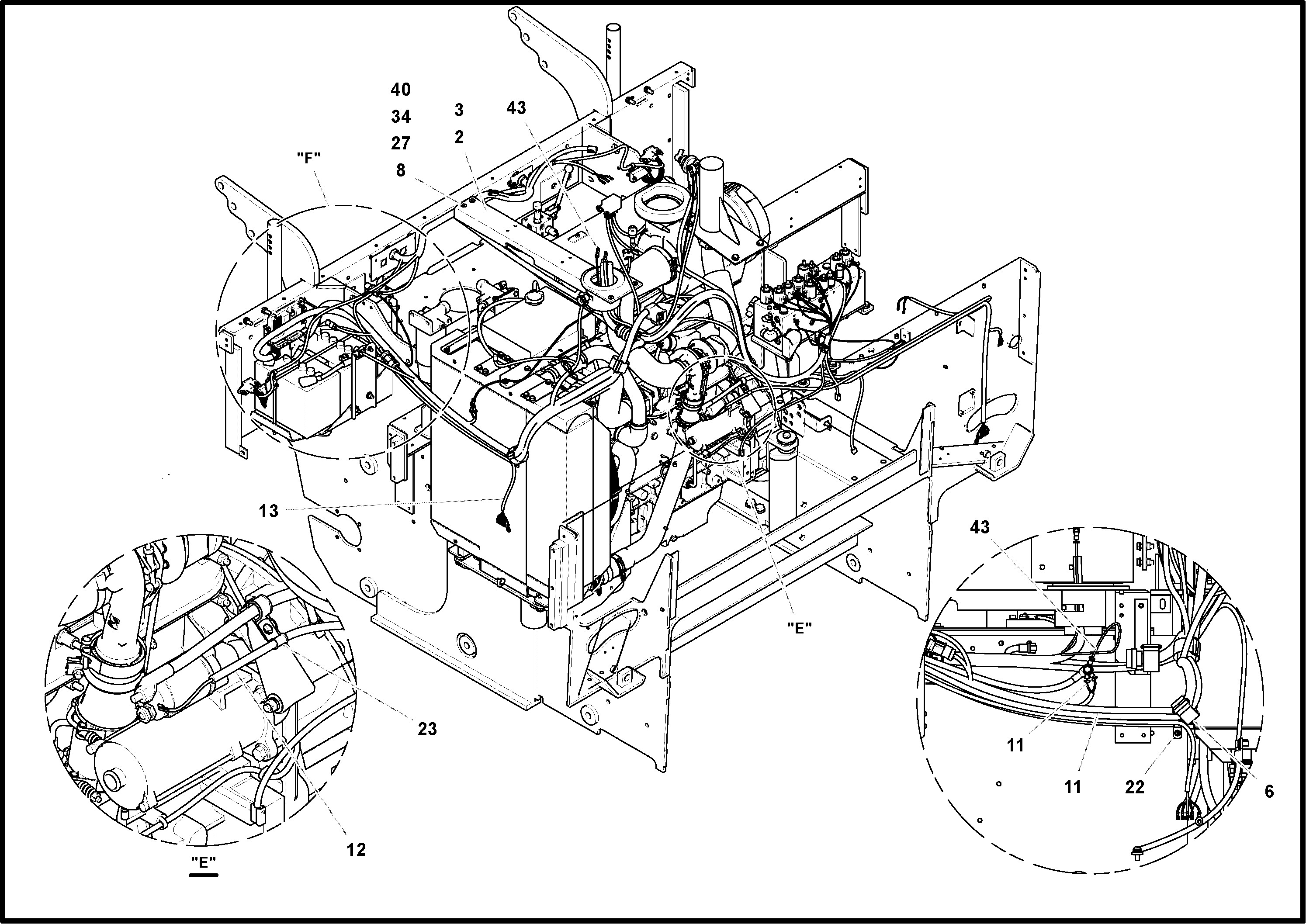
11

RM 46644993

Cable harness

1шт.

12

RM 46659579

Harness

1шт.

13

RM 46649711

Cable harness

1шт.

2

RM 15630932

Channel Weldmen

1шт.

22

RM 59465641

Зажим

1шт.

23

RM 59661413

Зажим

1шт.

27

RM 95922894

Hexagon nut

1шт.

27

RM 95922894

Hexagon nut

1шт.

3

RM 15631518

Прокладка

1шт.

3

RM 15631518

Прокладка

1шт.

34

RM 95922233

Шайба

1шт.

34

RM 95922233

Шайба

1шт.

40

RM 95931432

Стопорная шайба (кольцо)

1шт.

40

RM 95931432

Стопорная шайба (кольцо)

1шт.

43

RM 15632045

Cable harness

1шт.

6

RM 43878396

Strap

1шт.

6

RM 43878396

Strap

1шт.

8

RM 95429213

Болт

1шт.

Выбрано товаров: 18