Запчасти Volvo PF4410 79573 Electrical Installation PF4410 S/N 375009-

Схема запчастей Volvo PF4410 - 79573 Electrical Installation PF4410 S/N 375009-
FIT
1:1
100%

Артикул

Название

Примечание

Количество

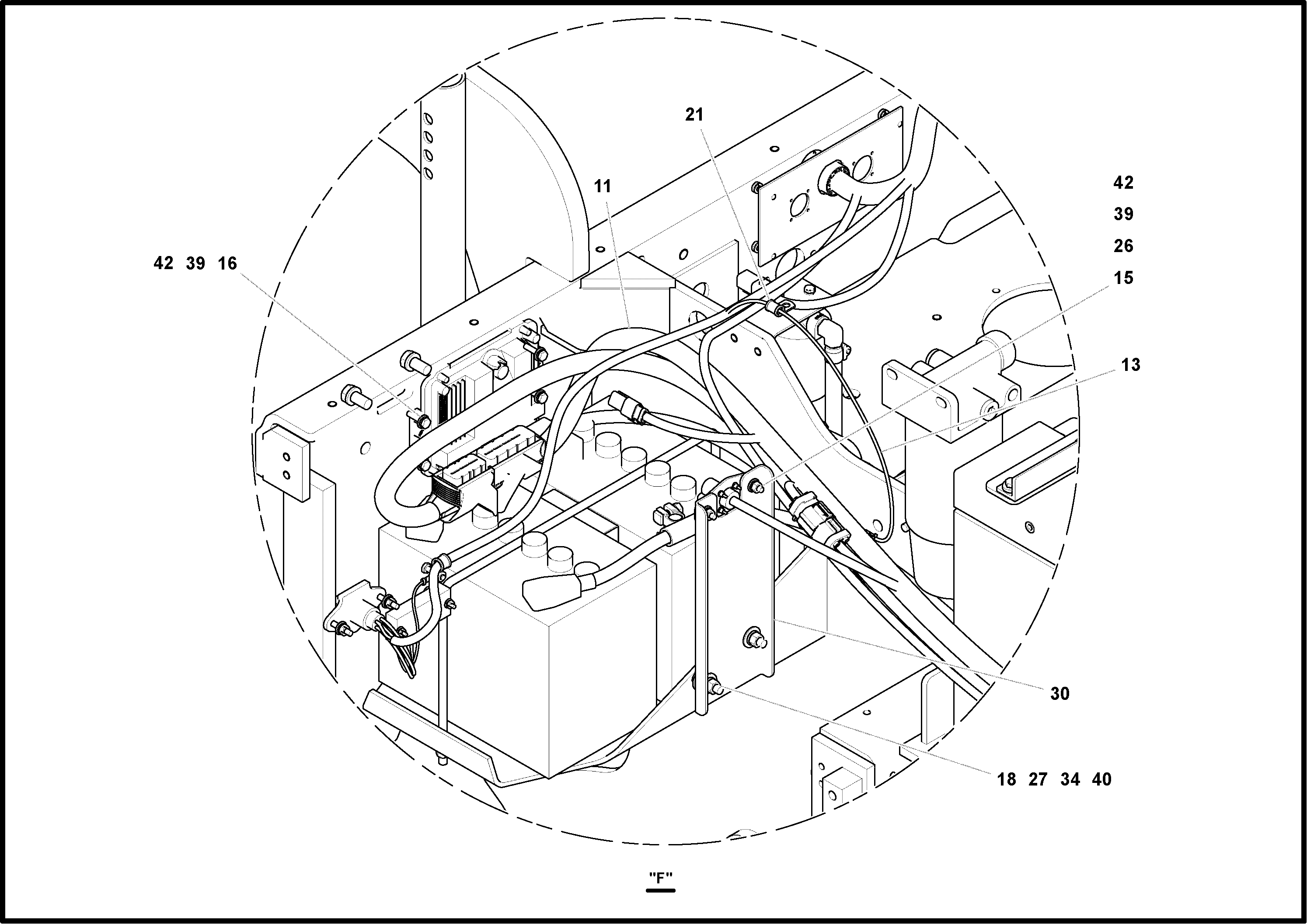
11

RM 46644993

Cable harness

1шт.

13

RM 46649711

Cable harness

1шт.

15

RM 95958351

Винт шестигранник

1шт.

16

RM 95934816

Винт шестигранник

1шт.

16

RM 95934816

Винт шестигранник

1шт.

18

RM 95920682

Винт шестигранник

1шт.

18

RM 95920682

Винт шестигранник

1шт.

21

RM 59465658

Зажим

1шт.

21

RM 59465658

Зажим

1шт.

26

RM 95931564

Гайка

1шт.

26

RM 95931564

Гайка

1шт.

27

RM 95922894

Hexagon nut

1шт.

27

RM 95922894

Hexagon nut

1шт.

30

RM 46650347

Пластина

1шт.

34

RM 95922233

Шайба

1шт.

34

RM 95922233

Шайба

1шт.

39

RM 95931382

Стопорная шайба (кольцо)

1шт.

39

RM 95931382

Стопорная шайба (кольцо)

1шт.

40

RM 95931432

Стопорная шайба (кольцо)

1шт.

40

RM 95931432

Стопорная шайба (кольцо)

1шт.

42

RM 95922324

Плоская шайба

1шт.

42

RM 95922324

Плоская шайба

1шт.

Выбрано товаров: 22