Запчасти Volvo PF4410 78777 Light Kits PF4410 S/N 375009-

Схема запчастей Volvo PF4410 - 78777 Light Kits PF4410 S/N 375009-
FIT
1:1
100%

Артикул

Название

Примечание

Количество

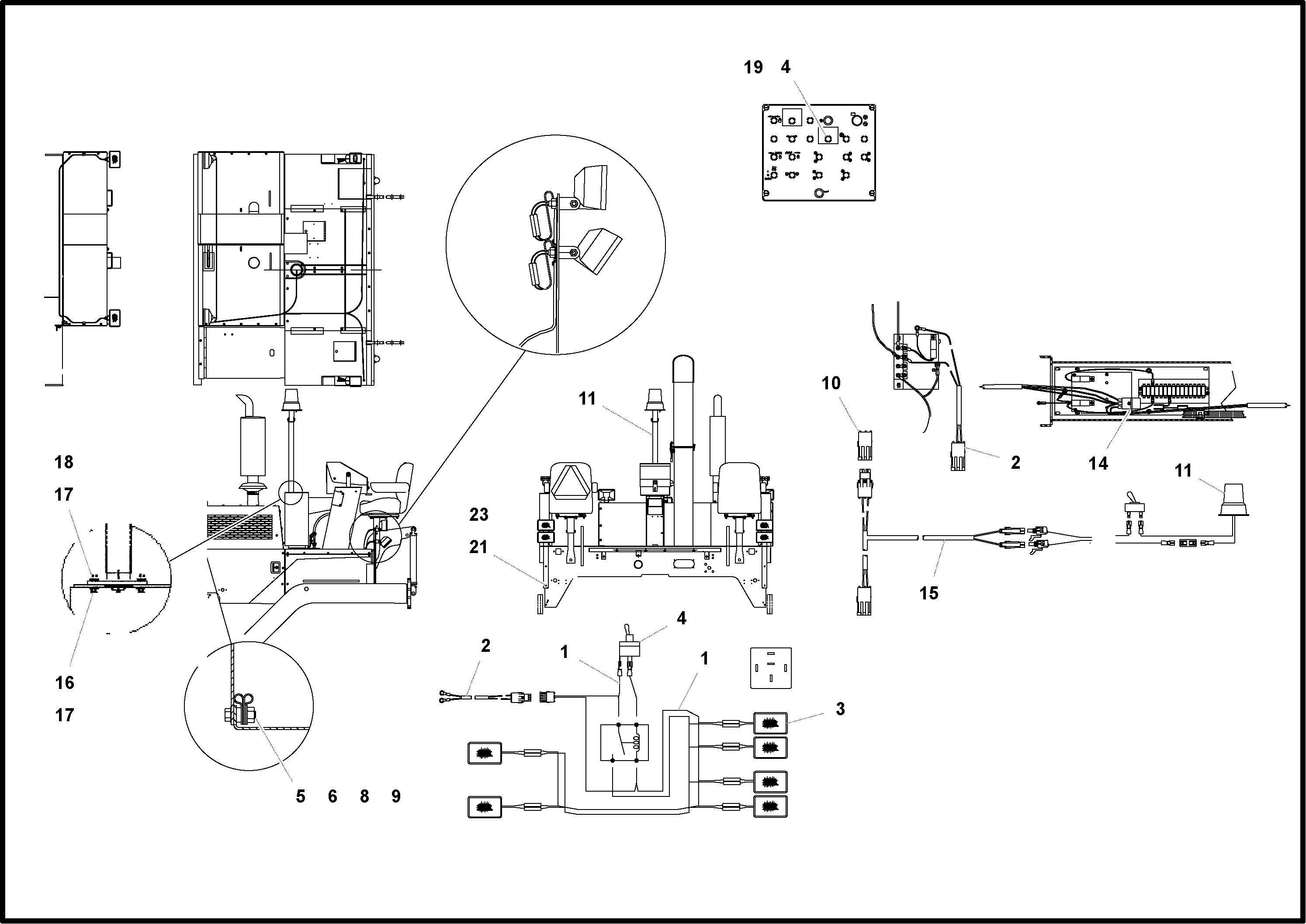
RM 20933685

Cable tie

Flood and Strobe Light

1шт.

RM 20933685

Cable tie

Flood and Strobe Light

1шт.

RM 20933685

Cable tie

Strobe Light

1шт.

RM 20933685

Cable tie

Strobe Light

1шт.

1

RM 15624786

Cable harness

Flood Light

1шт.

10

RM 13307269

Dummy Plug W/p

Strobe Light

1шт.

13

RM 20933685

Cable tie

Flood Light

1шт.

13

RM 20933685

Cable tie

Flood Light

1шт.

14

RM 20941126

Реле

Flood Light

1шт.

15

RM 15624802

Cable

Strobe Light

1шт.

16

RM 96704614

Гайка

Strobe Light

1шт.

16

RM 96704614

Гайка

Strobe Light

1шт.

17

RM 96711833

Шайба

Strobe Light

1шт.

17

RM 96711833

Шайба

Strobe Light

1шт.

18

RM 96704556

Винт шестигранник

Strobe Light

1шт.

18

RM 96704556

Винт шестигранник

Strobe Light

1шт.

19

RM 15624778

Decal

Flood Light

1шт.

2

RM 15624794

Cable

1шт.

21

RM 15624760

Bar

Flood Light

1шт.

23

RM 95934451

Винт шестигранник

Flood Light

1шт.

23

RM 95934451

Винт шестигранник

Flood Light

1шт.

3

RM 20307906

Lamp

Flood Light

1шт.

4

RM 20934576

Toggle switch

Flood Light

1шт.

4

RM 20934576

Toggle switch

Flood Light

1шт.

5

RM 13780176

Болт

Flood Light

1шт.

5

RM 13780176

Болт

Flood Light

1шт.

6

RM 95301826

Зажим

Flood Light

1шт.

6

RM 95301826

Зажим

Flood Light

1шт.

7

RM 20938254

Зажим

Flood Light

1шт.

8

RM 95922233

Шайба

Flood Light

1шт.

8

RM 95922233

Шайба

Flood Light

1шт.

9

RM 95922894

Hexagon nut

Flood Light

1шт.

9

RM 95922894

Hexagon nut

Flood Light

1шт.

Выбрано товаров: 33