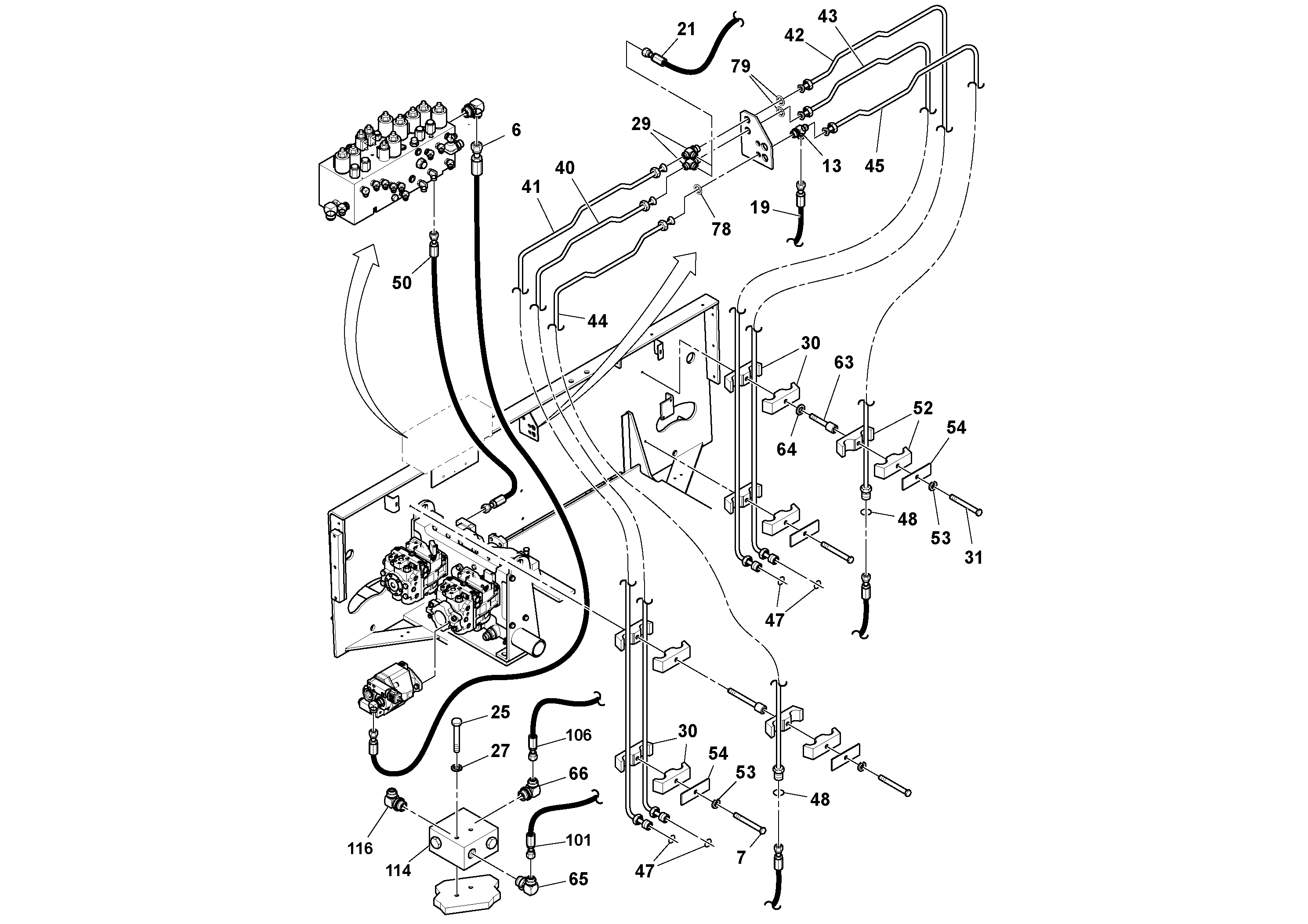
Запчасти Volvo PF4410 79153 General Purpose Hydraulic System PF4410 S/N 375009-

Схема запчастей Volvo PF4410 - 79153 General Purpose Hydraulic System PF4410 S/N 375009-
FIT
1:1
100%

Артикул

Название

Примечание

Количество

1

RM 20260527

Hose assembly

1шт.

10

RM 95958930

Винт шестигранник

1шт.

10

RM 95958930

Винт шестигранник

1шт.

10

RM 95962726

Винт шестигранник

S/N 375019-

1шт.

11

RM 15623523

Трубка

1шт.

12

RM 15623531

Трубка

1шт.

13

RM 15623549

Трубка

1шт.

14

RM 15623556

Трубка

1шт.

15

RM 20341020

Трубка

1шт.

16

RM 15623564

Трубка

1шт.

17

RM 20932299

Кольцо уплотнительное (О-кольцо)

1шт.

17

RM 20932299

Кольцо уплотнительное (О-кольцо)

1шт.

18

RM 20932281

Кольцо уплотнительное (О-кольцо)

1шт.

18

RM 20932281

Кольцо уплотнительное (О-кольцо)

1шт.

19

RM 20200424

Hose assembly

1шт.

2

RM 95958930

Винт шестигранник

1шт.

2

RM 95958930

Винт шестигранник

1шт.

20

RM 20259164

Hose clamp

1шт.

20

RM 20259164

Hose clamp

1шт.

21

RM 95931408

Стопорная шайба (кольцо)

1шт.

21

RM 95931408

Стопорная шайба (кольцо)

1шт.

22

RM 20188629

Зажим

1шт.

22

RM 20188629

Зажим

1шт.

23

RM 15502099

Болт

1шт.

23

RM 15502099

Болт

1шт.

24

RM 15502107

Шайба

1шт.

24

RM 15502107

Шайба

1шт.

25

RM 59922211

Адаптер

1шт.

26

RM 95480109

Адаптер

1шт.

26

RM 95480109

Адаптер

1шт.

27

RM 20181418

Стопорная шайба (кольцо)

1шт.

27

RM 20181418

Стопорная шайба (кольцо)

1шт.

28

RM 96747522

Шайба

1шт.

29

RM 20202867

Hose assembly

1шт.

3

RM 59962613

Фиттинг

1шт.

30

RM 20199899

Шланг

1шт.

31

RM 20325635

Клапан

1шт.

32

RM 59922864

Адаптер

1шт.

32

RM 59922864

Адаптер

1шт.

4

RM 20200424

Hose assembly

1шт.

5

RM 20948386

Hose assembly

1шт.

6

RM 95958914

Винт шестигранник

1шт.

7

RM 95931382

Стопорная шайба (кольцо)

1шт.

7

RM 95931382

Стопорная шайба (кольцо)

1шт.

8

RM 59962621

Адаптер

1шт.

8

RM 59962621

Адаптер

1шт.

9

RM 20188553

Hose clamp

1шт.

9

RM 20188553

Hose clamp

1шт.

Выбрано товаров: 48