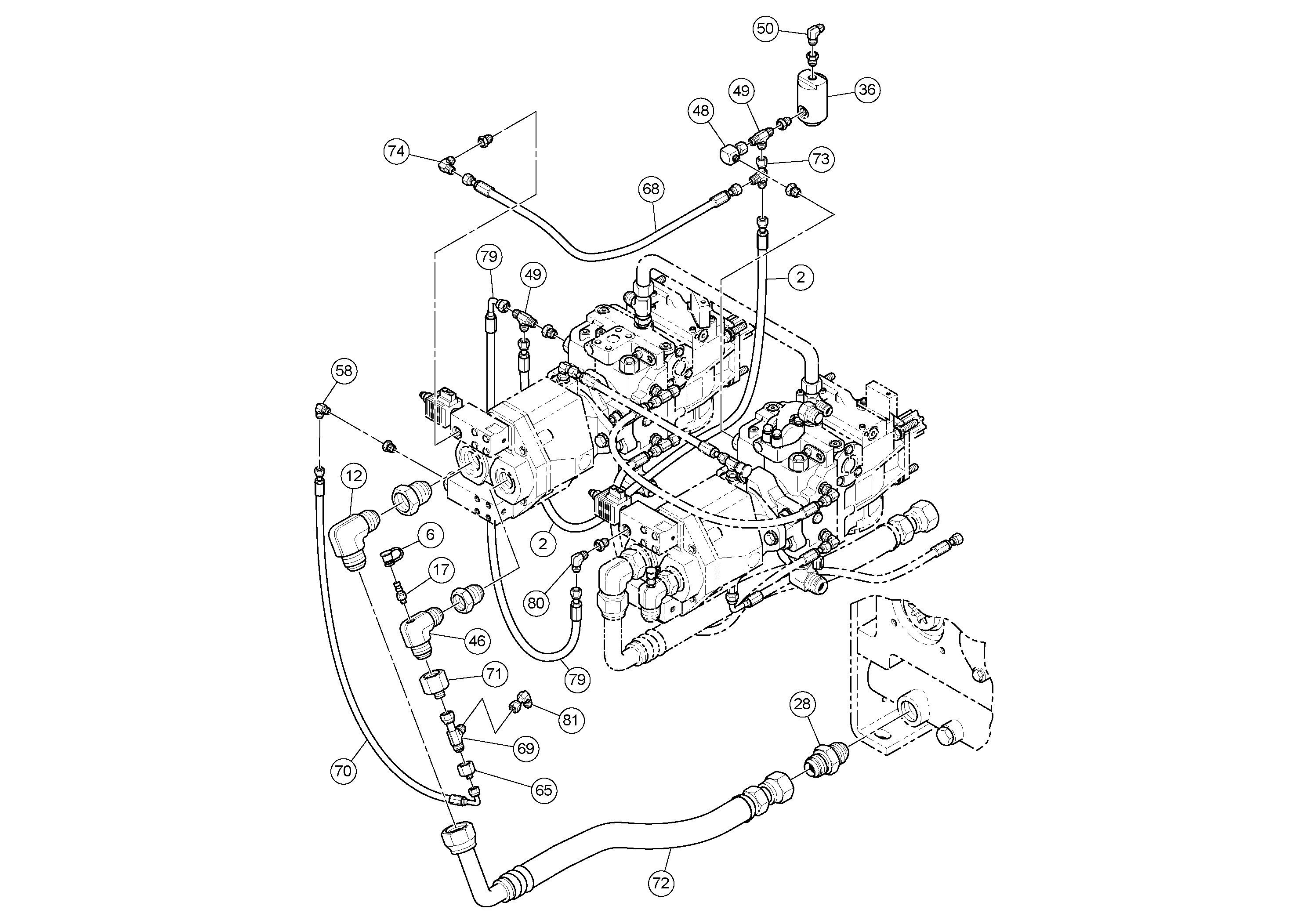
Запчасти Volvo PF4410 94608 Pump Drive Box With Optional Generator Pump PF4410 S/N 197449-

Схема запчастей Volvo PF4410 - 94608 Pump Drive Box With Optional Generator Pump PF4410 S/N 197449-
FIT
1:1
100%

Артикул

Название

Примечание

Количество

12

RM 59923037

Адаптер

1шт.

17

RM 20945671

Coupling piece

1шт.

2

RM 20950465

Шланг

1шт.

28

RM 59922674

Адаптер

1шт.

36

RM 20929527

Фильтр топливный

1шт.

36

RM 20929527

Фильтр топливный

1шт.

46

RM 21059902

Elbow

1шт.

48

RM 20951562

Elbow

1шт.

49

RM 59918532

Адаптер

1шт.

50

RM 59922864

Адаптер

1шт.

50

RM 59922864

Адаптер

1шт.

58

RM 20951018

Elbow

1шт.

58

RM 20951018

Elbow

1шт.

6

RM 20945713

Gaiter

1шт.

6

RM 20945713

Gaiter

1шт.

65

RM 59923961

Reducer

1шт.

68

RM 20948485

Hose assembly

1шт.

69

RM 20242418

T-nipple

1шт.

70

RM 20948469

Hose assembly

1шт.

71

RM 20242426

Фиттинг

1шт.

72

RM 15512239

Hose assembly

1шт.

73

RM 59918540

Адаптер

1шт.

73

RM 59918540

Адаптер

1шт.

79

RM 20948246

Hose assembly

1шт.

79

RM 20948246

Hose assembly

1шт.

80

RM 59922849

Адаптер

1шт.

81

RM 59923466

Адаптер

1шт.

Выбрано товаров: 27