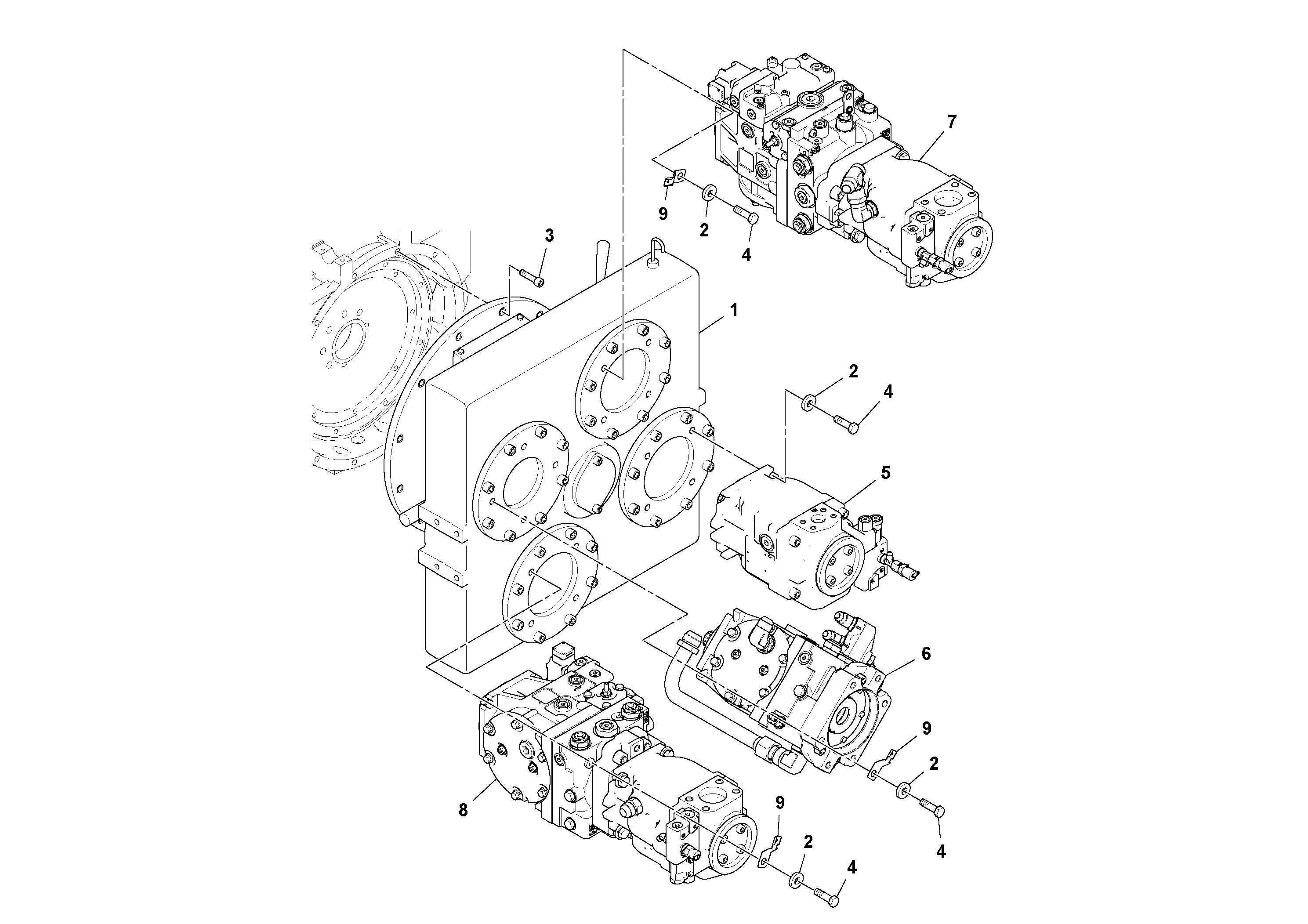
Запчасти Volvo PF6110 55307 Pump Box Assembly W/clutch PF6110 S/N 197474 -

Схема запчастей Volvo PF6110 - 55307 Pump Box Assembly W/clutch PF6110 S/N 197474 -
FIT
1:1
100%

Артикул

Название

Примечание

Количество

1

RM 18002550

Oil pump drive

1шт.

10

RM 43965375

Прокладка

1шт.

10

RM 43965375

Прокладка

1шт.

2

RM 96712237

Плоская шайба

1шт.

2

RM 96712237

Плоская шайба

1шт.

3

RM 96708151

Винт шестигранник (торцевой ключ)

1шт.

4

RM 96702444

Винт шестигранник

1шт.

4

RM 96702444

Винт шестигранник

1шт.

9

RM 43899012

Mounting plate

1шт.

Выбрано товаров: 9