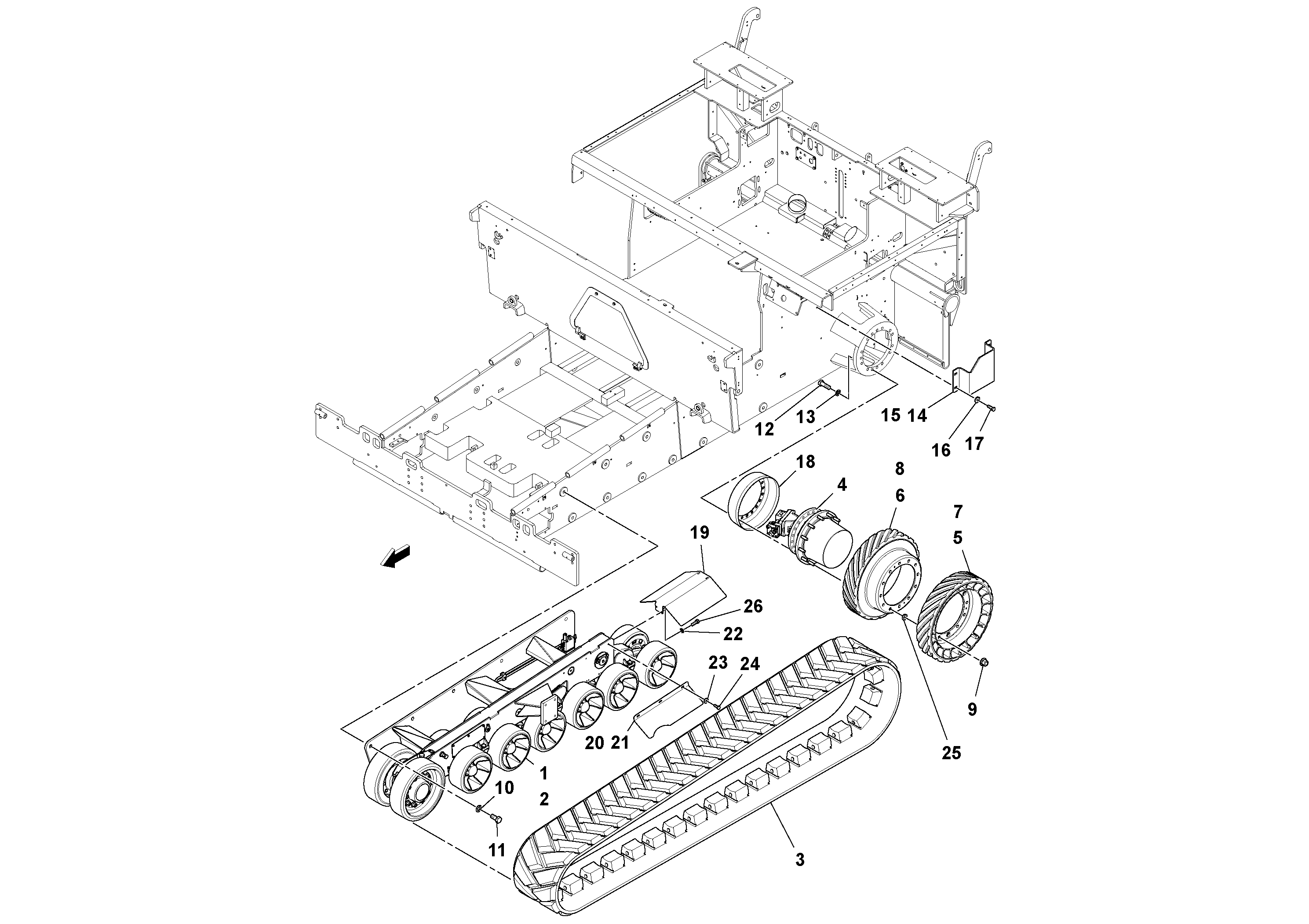
Запчасти Volvo PF6110 100089 Track Installation PF6110 S/N 197474 -

Схема запчастей Volvo PF6110 - 100089 Track Installation PF6110 S/N 197474 -
FIT
1:1
100%

Артикул

Название

Примечание

Количество

10

RM 96738646

Плоская шайба

1шт.

11

RM 96750708

Винт шестигранник

1шт.

12

RM 96726658

Винт шестигранник

1шт.

13

RM 96734280

Плоская шайба

1шт.

14

RM 19287325

Guard plate

LH

1шт.

15

RM 19288349

Guard

RH

1шт.

16

RM 96712237

Плоская шайба

1шт.

16

RM 96712237

Плоская шайба

1шт.

17

RM 96703111

Винт шестигранник

1шт.

18

RM 13502174

Shield

1шт.

19

RM 19296920

Deflector

1шт.

20

RM 19296805

Deflector

1шт.

21

RM 19296797

Deflector

1шт.

22

RM 96738596

Шайба

1шт.

23

RM 96711833

Шайба

1шт.

23

RM 96711833

Шайба

1шт.

24

RM 96702287

Винт шестигранник

1шт.

24

RM 96702287

Винт шестигранник

1шт.

25

RM 96724265

Hexagon nut

1шт.

25

RM 96724265

Hexagon nut

1шт.

26

RM 96701495

Винт шестигранник

1шт.

26

RM 96701495

Винт шестигранник

1шт.

3

RM 43949015

Track band

1шт.

5

RM 43901453

Wheel

LH

1шт.

6

RM 43901479

Wheel

LH

1шт.

7

RM 43901487

Wheel

RH

1шт.

8

RM 43901495

Wheel

RH

1шт.

9

RM 13483383

Гайка

1шт.

Выбрано товаров: 28