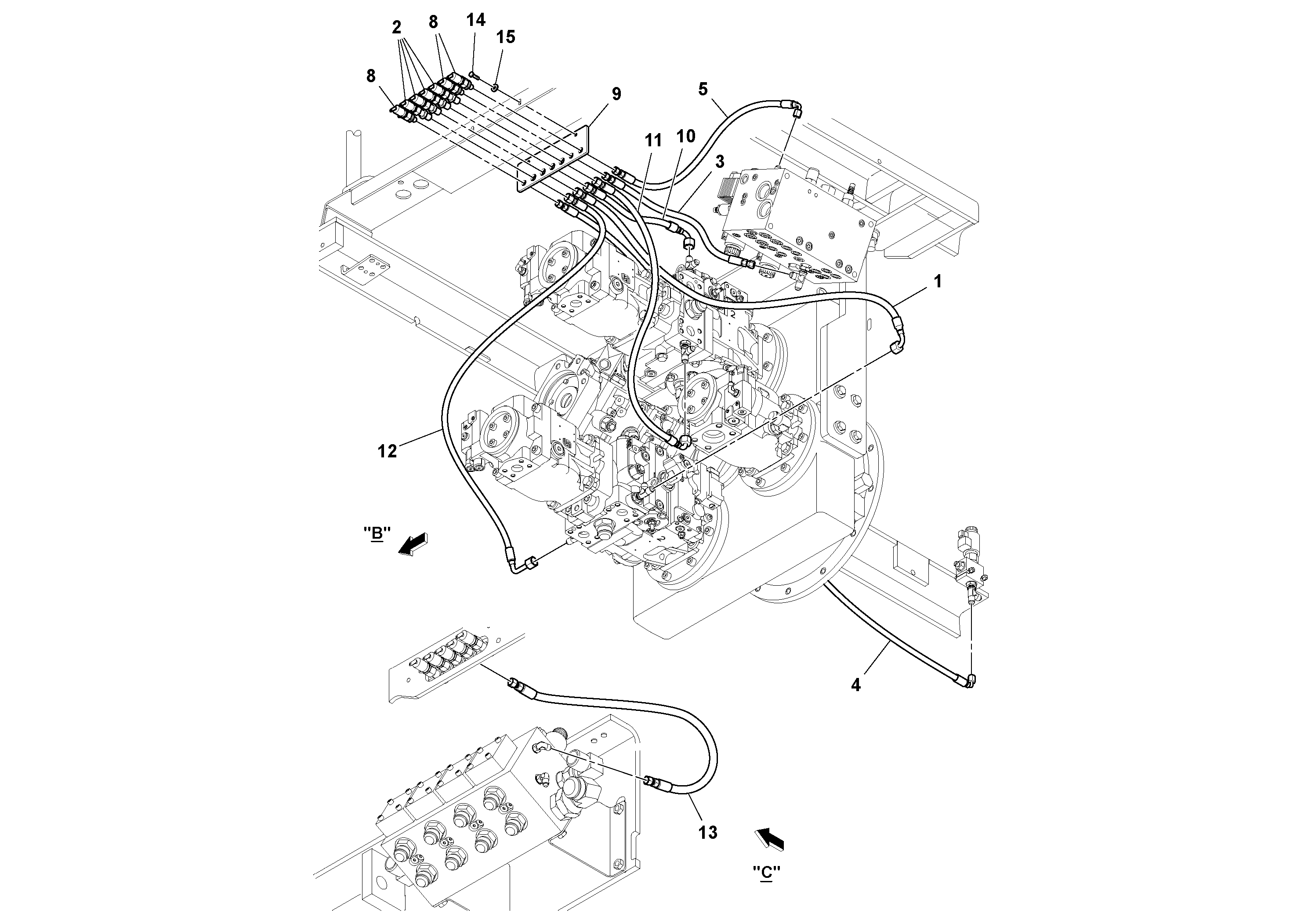
Запчасти Volvo PF6110 50774 Hydraulic Pressure check connection Installation PF6110 S/N 197474 -

Схема запчастей Volvo PF6110 - 50774 Hydraulic Pressure check connection Installation PF6110 S/N 197474 -
FIT
1:1
100%

Артикул

Название

Примечание

Количество

1

RM 13126487

Hose assembly

1шт.

10

RM 43936335

Шланг

1шт.

10

RM 43936335

Шланг

1шт.

11

RM 43936335

Шланг

1шт.

11

RM 43936335

Шланг

1шт.

12

RM 43942028

Hose assembly

1шт.

12

RM 43942028

Hose assembly

1шт.

13

RM 43936376

Шланг

1шт.

13

RM 43936376

Шланг

1шт.

14

RM 96704564

Винт шестигранник

1шт.

14

RM 96704564

Винт шестигранник

1шт.

15

RM 96721121

Шайба

1шт.

15

RM 96721121

Шайба

1шт.

2

RM 13239785

Test Nipple

1шт.

2

RM 13239785

Test Nipple

1шт.

3

RM 43973817

Шланг

1шт.

3

RM 43973817

Шланг

1шт.

4

RM 13836259

Шланг

1шт.

5

RM 43880624

Шланг

1шт.

8

RM 43935402

Test Unit

1шт.

8

RM 43935402

Test Unit

1шт.

9

RM 43936012

Test Unit

1шт.

9

RM 43936012

Test Unit

1шт.

Выбрано товаров: 23