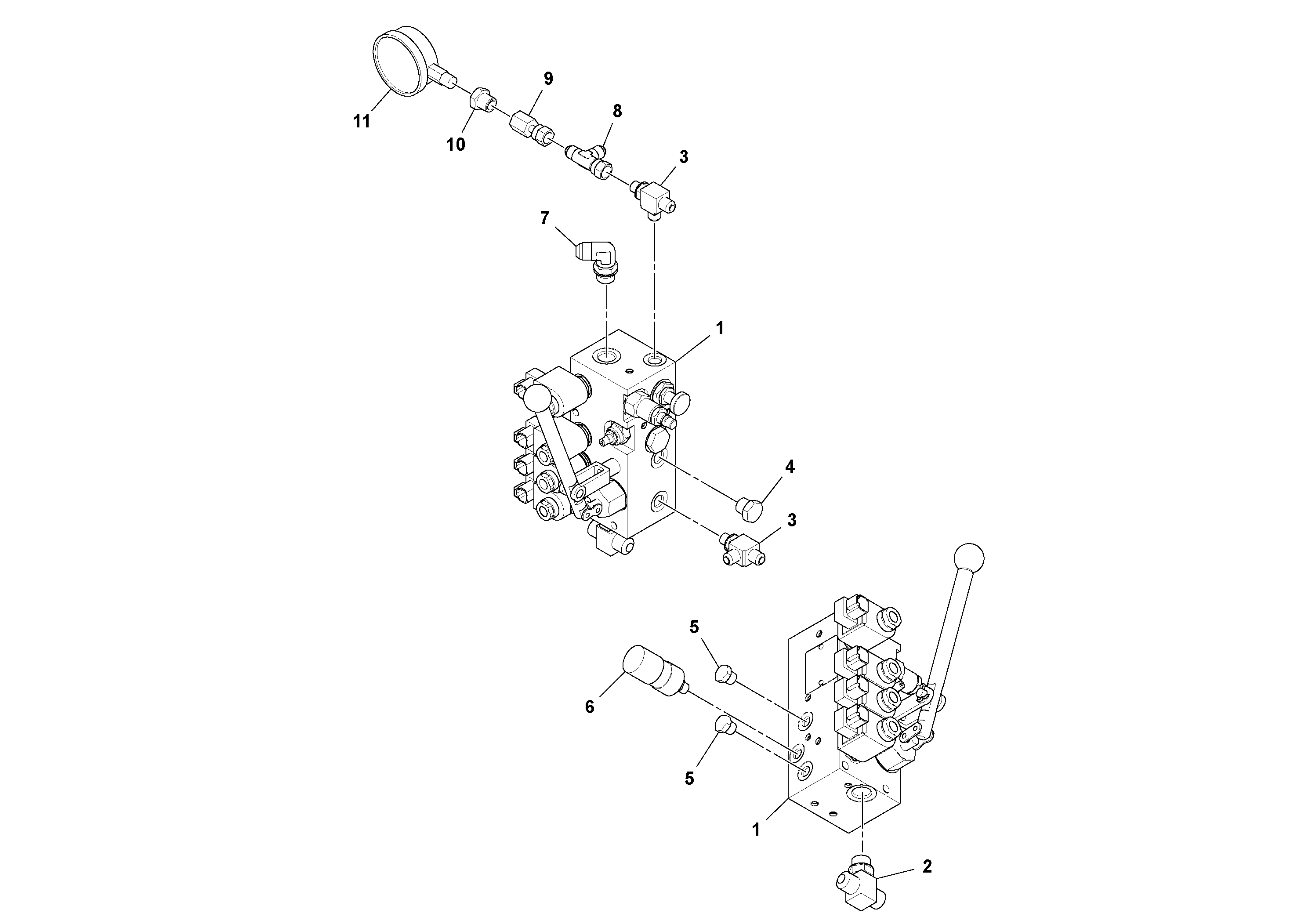
Запчасти Volvo PF6110 46695 Brake/shift Valve Assembly PF6110 S/N 197474 -

Схема запчастей Volvo PF6110 - 46695 Brake/shift Valve Assembly PF6110 S/N 197474 -
FIT
1:1
100%

Артикул

Название

Примечание

Количество

1

RM 43909712

Клапан

1шт.

10

RM 59924217

Reducer

1шт.

11

RM 43959238

Pressure gauge

1шт.

2

RM 59570887

Фиттинг

1шт.

3

RM 95188710

T-nipple

1шт.

4

RM 95343596

Пробка (заглушка)

1шт.

4

RM 95343596

Пробка (заглушка)

1шт.

5

RM 95323366

Пробка (заглушка)

1шт.

5

RM 95323366

Пробка (заглушка)

1шт.

6

RM 13421680

Датчик давления (переключатель, реле)

1шт.

7

RM 95303335

Elbow

1шт.

7

RM 95303335

Elbow

1шт.

8

RM 95415667

Swivel nipple

1шт.

9

RM 58167842

Адаптер

1шт.

Выбрано товаров: 14