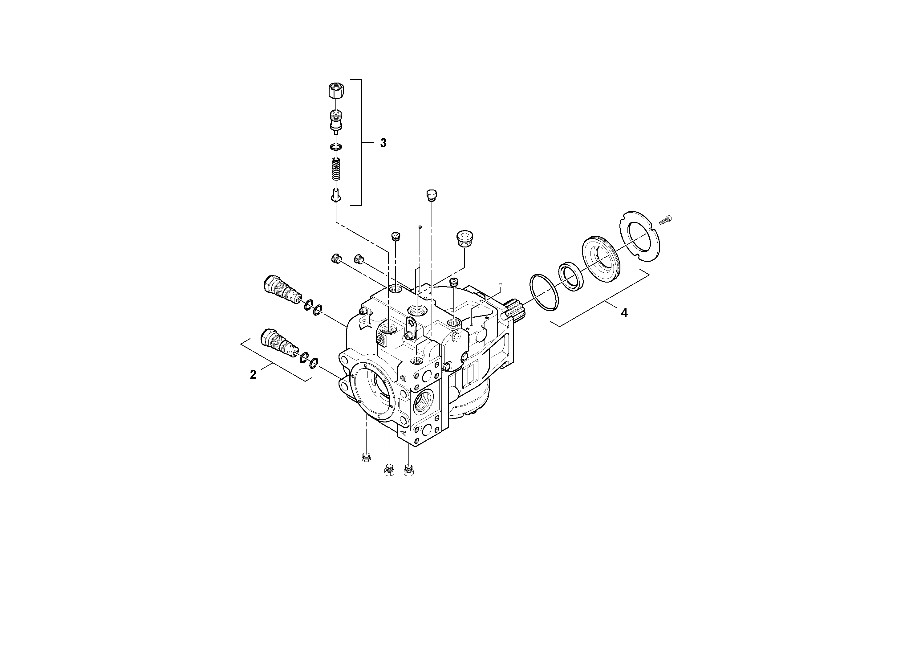
Запчасти Volvo PF6110 47059 Гидронасос (основной насос) PF6110 S/N 197474 -

Схема запчастей Volvo PF6110 - 47059 Гидронасос (основной насос) PF6110 S/N 197474 -
FIT
1:1
100%

Артикул

Название

Примечание

Количество

RM 95210258

Кольцо уплотнительное (О-кольцо)

1шт.

RM 95210258

Кольцо уплотнительное (О-кольцо)

1шт.

RM 59360735

Кольцо уплотнительное (О-кольцо)

1шт.

RM 59360735

Кольцо уплотнительное (О-кольцо)

1шт.

2

RM 58921495

Клапан

1шт.

2

RM 58921495

Клапан

1шт.

3

RM 59446138

Kit

1шт.

3

RM 59446138

Kit

1шт.

4

RM 59155192

Sealing Kit

1шт.

4

RM 59155192

Sealing Kit

1шт.

Выбрано товаров: 10