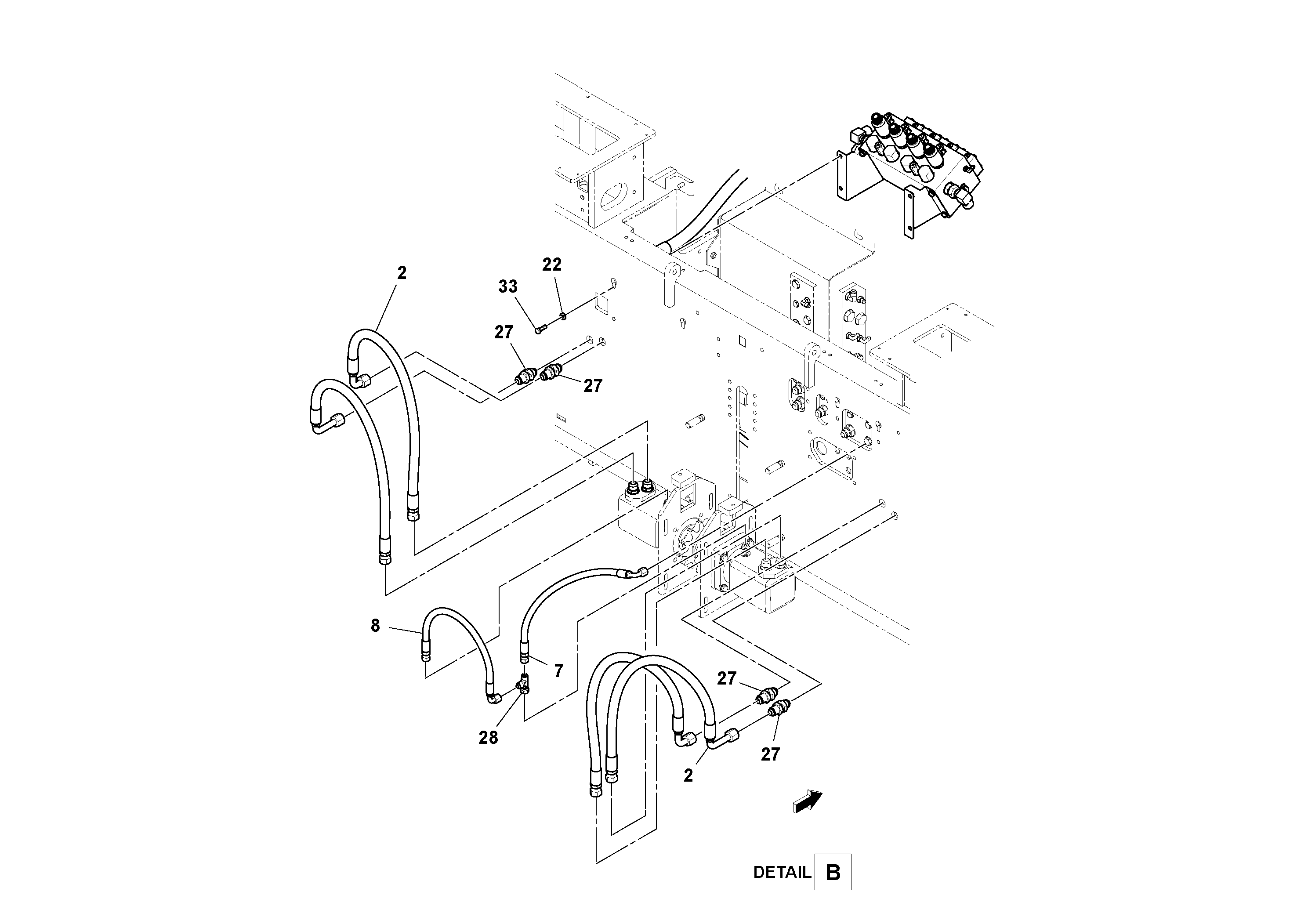
Запчасти Volvo PF6110 46697 Hydraulic Feeder Installation PF6110 S/N 197474 -

Схема запчастей Volvo PF6110 - 46697 Hydraulic Feeder Installation PF6110 S/N 197474 -
FIT
1:1
100%

Артикул

Название

Примечание

Количество

2

RM 43956515

Hose assembly

1шт.

22

RM 59565036

Шайба

1шт.

27

RM 95332599

Адаптер

1шт.

28

RM 95416731

Nipple

1шт.

28

RM 95416731

Nipple

1шт.

33

RM 96701917

Винт шестигранник

1шт.

33

RM 96701917

Винт шестигранник

1шт.

36

RM 43956531

Hose assembly

1шт.

7

RM 13527577

Hose assembly

1шт.

8

RM 13527593

Hose assembly

1шт.

Выбрано товаров: 10