Запчасти Volvo PF6110 49497 Mixer Tub Pump PF6110 S/N 197474 -

Схема запчастей Volvo PF6110 - 49497 Mixer Tub Pump PF6110 S/N 197474 -
FIT
1:1
100%

Артикул

Название

Примечание

Количество

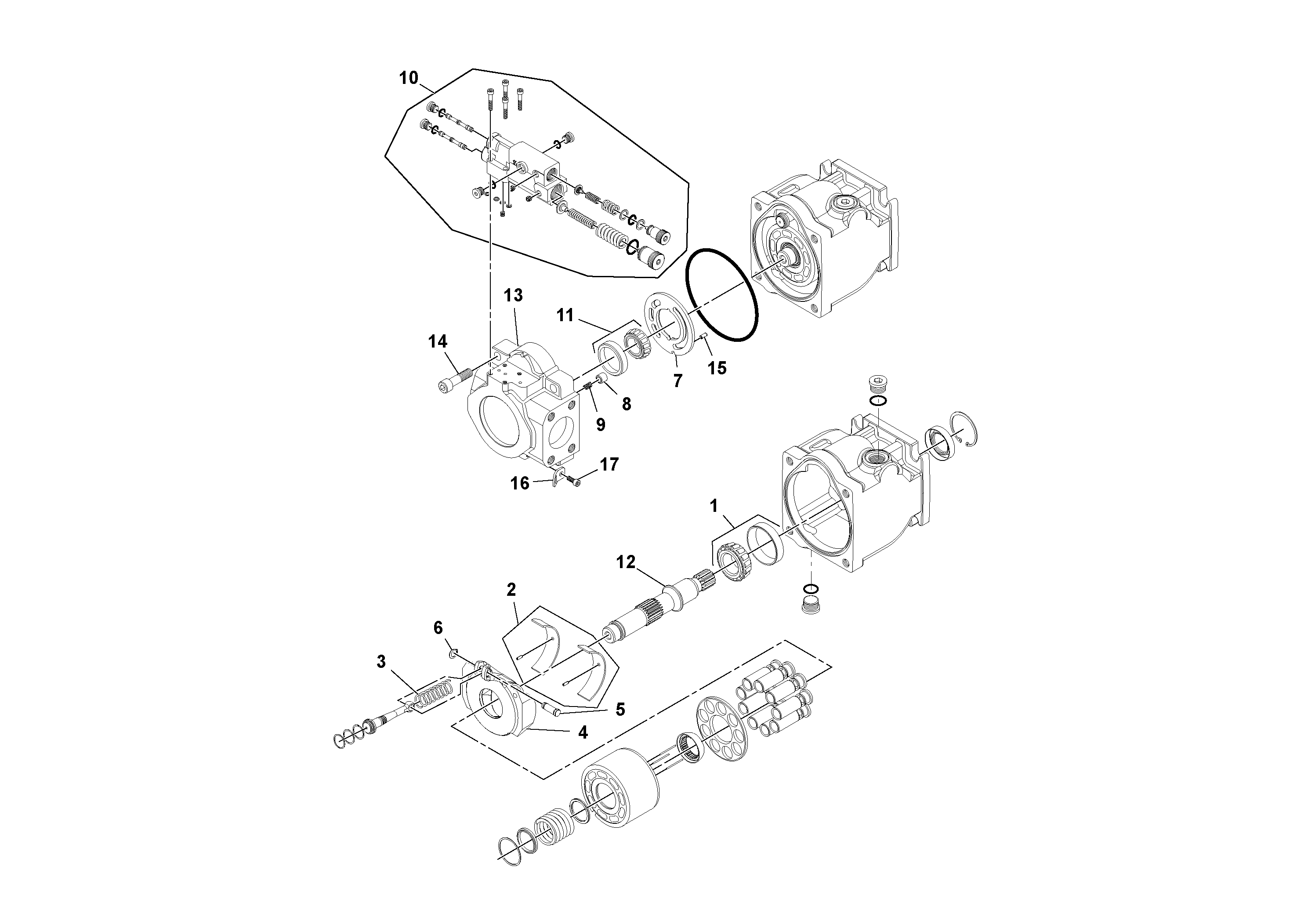
RM 59360610

Кольцо уплотнительное (О-кольцо)

1шт.

RM 59360610

Кольцо уплотнительное (О-кольцо)

1шт.

RM 59360610

Кольцо уплотнительное (О-кольцо)

1шт.

RM 59360610

Кольцо уплотнительное (О-кольцо)

1шт.

1

RM 59154211

Комплект подшипника

1шт.

1

RM 59154211

Комплект подшипника

1шт.

10

RM 19330596

Control valve kit

1шт.

11

RM 59154203

Комплект подшипника

1шт.

11

RM 59154203

Комплект подшипника

1шт.

12

RM 43907161

Вал

1шт.

13

RM 43907179

Cap

1шт.

13

RM 43907179

Cap

1шт.

14

RM 43907187

Болт

1шт.

14

RM 43907187

Болт

1шт.

15

RM 59933648

Палец

1шт.

15

RM 59933648

Палец

1шт.

16

RM 43907195

Кронштейн

1шт.

16

RM 43907195

Кронштейн

1шт.

17

RM 43907203

Болт

1шт.

17

RM 43907203

Болт

1шт.

18

RM 13269451

Retaining ring

1шт.

19

RM 43907211

Lip seal

1шт.

2

RM 19313816

Комплект подшипника

1шт.

2

RM 19313816

Комплект подшипника

1шт.

20

RM 43907229

Картер (корпус)

1шт.

21

RM 43907278

Пробка (заглушка)

1шт.

22

RM 43907237

Sealing

1шт.

22

RM 43907237

Sealing

1шт.

23

RM 58891540

Пробка (заглушка)

1шт.

24

RM 43907245

Блок цилиндров

1шт.

3

RM 43907013

Пружина

1шт.

4

RM 19313824

Подшипник

1шт.

4

RM 19313824

Подшипник

1шт.

5

RM 43907021

Вал

1шт.

6

RM 43907039

Retaining ring

1шт.

7

RM 19313832

Valve plate

LH

1шт.

7

RM 19313832

Valve plate

LH

1шт.

8

RM 43907047

Rivet

1шт.

8

RM 43907047

Rivet

1шт.

9

RM 43907054

Пружина

1шт.

9

RM 43907054

Пружина

1шт.

Выбрано товаров: 41